Кондиционеры Timberk T-AC24-S25 - инструкция пользователя по применению, эксплуатации и установке на русском языке. Мы надеемся, она поможет вам решить возникшие у вас вопросы при эксплуатации техники.
Если остались вопросы, задайте их в комментариях после инструкции.
"Загружаем инструкцию", означает, что нужно подождать пока файл загрузится и можно будет его читать онлайн. Некоторые инструкции очень большие и время их появления зависит от вашей скорости интернета.
Загружаем инструкцию

IM2019
51
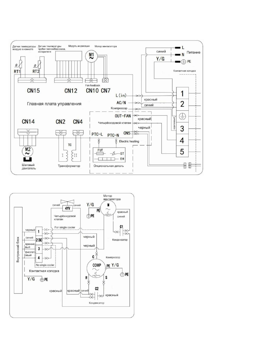
12.
ПРИНЦИПИАЛЬНЫЕ ЭЛЕКТРИЧЕСКИЕ СХЕМЫ
T-AC07-S25-Y, T-AC09-S25-Y, T-AC12-S25-Y, T-AC18-S25-Y, T-AC24-S25-Y
T-AC07-S25-X, T-AC09-S25-X, T-AC12-S25-X
Содержание
- 28 Уважаемый покупатель!; ВАЖНАЯ ИНФОРМАЦИЯ; Просим внимательно ознакомиться; ПРИМЕЧАНИЕ; МЕРЫ ПРЕДОСТОРОЖНОСТИ
- 30 Не используйте принадлежности, не входящие в комплект поставки.; НАЗНАЧЕНИЕ ПРИБОРА; Режим; Охлаждение
- 31 ОПИСАНИЕ ПРИБОРА; Горизонтальные жалюзи
- 32 КОМПЛЕКТ ПОСТАВКИ; Таблица 2; Вт
- 35 МОНТАЖ ПРИБОРА; Требования к пространству для установки:
- 36 автоматы отключения.; Требования к заземлению:; Прибор с классом электрозащиты I, должен быть правильно заземлен.
- 37 Рисунок 2; Используйте крестовые винты для закрепления пластины
- 38 Обычно, отверстие в стене должно быть диаметром 60-80 мм. Когда
- 40 Соединение дренажной трубки; Соединение фиксируется хомутом.; Оплетка трубопровода; Запустите трубку под уклоном вниз.; Рисунок 8
- 42 ≤5 метров
- 43 Соединение проводов; Ослабьте винты и удалите крышку электрического отсека с прибора.
- 45 УПРАВЛЕНИЕ ПРИБОРОМ; Описание панели управления внутреннего блока; Описание дисплея
- 47 В режимах «FAN» и «CLEAN» нельзя настраивать температуру
- 48 Работа с пультом дистанционного управления; РЕЖИМЫ РАБОТЫ; в режиме вентилятора настройки температуры не работают; Режим охлаждения/обогрева; . При помощи нажатия кнопок «
- 49 Режим работы вентилятора; в режиме вентилятора температура не настраивается.; УХОД И ОБСЛУЖИВАНИЕ; Чистка внутреннего блока и пульта дистанционного управления
- 50 Предпусковые проверки
- 51 ПРИНЦИПИАЛЬНЫЕ ЭЛЕКТРИЧЕСКИЕ СХЕМЫ
- 52 УСТРАНЕНИЕ НЕИСПРАВНОСТЕЙ
- 54 УТИЛИЗАЦИЯ, СРОК СЛУЖБЫ, ГАРАНТИЙНЫЙ СРОК; талон
- 55 ТРАНСПОРТИРОВКА И ХРАНЕНИЕ