Кондиционеры Timberk T-AC09-S27 - инструкция пользователя по применению, эксплуатации и установке на русском языке. Мы надеемся, она поможет вам решить возникшие у вас вопросы при эксплуатации техники.
Если остались вопросы, задайте их в комментариях после инструкции.
"Загружаем инструкцию", означает, что нужно подождать пока файл загрузится и можно будет его читать онлайн. Некоторые инструкции очень большие и время их появления зависит от вашей скорости интернета.

IM2019
37
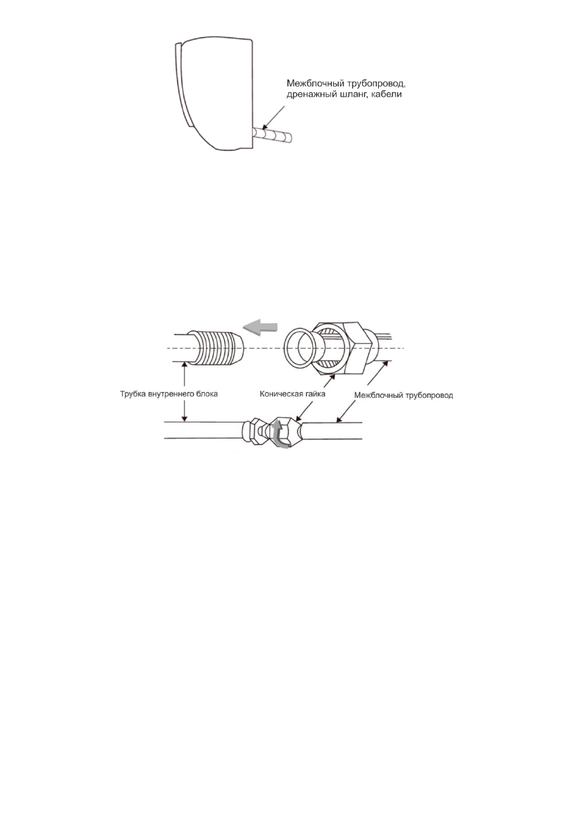
Рисунок 6
Соединение трубопроводов
1.
Отсоедините крепления и вытащите дренажную трубку внутреннего блока из корпуса.
2.
Подсоедините межблочный трубопровод к внутреннему блоку: затяните коническую
гайку вручную, затем затяните ее гаечным ключом, как показано на рисунке (см. рис. 7).
Рисунок 7
Соединение дренажной трубки
1.
На выход внутреннего блока (пластиковую трубку с наконечником) натягивается гофра.
2.
Соединение фиксируется хомутом.
3.
Дренажный шланг должен прокладываться с уклоном в сторону выхода воды.
Дренажный шланг не должен иметь перегибов, скручиваний, загибов и т.п. Конец
дренажного шланга не должен быть опущен в воду
Оплетка трубопровода
1.
Используйте армированный скотч для обмотки соединений внутреннего блока и
межблочного трубопровода, а затем используйте изоляционный материал для
герметизации, во избежание образования конденсата в соединительных частях.
2.
Соедините выпускной патрубок с дренажными трубами и выровняйте межблочный
трубопровод, кабели и сливной шланг прямо.
3.
Используйте стяжки, чтобы обернуть соединительные трубки, кабели и сливной шланг.
Запустите трубку под уклоном вниз.
Содержание
- 29 НАЗНАЧЕНИЕ ПРИБОРА; Охлаждение
- 30 ОПИСАНИЕ ПРИБОРА; Воздухозаборная решётка.
- 32 МОНТАЖ ПРИБОРА; Избегайте мест с сильным электромагнитным излучением.
- 34 Прибор с классом электрозащиты I, должен быть правильно заземлен.
- 35 Рисунок 2; Используйте крестовые винты для закрепления пластины; Рисунок 3
- 36 Рисунок 4; Обычно, отверстие в стене должно быть диаметром 60-80 мм. Когда; Рисунок 5
- 37 Соединение фиксируется хомутом.
- 39 Рисунок 10 Рисунок 11
- 40 ≤5 метров; Соединение проводов; Ослабьте винты и удалите крышку электрического отсека с прибора.
- 41 Метод выгрузки хладагента из внешнего блока:
- 44 Функция iCLEAN; Нажмите данную кнопку, когда устройство ВЫКЛ, пульт; DISPLAY
- 45 РЕЖИМ РАБОТЫ В РЕЖИМЕ ОХЛАЖДЕНИЯ/ОБОГРЕВА; При помощи нажатия кнопок «; РЕЖИМ РАБОТЫ ВЕНТИЛЯТОРА; в режиме вентилятора температура не настраивается.; УХОД И ОБСЛУЖИВАНИЕ
- 49 Прибор не работает
- 51 УТИЛИЗАЦИЯ, СРОК СЛУЖБЫ, ГАРАНТИЙНЫЙ СРОК
- 52 ТРАНСПОРТИРОВКА И ХРАНЕНИЕ