Кондиционеры Scarlett SC-AC1213 - инструкция пользователя по применению, эксплуатации и установке на русском языке. Мы надеемся, она поможет вам решить возникшие у вас вопросы при эксплуатации техники.
Если остались вопросы, задайте их в комментариях после инструкции.
"Загружаем инструкцию", означает, что нужно подождать пока файл загрузится и можно будет его читать онлайн. Некоторые инструкции очень большие и время их появления зависит от вашей скорости интернета.

IM2019
22
Чистка воздушного фильтра
•
Воздушный фильтр очищает воздух, поступающий в кондиционер, от пыли и
посторонних частиц. При загрязнении фильтра производительность кондиционера
резко снижается.
•
При постоянной эксплуатации кондиционера фильтр следует чистить
•
каждые две недели.
•
Если кондиционер установлен в помещении с запыленной атмосферой,
•
то воздушный фильтр следует чистить чаще.
•
Для извлечения фильтра откройте панель внутреннего блока.
•
Извлеките воздушные фильтры. Очистите фильтр пылесосом или в чистой воде. Если
фильтр сильно загрязнен, почистите его мягкой щеткой и промойте в слабом моющем
растворе, затем просушите.
•
При чистке фильтра пылесосом держите его загрязненной поверхностью вверх. При
промывании фильтра в воде держите его загрязненной поверхностью вниз.
•
Не сушите фильтр на солнце или вблизи огня.
•
Установите воздушный фильтр в исходное положение и закройте панель.
12.
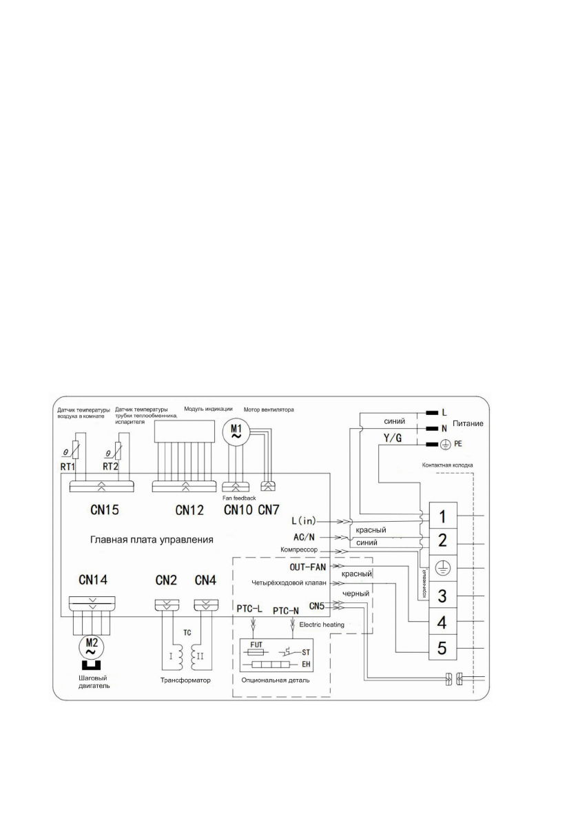
ПРИНЦИПИАЛЬНЫЕ ЭЛЕКТРИЧЕСКИЕ СХЕМЫ
SC-AC0713Y, SC-AC0913Y, SC-AC1213Y, SC-AC1813Y, SC-AC2413Y












