Кондиционеры NeoClima NS/NU-HAR24R4 - инструкция пользователя по применению, эксплуатации и установке на русском языке. Мы надеемся, она поможет вам решить возникшие у вас вопросы при эксплуатации техники.
Если остались вопросы, задайте их в комментариях после инструкции.
"Загружаем инструкцию", означает, что нужно подождать пока файл загрузится и можно будет его читать онлайн. Некоторые инструкции очень большие и время их появления зависит от вашей скорости интернета.

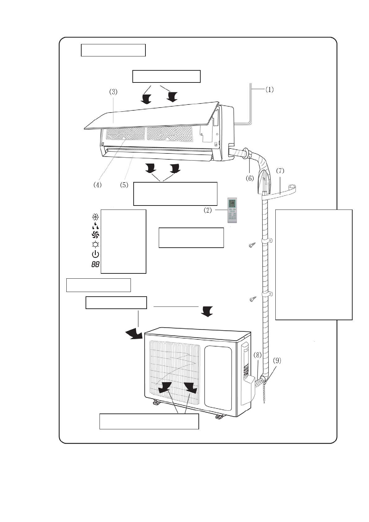
Внутренний блок
Воздухозаборник
Отверстие для выхода
воздуха
Cool
(1)
Кабель питания
Dry
(2)
Пульт управления
Пульт дистанционного
управления
Fan
(3)
Лицевая панель
Heat
(4)
Фильтр
Run
(5)
Направляющие
Set
temp.
(6)
Пристенная трубка
(7)
Лента для обвязки
(8)
Соединительный
провод
Наружный блок
(9)
Водоотводная
трубка
Воздухозаборник
Воздуховыпускное отверстие





