Кондиционеры Loriot LAC-18TD - инструкция пользователя по применению, эксплуатации и установке на русском языке. Мы надеемся, она поможет вам решить возникшие у вас вопросы при эксплуатации техники.
Если остались вопросы, задайте их в комментариях после инструкции.
"Загружаем инструкцию", означает, что нужно подождать пока файл загрузится и можно будет его читать онлайн. Некоторые инструкции очень большие и время их появления зависит от вашей скорости интернета.

27
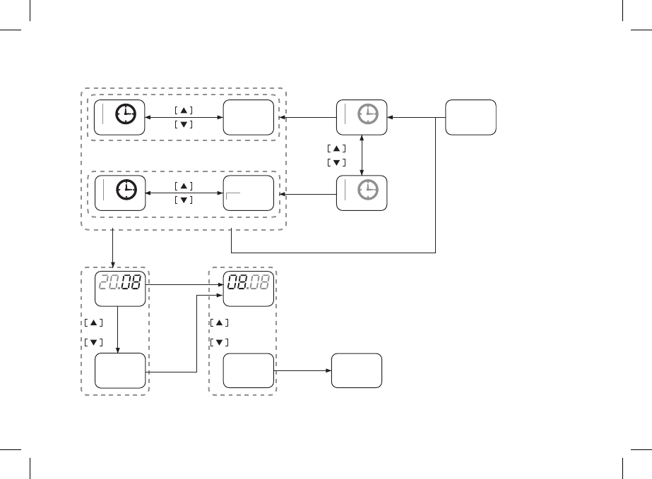
Установка Таймера включения
Установка Таймера
включения
Установка Таймера выключения
Установка Таймера
выключения
Когда установка активна
нажмите Mode
Когда установка не активна нажмите Mode
ON
ON
OFF
OFF
Мигает
индикатор минут
Мигает
индикатор часов
Установите
минут
Установите
час
Выход
Кнопка «Mode»
Кнопка «Mode»
Кнопка «Mode»
Кнопка «Таймера»
Начало
настройки
таймера
Активно
Не активно
Активно
Не активно
Кнопка «Mode»
Кнопки
Кнопки
Кнопки
Кнопки
или
или
или
Содержание
- 2 ФУНКЦИИ И ТЕХНОЛОГИИ; Корпус внешнего блока имеет оцинкованное покрытие
- 3 Включается автоматически, в зависимости от внешних условий
- 15 ВНИМАНИЕ
- 16 ПДУ может быть размещен на специальной настенной подставке; Рекомендации по размещению и использованию ПДУ (при его наличии); РЕЖИМЫ РАБОТЫ
- 19 ПРИМЕЧАНИЕ
- 20 Таймер выключен; Режим вентилятора
- 21 Таблица 3
- 22 потока «SWING» нажимая указанные кнопки.; Режим сна; дые 60 минут. Всего температура поднимается на 2
- 24 Описание кнопок управления; ПРОВОДНОЙ КОНТРОЛЛЕР
- 26 Настройка времени
- 28 Коды ошибок; Таблица 4
- 29 Инструкция по установке проводного контроллера; СХЕМА УСТАНОВКИ ПРОВОДНОГО КОНТРОЛЛЕРА
- 32 ГАБАРИТНЫЕ РАЗМЕРЫ ВНУТРЕННЕГО БЛОКА; ГАБАРИТНЫЕ РАЗМЕРЫ НАРУЖНОГО БЛОКА
- 34 ВЫБОР МЕСТА
- 35 Инструкция по установке кондиционера
- 36 ния или выключателем, расположенным на внутреннем блоке.
- 37 МОНТАЖ ВНУТРЕННЕГО БЛОКА КОНДИЦИОНЕРА
- 38 ПОДКЛЮЧЕНИЕ ТРУБ ХЛАДАГЕНТА КОНДИЦИОНЕРА; Меры предосторожности; Таблица 7
- 39 трубы составляет 20 градусов.; Процедура соединения труб; ПОДКЛЮЧЕНИЕ ДРЕНАЖНОГО ШЛАНГА
- 41 Установите трубы
- 43 Установка сливного штуцера
- 45 СХЕМА СОЕДИНЕНИЙ ВНУТРЕННЕГО И НАРУЖНОГО БЛОКА
- 46 Чистка внутреннего блока и пульта дистанционного управления
- 52 УТИЛИЗАЦИЯ, СРОК СЛУЖБЫ, ГАРАНТИЙНЫЙ СРОК













