Кондиционеры Lessar LS-HE55BMA4/LU-HE55UMA4 - инструкция пользователя по применению, эксплуатации и установке на русском языке. Мы надеемся, она поможет вам решить возникшие у вас вопросы при эксплуатации техники.
Если остались вопросы, задайте их в комментариях после инструкции.
"Загружаем инструкцию", означает, что нужно подождать пока файл загрузится и можно будет его читать онлайн. Некоторые инструкции очень большие и время их появления зависит от вашей скорости интернета.

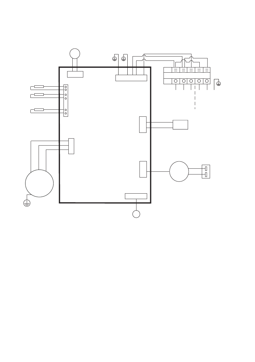
71
Наружные блоки
LU-HE24UMA2
CN 18
конденсатор
CN 5
CN 60
CN 19
желтый
S
2
(N)
L
N
1
(L)
CN 17
CN 3
U
V
W
синий
черный
подогрев картера
коричневый
синий
красный
компрессор
CN 21
ПЛАТА
УПРАВЛЕНИЯ
4-
ходовой
клапан
датчик темп.
нагнетания
датчик темп.
воздуха
темп.
теплообменника
EXV
линия связи
220 В / 50 Гц
вентилятор
Содержание
- 2 Содержание; Габаритные размеры
- 3 Меры предосторожности; Во время эксплуатации
- 5 Правила электробезопасности
- 6 Назначение и принцип работы; осуществляется электронным блоком управления.; Принцип работы кондиционера в режиме охлаждения; работать на охлаждение при низких температурах.; Функция защиты от обмерзания; электромотор, вентилятор, электронный блок
- 7 Принцип работы кондиционера в режиме обогрева; зуйте другие способы обогрева, например, масляный обогреватель.; Принцип работы системы оттаивания кондиционера в режиме
- 8 Спецификация
- 10 Дисплей и элементы внутреннего блока; танционного управления отсутствует или разряжен.
- 11 Пульт управления LZ-UPW4F; Дисплей; произойдет переключение на режим AUTO.
- 12 Кнопки пульта управления LZ-UPW4F
- 13 Управление кондиционером; Запуск кондиционера; В режиме вентиляции настройка температуры невозможна.
- 14 Режим AUTO; Примечание; В режиме Авто выбор скорости работы вентилятора осуществляется; Выбор скорости работы вентилятора; Примечания; Настройка температуры; на в режиме вентиляции.; Включение функции «Follow Me»; Дополнительный электрический нагреватель является опцией.
- 15 Настройка таймера; менятся с интервалом в 1 час.; Функции блокировки и сброса настроек; ра установится на 24 °С.; Настройка воздушного потока; Рекомендуем
- 16 Подготовка к эксплуатации; Перед запуском кондиционера проверьте следующие вещи:; Провод заземления подключен правильно и надежно?; Включение питания
- 17 Рекомендации по эксплуатации; Если вы долго не будете пользоваться кондиционером; Перед тем, как на длительное время отключить кондиционер; Перед тем, как включить кондиционер после длительного перерыва; Уход за кондиционером; Очистка внутреннего блока
- 18 Очистка воздушного фильтра; минимум один раз в две недели.
- 19 Очистка наружного блока; обслуживание авторизованными специалистами.; дорогостоящих деталей кондиционера!
- 20 Перед обращением в сервисный центр; онера, отключите электропитание и обратитесь в сервисный центр.; (вынули штепсель из розетки) и через 5 –10 секунд включили его снова.
- 21 Ситуации не связанные с неисправностью кондиционера; Режим «Обогрев» только что включился.
- 23 Комплектность сплит-системы
- 24 Рабочая температура; Держите двери и окна в помещении закрытыми.
- 25 Габаритные размеры; Внутренние блоки
- 26 Наружные блоки
- 28 Порядок монтажа сплит-системы
- 29 шее обслуживание наружного блока.; При установке на крышу; предусмотрите маслоподъемные петли через каждые 6 метров.; Установка ветрозащитного экрана; Правильно
- 30 Установка внутреннего блока; Выбор места
- 31 Установка основного блока
- 32 зуя прилагаемые шайбы и гайки.
- 33 и сторонами блока было одинаковым со всех 4 сторон.
- 34 Монтаж распределительных каналов
- 35 фильтрующий элемент для исключения подачи пыли в помещение.
- 36 ножа
- 38 Установка наружного блока; мальные условия работы блока.; Сервисное пространство для наружного блока
- 39 Шаг болтов; Перемещение и установка
- 40 Слив конденсата с наружного блока; расположен в подходящем месте.
- 41 Установка трубопровода отвода конденсата; Наружный диаметр патрубка для слива конденсата
- 42 Верно; на 50 мм, он не должен находиться в воде.; трубы, как показано на следующем рисунке.
- 43 Проверка дренажа; Убедитесь в отсутствии препятствий по длине дренажной трубы.
- 44 Монтаж линии хладагента; туре. Это может привести к взрыву и травмам.; Диаметры трубопроводов; наружный блок заправлен на заводе из расчета длины трубы не более; Маслоподьемные петли; Если внутренний блок установлен выше наружного блока:; вом трубопроводе могут предотвратить это.
- 45 Если наружного блок установлен выше внутреннего блока:
- 46 Основные требования к монтажу фреонопровода; Защитные меры при монтаже
- 47 Не кладите трубу прямо на землю или грязную поверхность.; Подготовка трубы; Аккуратно и качественно выполняйте подготовку труб.
- 48 Гибка труб; Примечания по гибке труб; Развальцовка труб; Медная труба
- 49 был установлен на расстоянии «А».
- 50 Подключение труб; При затяжке трубопроводов используйте два гаечных ключа.
- 51 Изоляция трубопроводов; Изоляционный материал; Изоляция фреонопровода; быть теплоизолированы.; Изоляция мест соединений труб; ции может привести к образованию конденсата.
- 52 Теплоизоляцию закрепите монтажным скотчем.; Изоляция трубопровода отвода конденсата; сти трубы может образовываться конденсат.; Вакуумирование и проверка на утечку; пенчатым вакуумным насосом!; Назначение вакуумной сушки; привести к выходу из строя системы.
- 53 Порядок работы вакуумирования; — применяется при первом монтаже новой системы и при усло-; Специальная вакуумная сушка; Обычное вакуумирование; жить сушку в течение получаса.
- 54 Проведите вакуумизацию системы в течении 1 часа.
- 55 Пожалуйста, обратите внимание на следующие моменты. Это важно!; блюдайте правила техники безопасности при работе с хладагентом!
- 56 Дозаправка хладагента; вляется из расчета соединительной трубы равной 5 м.
- 57 Процедура проверки; ки. Точки проверки обозначены на рисунке ниже.
- 58 Электрические соединения; Перед выполнение каких-либо электрических работ
- 59 Схемы подключения; ВНУТРЕННИЙ БЛОК
- 60 Подключение электропитания к наружному блоку; чтобы снять защитную панель.; Правила безопасности; ключению до решения всех проблем.
- 62 Установка панели; роняйте или не ударяйте панель.; Снятие лицевой решетки.; Отклоните ее на угол 45 градусов и снимите.; Установка; ним блоком не уменьшится до 5 –8 мм.
- 63 Закройте воздухозаборную решетку.
- 64 Подключение пульта управления; Подцепите отверткой крышку пульта ДУ и снимите ее.; Установка на стену; ветствующую середине верхней кромки пульта ДУ.
- 65 личение длины до 15 метров.; Подключение проводов панели и проводного пульта ДУ; ль; Плата индикации
- 66 ние на протяжении 3 минут после отключения.
- 67 Регламентное сервисное обслуживание; Регламент сервисного обслуживания; Чистка теплообменника внутреннего блока.
- 68 Коды ошибок
- 69 BM
- 71 ПЛАТА
- 72 UM; АВ
- 74 Класс энергоэффективности оборудования; Дата производства оборудования