Кондиционеры Lessar LS-HE18KSA2/LU-HE18KSA2 - инструкция пользователя по применению, эксплуатации и установке на русском языке. Мы надеемся, она поможет вам решить возникшие у вас вопросы при эксплуатации техники.
Если остались вопросы, задайте их в комментариях после инструкции.
"Загружаем инструкцию", означает, что нужно подождать пока файл загрузится и можно будет его читать онлайн. Некоторые инструкции очень большие и время их появления зависит от вашей скорости интернета.

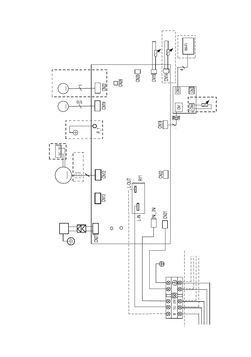
58
19.
Электрические схемы
Внутренние блоки
LS-HE09KSA2, LS-HE12KSA2,
LS-HE18KSA2, LS-HE24KSA2
P
1
P2
S
Для систем с поддержкой режима работы 1W StandBy
Для систем без поддержки режима работы 1W StandBy
4
M
M
M
5 (3 or 2)
ION
Y/G
Y/G
КОНД.
ПЛ
АТА УПРАВЛЕНИЯ
опция
м
отор
белый красный
голубой (черный)
желтый
внутренний блок
наружный блок
магн. кольцо опция
двигатель жалюзи 1
двигатель жалюзи 2
ОПЦИЯ
ОПЦИЯ
ПЛАТА ИНДИКАЦИИ
датчик темп. в помещении
датчик трубы
датчик темп. в помещении
ОПЦИЯ
модуль
Примечание: - - -
обозначение опциональных элементов
Содержание
- 3 Меры предосторожности; При установке
- 5 Правила электробезопасности
- 6 Прочтите внимательно перед началом работы; Никогда не делайте этого!
- 9 Назначение; ществляется электронным блоком управления.; Принцип работы кондиционера в режиме охлаждения; температуре может привести к неисправности оборудования.; Функция защиты от обмерзания; нимется до определенного значения.
- 10 Авторестарт
- 11 Комплектность сплит-системы; вида аксессуаров, представленных в настоящем руководстве.
- 12 Технические характеристики
- 14 Расположение элементов
- 15 Дистанционный инфракрасный пульт; MODE; Пульт управления Intellect; ния с эргономичным дизайном, который получил название Intellect.
- 16 Кнопки управления; AUTO; FAN; FP; TIMER ON
- 17 люзи. В этом случае их настройка возможна только вручную!; TURBO
- 18 SELF CLEAN; Данная функция может быть опциональной.; LED; функция может быть опциональной.
- 19 Индикация на дисплее; действия пульта управления может уменьшаться!
- 20 Управление режимами работы; Автоматическая работа; Примечание
- 21 Осушение; Таймер; Примечания
- 22 Пример настройки таймера
- 24 Изменение положения жалюзи; Ручной запуск кондиционера
- 25 Замена элементов питания
- 26 Дисплей передней панели; о работе кондиционера прямо через переднюю панель.
- 27 Обслуживание и чистка кондиционера; Очистка фильтра; кой. Маленькие фильтры очищаются только пылесосом!
- 28 на место до тех пор, пока он не высохнет.; Установите дополнительные фильтры на свои места.; Очистка жалюзи; крючок
- 29 Очистка передней панели; Снимите переднюю панель кондиционера.
- 31 Поиск и устранение неисправностей; Не пытайтесь самостоятельно ремонтировать кондиционер.
- 32 Не пытайтесь устранять эти поломки самостоятельно:
- 33 Коды ошибок; житесь с ближайшим сервисным центром или вашим дилером.
- 34 Габаритные размеры
- 35 Наружный блок
- 36 Монтаж внутреннего блока; Порядок монтажа (краткое описание этапов монтажа)
- 37 НЕ устанавливайте блок в следующих местах:; Этап 3. Крепление монтажной пластины к стене.
- 38 Правильное расположение монтажной пластины; Этап 4. Сверление отверстия в стене для коммуникаций.; Просверлите отверстие
- 39 Если соединительная труба со стороны газа имеет
- 40 Этап 5. Подготовка к монтажу трубопроводов хладагента.; Шаг 1. Закрепите внутренний блок на монтажной пластине.; Сдвиньте вправо или влево
- 41 Шаг 2. Подготовка блока к монтажу труб хладагента.; ложение панели с помощью защелки.
- 42 Шаг 3. Подсоедините трубопровод хладагента.
- 43 ПЕРЕД ВЫПОЛНЕНИЕМ ЛЮБЫХ ЭЛЕКТРИЧЕСКИХ РАБОТ
- 44 Подключите сигнальный кабель.; чивают большее пространство для подключения проводов.
- 45 Подсоедините дренажный шланг.; допус кайте того, чтобы дренажная труба болталась.; Этап 9. Установка внутреннего блока
- 46 Монтаж наружного блока
- 47 ЗАПРЕЩАЕТСЯ устанавливать агрегат в следующих местах:; Установка ветрозащитного экрана; Неверно
- 48 При установке на крышу
- 49 Электрические соединения; коквалифицированным персоналом.; Открутите крышку электропроводки и снимите ее.
- 50 Заправка хладагентом; системы приведены в разделе «Удаление воздуха ваку умным насосом».; Удаление воздуха вакуумным насосом; систему необходимо как минимум 2 часа.; Порядок действий
- 51 качественное вакуумирование.
- 53 Дозаправка системы; Все вентили на манометрическом коллекторе; Последовательность операций; лабив крепление на коллекторе.
- 54 Процедура проверки; Точки проверки обозначены на рисунке ниже.; более 20 минут, потребуется полная смена масла в компрессоре
- 55 Проверка утечек электроэнергии и хладагента; теме; Проверка электрических соединений перед тестовым запуском; Существует два способа проверки утечек хладагента:
- 56 Тестовый запуск; Тестовый запуск должен выполняться 30 минут.; ЕСЛИ ТЕМПЕРАТУРА В ПОМЕЩЕНИИ НИЖЕ 17 °C
- 57 оборудования и отказ в гарантийном ремонте!; Регламент технического обслуживания
- 58 Электрические схемы; Внутренние блоки; ПЛ; опция; двигатель жалюзи 1
- 59 L N; ПЛАТА; Компрессор; Наружные блоки
- 60 ПЛАТА УПРАВЛЕНИЯ
- 61 Класс энергоэффективности оборудования; EER
- 62 Дата производства сплит-системы; зволяют определить дату производства и прочие данные.
- 63 Место производства оборудования