Кондиционеры Lessar LS-H12KPA2/LU-H12KPA2 110801 - инструкция пользователя по применению, эксплуатации и установке на русском языке. Мы надеемся, она поможет вам решить возникшие у вас вопросы при эксплуатации техники.
Если остались вопросы, задайте их в комментариях после инструкции.
"Загружаем инструкцию", означает, что нужно подождать пока файл загрузится и можно будет его читать онлайн. Некоторые инструкции очень большие и время их появления зависит от вашей скорости интернета.

60
18.
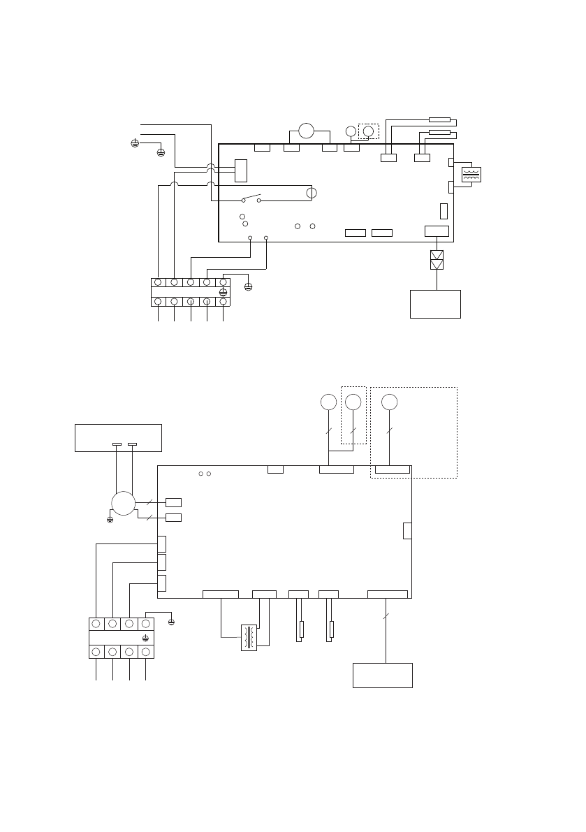
Электрические схемы
CN4 CN12
CN2
CN3
1 2(N) 3
4
Плата
дисплея
CN_T3
CN5
CN15
CN1
Трансформа
тор
Датчик темп.
трубы
Датчик темп.
помещения
Детектор тока
CN16
CN7
К наружному блоку
синий
желтый
JX1
CN6
Вентилятор
Жалюзи
CN112
синий или белый
коричневый или черный
L
N
Пит
ание
220 В/
50 Гц
CN1
1
красный
черный
Реле компрессора
CN17 CN18
CN13-1
CN13-2
LS-H07KPA2, LS-H09KPA2, LS-H12KPA2, LS-H18KPA2
Для моделей 12 и 18
Клеммы 1,2(N) и заземление - 1,5 мм(2)
клеммы 3 и 4 - 0,75 мм(2)
CN3
CN2
CN_TO
CN5
1 2(N) S
CN_TIN
CN9
CN_L1 или CNL
2
CN_N1 или CNN
CN_S
CN10
CN11
3
CN_HEAT
CNN
CN_ION
Основная плата управления
Плата конденсаторов
PC1_1
PC2_1
бе
лый
бе
лый
Вентилят
ор
CN6
CN4
5
5
Жалюзи
Вертикальные
жалюзи
5
8
К наружному
блоку
красный
синий
белый
Трансформатор
Датчик темп.
трубы
Датчик темп.
помещения
Плата
дисплея
LS-H24KPA2; LS-H28KPA2; LS-H36KPA2
Содержание
- 3 Меры предосторожности; При установке
- 5 Правила электробезопасности
- 6 Прочтите внимательно перед началом работы; Никогда не делайте этого!
- 9 Назначение; ществляется электронным блоком управления.; Принцип работы кондиционера в режиме охлаждения; температуре может привести к неисправности оборудования.; Функция защиты от обмерзания; нимется до определенного значения.
- 10 Авторестарт
- 11 Комплектность сплит-системы; вида аксессуаров, представленных в настоящем руководстве.
- 12 Технические характеристики
- 14 Расположение элементов
- 15 Дистанционный инфракрасный пульт; MODE; Пульт управления Intellect; ния с эргономичным дизайном, который получил название Intellect.
- 16 Кнопки управления; AUTO; FAN; FP; TIMER ON
- 17 люзи. В этом случае их настройка возможна только вручную!; TURBO
- 18 Данная функция является опцией.; LED
- 19 Индикация на дисплее; действия пульта управления может уменьшаться!
- 20 Управление режимами работы; Автоматическая работа; Примечание
- 21 Осушение; Таймер; Примечания
- 22 Пример настройки таймера
- 24 Изменение положения жалюзи; Ручной запуск кондиционера
- 25 Замена элементов питания
- 26 Дисплей передней панели; о работе кондиционера прямо через переднюю панель.
- 27 Обслуживание и чистка кондиционера; Очистка фильтра; Лицевая панель; Фильтр
- 28 на место до тех пор, пока он не высохнет.; Установите дополнительные фильтры на свои места.; Очистка жалюзи; Горизонтальные жалюзи
- 31 Отпустите 5 крючков в задней части лицевой панели.; Крючки
- 32 Поиск и устранение неисправностей; Не пытайтесь самостоятельно ремонтировать кондиционер.
- 33 Не пытайтесь устранять эти поломки самостоятельно:
- 34 Коды ошибок; ближайшим сервисным центром или вашим дилером.
- 35 Габаритные размеры; ное значение имеет реальный внешний вид оборудования.
- 36 Наружный блок; Монтаж внутреннего блока; Порядок монтажа (краткое описание этапов монтажа)
- 38 НЕ устанавливайте блок в следующих местах:; – рядом с любым источником тепла, пара или горючего газа; Этап 3. Крепление монтажной пластины к стене.; правильность монтажа с помощью уровня.; Правильное расположение монтажной пластины
- 39 Этап 4. Сверление отверстия в стене для коммуникаций.; Просверлите отверстие
- 41 Этап 5. Подготовка к монтажу трубопроводов хладагента.; Шаг 1. Закрепите внутренний блок на монтажной пластине.; Сдвиньте вправо или влево
- 42 Шаг 2. Подготовка блока к монтажу труб хладагента.; Wedge; Шаг 3. Подсоедините трубопровод хладагента.; ратно и тщательно выполняйте подготовку труб.
- 43 штуцер потребует замены в условиях сервисного центра.; ПЕРЕД ВЫПОЛНЕНИЕМ ЛЮБЫХ ЭЛЕКТРИЧЕСКИХ РАБОТ; правилам и подключаться квалифицированным специалистом.
- 45 Подключите сигнальный кабель.; чивают большее пространство для подключения проводов.; Защитная крышка; ной на задней стороне передней панели внутреннего блока.
- 46 Подсоедините дренажный шланг.; допус кайте того, чтобы дренажная труба болталась.; Этап 9. Установка внутреннего блока
- 47 Монтаж наружного блока
- 48 ЗАПРЕЩАЕТСЯ устанавливать агрегат в следующих местах:; Установка ветрозащитного экрана; Неверно
- 49 При установке на крышу
- 50 Электрические соединения; коквалифицированным персоналом.
- 52 Заправка хладагентом; системы приведены в разделе «Удаление воздуха ваку умным насосом».; Удаление воздуха вакуумным насосом; систему необходимо как минимум 2 часа.; Порядок действий
- 55 Дозаправка системы; Все вентили на манометрическом коллекторе; Последовательность операций; лабив крепление на коллекторе.
- 56 Процедура проверки; Точки проверки обозначены на рисунке ниже.; более 20 минут, потребуется полная смена масла в компрессоре
- 57 Проверка утечек электроэнергии и хладагента; теме; Проверка электрических соединений перед тестовым запуском; Существует два способа проверки утечек хладагента:
- 58 Тестовый запуск; Тестовый запуск должен выполняться 30 минут.; ЕСЛИ ТЕМПЕРАТУРА В ПОМЕЩЕНИИ НИЖЕ 17 °C
- 59 Регламент технического обслуживания
- 60 Электрические схемы
- 62 Класс энергоэффективности оборудования; EER; nergy; COP; oefficient
- 63 Дата производства сплит-системы; зволяют определить дату производства и прочие данные.
- 64 Место производства оборудования