Кондиционеры JAX ACI-26HE NEO - инструкция пользователя по применению, эксплуатации и установке на русском языке. Мы надеемся, она поможет вам решить возникшие у вас вопросы при эксплуатации техники.
Если остались вопросы, задайте их в комментариях после инструкции.
"Загружаем инструкцию", означает, что нужно подождать пока файл загрузится и можно будет его читать онлайн. Некоторые инструкции очень большие и время их появления зависит от вашей скорости интернета.

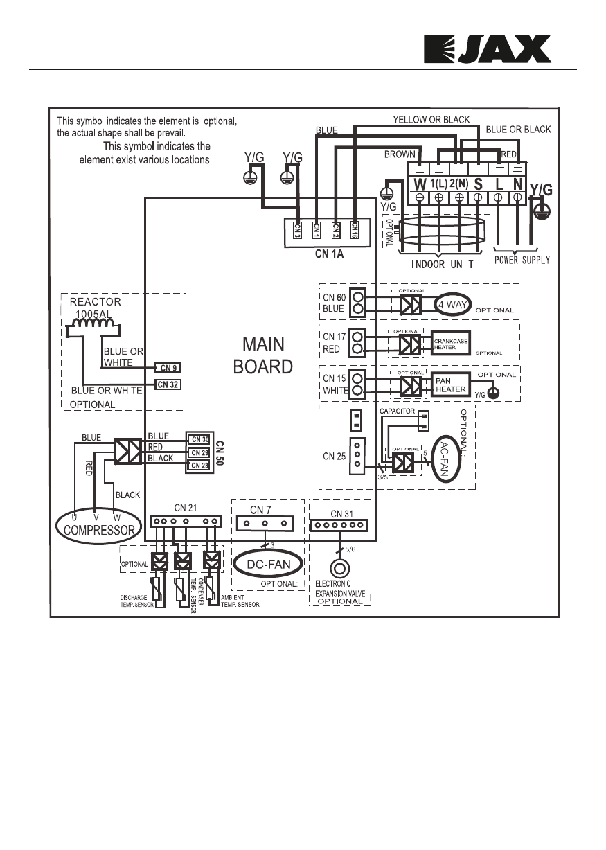
Внешний блок ACI-10HE NEO, ACI-14HE NEO, ACI-20HE NEO
к W, 1 (l), 2 (N), должна быть
выбрана в соответствии
с максимальным током системы.
Максимальный ток системы равен
сумме номинальных токов
внутреннего и наружного блоков.
Примечание: в соответствии
с требованиями резервного
управления площадь поперечного
сечения кабеля, подключенного




