Кондиционеры Bomann CL 6045 - инструкция пользователя по применению, эксплуатации и установке на русском языке. Мы надеемся, она поможет вам решить возникшие у вас вопросы при эксплуатации техники.
Если остались вопросы, задайте их в комментариях после инструкции.
"Загружаем инструкцию", означает, что нужно подождать пока файл загрузится и можно будет его читать онлайн. Некоторые инструкции очень большие и время их появления зависит от вашей скорости интернета.

Кондиционер. Руководство по эксплуатации
7
4.
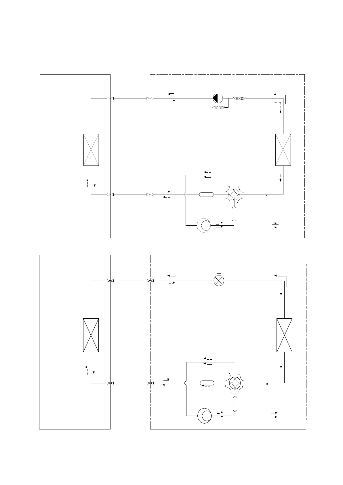
Схема цикла охлаждения
Тепловой насос
9K,12K
18K,24K
Жидкость
2-way
valve
Газ
3-way
valve
Нагрев
Охлажд.
Компрессор
4-way valve
Глушитель
Muffler
Теплообмен
(Конденсатор)
Capillary
Check
valve
Теплообмен
(испаритель)
Жидкость
2-way
valve
Газ
3-way
valve
Нагрев
Охлажд
Компрессор
4-way
valve
Глушитель
Muffler
Теплообмен
(Конденсатор)
Electronic
expansion
valve
Теплообмен
(испаритель)
2-
сторонний
клапан
3-
сторонний
клапан
Глушитель
3-
сторонний
клапан
Обратный
клапан
2-
сторонний
клапан
3-
сторонний
клапан
4-
сторонний
клапан
Глушитель
Электронный
расширительный
кла
Капилляры
Содержание
- 3 Часть; Важные замечания; характеристики каждого прибора указаны на заводской табличке.
- 4 Технические характеристики; Пок
- 5 Кривая зависимости ШУМ; Шум охлаждения в
- 6 Габариты прибора; Внутренний блок; Внешний блок; Внутренний; Модель
- 7 Схема цикла охлаждения; valve
- 8 Электрическая схема; Схема подключения; ВНУТРЕННИЙ БЛОК; POWER
- 9 СХЕМА ПЕЧАТНОЙ ПЛАТЫ; Внутренняя печатная плата; Вид снизу
- 11 Вид сверху
- 12 Примечание
- 13 КНОПКА ВКЛ; представленных в настоящем Руководстве.
- 14 ДИСПЛЕЙ пульта дистанционного управления; Значение символов; GEN
- 15 Электронное управление; Автоматический режим; Контроль температуры:
- 16 Управление двигателем вентилятора внешнего блока; ) В то время как прибор; соответствии с настройками.; Защита от замерзания; , скорость увеличения частоты составляет 1 Гц / 60 с, медленно
- 17 Режим осушения
- 18 ВЫКЛ; ST
- 19 Оттаивание; Запуск оттаивания; Завершение оттаивания
- 20 Обогрев; Режим вентилятора; Диапазон температур; Таймер; ТАЙМЕР ВКЛЮЧЕН; Спящий режим; SLEEP; Экстренная кнопка (аварийное отключение)
- 21 Автоматический перезапуск; Защита от перегрузки
- 22 Защита от перегрузки по току; Дополнение; ТУРБО; PCB
- 23 РУКОВОДСТВО ПО ИСПОЛЬЗОВАНИЮ WIFI; Для установки приложения на смартфон Вы можете отсканировать QR; TCL; Internet; TCL AC; ODU
- 24 PART; Заметки по установке и обслуживанию прибора; квалифицированным сертифицированным специалистом.; Предупреждения; Меры предосторожности по электробезопасности.
- 25 Меры предосторожности при установке прибора; прибор весит более 20 кг.; электрическим током или травме.; 0 секунд полностью закройте клапан на стороне
- 26 активных или; Введение. Установка кондиционера R32, R290; Где LFL; For the appliances with a charge amount m1
- 27 Категория; GG; LFL
- 28 сертификатами запрещается производить обслуживание прибора.; Принципы безопасной установки; Безопасное расположение; Запрет на открытый огонь; Запрет на открытый огонь; Безопасная установка; Осторожно; для R32, которые легко вызывают открытый огонь, в том числе,
- 29 Специальные инструменты; Инструмент; Мини; Обслуживание прибора
- 30 работоспособным огнетушителем.; (2) Осмотр оборудования для технического обслуживания; Предупреждение; ). Принципы безопасности при обслуживании
- 31 следует носить антистатическую одежду и перчатки.; ). Требования к месту проведения ремонта; и не располагаться в подвале.
- 32 ). Обслуживание электрических компонентов
- 33 чрезвычайной ситуацией на месте и отрезать источник утечки.
- 34 Установка
- 35 Аксессуары; Изоляционный
- 36 ВНЕШНИЙ БЛОК; Потребляемый; Установка монтажного блока
- 37 Внутри
- 38 Удлинение трубы
- 39 Установка внешнего блока; Электронные соединения; Wiring diagram on the back of the cover; Подсоединение трубы; Винт
- 40 Подготовка; Пробная эксплуатация; Проверка на герметичность и утечку; Использование вакуумного насоса
- 41 Обслуживание
- 42 Как указано в кодах неисправностей, некоторые из кодов (
- 43 Устранение неисправностей
- 44 температуры змеевика.
- 46 PG
- 47 or
- 48 Если прибор 6 раз непрерывно останавливается для защиты IPM
- 50 Неисправность датчика проверки напряжения внешнего блока; течение 3 с, прибор будет отображать код ошибки EU.
- 51 Защита IPM
- 52 Защита от повышенного/пониженного напряжения; Испытательное напряжение между
- 53 Защита от сверхтока; Примечание: для разных моделей переменного тока
- 54 Защита внешнего блока от перегрева при температуре нагнетания
- 55 Защита от переохлаждения в режиме охлаждения/осушения; IPT; после запуска компрессора в течение 6 минут, ЦП
- 56 Защита от перегрева в режиме охлаждения; выключит наружный блок и отобразит код неисправности
- 57 В режиме обогрева, когда температура змеевика испарителя IDU≥62
- 58 Наружная защита от перегрева/понижения температуры; секундной
- 59 Система охлаждения. Защита от аномального расхода газа; ходовой или 3
- 60 Компрессор; отображаться защита
- 61 Температурная защита модуля; Защита от перегрева IPM, когда температура IPM превышает 95
- 62 ходовой клапан работает ненормально; или
- 63 Защита от утечки газа
- 64 Покомпонентное изображение и список деталей; No детали
- 65 Наружный блок
- 72 Демонтаж внутреннего и внешнего блоков; Демонтаж внутреннего блока; Шаги
- 76 Демонтаж наружного блока; Снимите крышку печатной платы, крышку клапана и верхнюю крышку
- 78 Демонтаж лопастного вентилятора
- 80 Шаг
- 81 ПРИЛОЖЕНИЕ; Фаренгейта; Соединительные трубы, размер и длина для установки
- 82 Приложение 3 Развальцовка труб
- 83 Приложение 4 ТЕМПЕРАТУРНЫЕ ХАРАКТЕРИСТИКИ ТЕРМИСТОРОВ; температуры наружного воздуха
Характеристики
Остались вопросы?Не нашли свой ответ в руководстве или возникли другие проблемы? Задайте свой вопрос в форме ниже с подробным описанием вашей ситуации, чтобы другие люди и специалисты смогли дать на него ответ. Если вы знаете как решить проблему другого человека, пожалуйста, подскажите ему :)













