Кондиционеры AEG KWI 18HU - инструкция пользователя по применению, эксплуатации и установке на русском языке. Мы надеемся, она поможет вам решить возникшие у вас вопросы при эксплуатации техники.
Если остались вопросы, задайте их в комментариях после инструкции.
"Загружаем инструкцию", означает, что нужно подождать пока файл загрузится и можно будет его читать онлайн. Некоторые инструкции очень большие и время их появления зависит от вашей скорости интернета.
Загружаем инструкцию

49
Для установщика
ру
сский
N
1
N
L
N
L
S1
F1
KWI 0909 HU
KWI 1212 HU
5.8 m
5.8 m
KWA 0909 HU
KWA 1212 HU
N
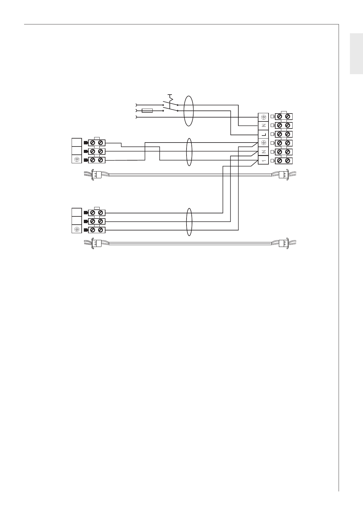
L
26_06_01_0562
Содержание
- 2 Для пользователя и установщика; Общие указания
- 3 Безопасность; Указания по технике безопасности
- 4 Рекомендации по оптимальной эксплуатации устройства в; Маркировка CE и заводская табличка; Описание устройства; Применение по назначению
- 5 Конструкция устройства; Комнатный кондиционер; Принцип работы; Принцип работы в режиме охлаждения
- 6 Управление; Предварительные установки; Вставить батарейки в пульт дистанционного управления; Панель управления комнатного кондиционера
- 7 Пульт дистанционного управления для; Использование пульта дистанционного управления
- 8 Включение устройства; MODE; Установка режима «осушение» (dehumidifying)
- 9 Настройка автоматического режима работы SMART
- 10 CLOCK - настройка времени; TIMER ON
- 11 Выключение устройства на длительное время; Очистка; Очистка корпуса; Опасность травмирования!; Опасность повреждения!
- 12 Устранение неисправностей; Если Вы предполагаете наличие неисправности; Предполагаемая неисправность
- 13 Эти неисправности можно устранить самостоятельно
- 14 Технические характеристики
- 15 Утилизация; Утилизация транспортировочного и упаковочного материала; Утилизация старого оборудования и устройств в Германии; Утилизация за пределами Германии
- 17 Руководство по монтажу; Относительно электрических систем и компонентов:; Комплект поставки и принадлежности
- 18 Для установщика; Мероприятия, которые необходимо выполнить
- 20 Монтаж внутреннего блока
- 21 Монтаж наружного блока
- 22 Откачка воздуха и заполнение холодильного контура; Указание по технике безопасности:
- 23 Электрическое подключение; затем подключение к сети.; Подключение к сети; Указание по технике безопасности!; Электрический монтаж
- 24 Схемы электрических подключений