Кондиционеры Green GRI/GRO-36HH2 - инструкция пользователя по применению, эксплуатации и установке на русском языке. Мы надеемся, она поможет вам решить возникшие у вас вопросы при эксплуатации техники.
Если остались вопросы, задайте их в комментариях после инструкции.
"Загружаем инструкцию", означает, что нужно подождать пока файл загрузится и можно будет его читать онлайн. Некоторые инструкции очень большие и время их появления зависит от вашей скорости интернета.

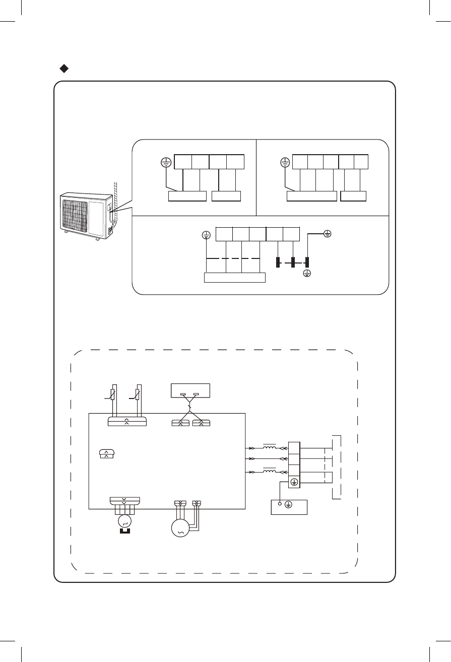
Электрическая схема подключения
29
T-SENSOR
TEMP.
SENSOR
TEMP.
SENSOR
RT1
ROOM
TUBE
STEPPING
DISPLAY
PRINTED CIRCUIT BOARD
RECEIVER AND
DISPLAY BOARD
CABLE
CONNECTING
SWING-UD
MOTOR
BLOCK
TERMINAL
AP2
JUMP
CAP
BU
BK
YEGN
EVAPORATOR
PE
XT
2
N(1)
M2
OUTDOOR UNIT
AP1
PG
FAN MOTOR
M1
PGF
DISP1 DISP2
3
BN
YEGN
RT2
N1
COM-OUT
L
BU
BK
BN
L
L
GRI-07IG
2
/GRO-07IG
2
GRI-09IG
2
/GRO-09IG
2
GRI-12IG
2
/GRO-12IG
2
● Наружный блок
GRI-07
HH
2/GRO-07
HH
2
GRI-09HH2/GRO-09HH2 GRI-12HH2/GRO-12HH2
GRI-
18HH
2/GRO-
18HH
2
GRI-24HH2/GRO-24HH2 GRI-30HH2/GRO-30HH2 GRI-36HH2/GRO-36HH2
N(1) 2
4
5
голу-
бой
желтый-
зеленый
Подключ. к внутр. блоку
07,09,12,
18K с тепловым насосом:
N(1) 2
3
4
24K с тепловым насосом:
5
30, 36K
с тепловым насосом:
N(1)
2
3
L
N
L
N
Мощность
чер-
ный
фио-
лет.
оран-
жевый
Подключ. к внутр. блоку
желтый-
зеленый
голу-
бой
чер-
ный
корич-
невый
корич.
(черн.)
голу-
бой
желтый-
зеленый
Подключ. к внутр. блоку
желтый-
зеленый
голу-
бой
чер-
ный
корич-
невый
фио-
лет.
оран-
жевый
Содержание
- 2 Эксплуатация и обслуживания – правила эксплуатации
- 3 Правила эксплуатации
- 4 компрессора и защитит прибор.; Принцип работы и специальные функции при нагреве; другими отопительными приборами.
- 5 После окончания автоматического размораживания.; Мягкий и слабый воздушный поток; а жалюзи - поворачиваться в определенное положение:; для модели IG; Рабочий диапазон температур; для модели
- 6 Названия и функции каждой детали; дистанционного; Внутренний блок; Наружный блок; Пульт; Вход воздуха
- 7 Названия и функции на пульте дистанционного управления; MODE Кнопка выбора режима; Работа пульта дистанционного управления; LIGHT
- 9 SWING
- 11 О функции AUTO RUN (Автоматическая работа)
- 12 есть подсветка индикатора.; Работа в чрезвычайных ситуациях; Открыв панель, ручной выключатель можно найти на коробке дисплея.; выключатель
- 13 Чистка и уход за прибором; Снимите воздушный фильтр
- 14 Проверьте надежность соединения провода заземления.; Обслуживание после окончания работы; Очистите наружный блок от пыли и мусора.
- 15 Технические
- 18 Устранение неисправностей; Проблема; пункты, это поможет сэкономить время и деньги.
- 20 В следующих ситуациях немедленно остановите работу; ˇ ˆ
- 21 Правила установки; Важные замечания
- 22 Схема установке с размерами
- 23 Схема установки с размерами
- 24 Внутренняя
- 26 Подключение
- 28 Правильно
- 29 Установка снегозащитного ограждения; установки наружных блоков.
- 30 Электрическая схема подключения; ● Наружный блок
- 33 СПИСОК СЕРВИСНЫХ ЦЕНТРОВ; Леваневского
- 35 не должны выбрасываться вместе с обычными бытовыми отходами.; Для промышленных потребителей в Европейском Союзе; или к дилеру и узнайте правильный метод утилизации.; Примечание относительно символа батарейки (два нижних; годам; Срок службы
- 38 Импортер: ООО «ВИЗОР»; Сертификат соответствия:












