Gree GWH18QD-K3NNC2A - Инструкция по эксплуатации - Страница 25

Кондиционеры Gree GWH18QD-K3NNC2A - инструкция пользователя по применению, эксплуатации и установке на русском языке. Мы надеемся, она поможет вам решить возникшие у вас вопросы при эксплуатации техники.

Если остались вопросы, задайте их в комментариях после инструкции.

"Загружаем инструкцию", означает, что нужно подождать пока файл загрузится и можно будет его читать онлайн. Некоторые инструкции очень большие и время их появления зависит от вашей скорости интернета.
Страница:
/ 28
Загружаем инструкцию
background image

25

РУКОВОДСТВО ПОЛЬЗОВАТЕЛЯ

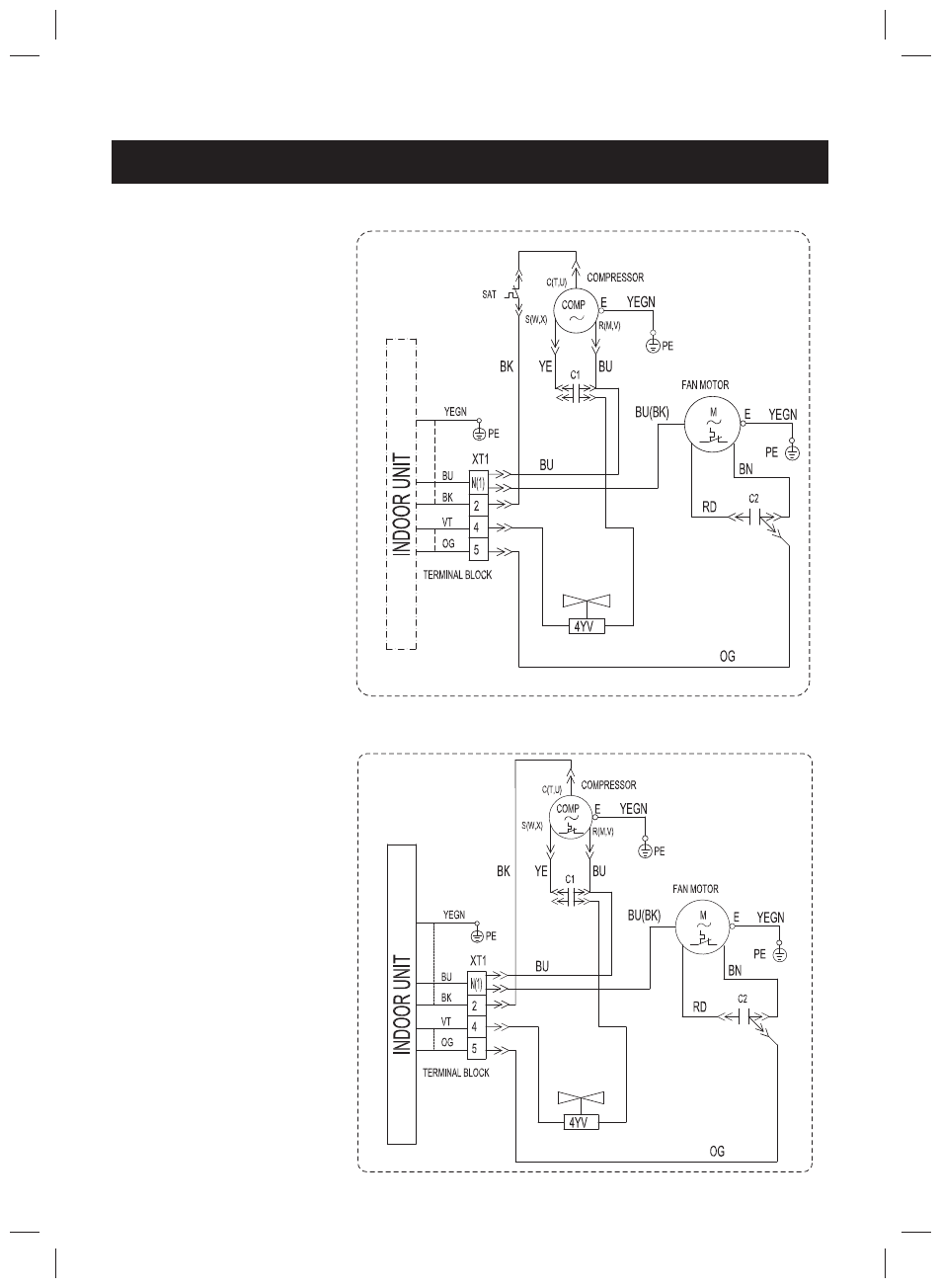
ЭЛЕКТРИЧЕСКИЕ СХЕМЫ БЛОКОВ

Наружные блоки:

GWH07QA-K3NNA1A/O

GWH09QB-K3NNA1A/O, 
GWH12QC-K3NNA1A/O

Полезные видео

Характеристики

Оцените статью
tehnopanorama.ru
Остались вопросы?

Не нашли свой ответ в руководстве или возникли другие проблемы? Задайте свой вопрос в форме ниже с подробным описанием вашей ситуации, чтобы другие люди и специалисты смогли дать на него ответ. Если вы знаете как решить проблему другого человека, пожалуйста, подскажите ему :)

Задать вопрос

Часто задаваемые вопросы
Как посмотреть инструкцию к Gree GWH18QD-K3NNC2A?
Необходимо подождать полной загрузки инструкции в сером окне на данной странице
Руководство на русском языке?
Все наши руководства представлены на русском языке или схематично, поэтому вы без труда сможете разобраться с вашей моделью
Как скопировать текст из PDF?
Чтобы скопировать текст со страницы инструкции воспользуйтесь вкладкой "HTML"