Кондиционеры Gree GFH 36 K3BI/GUHN 36 NK3AO - инструкция пользователя по применению, эксплуатации и установке на русском языке. Мы надеемся, она поможет вам решить возникшие у вас вопросы при эксплуатации техники.
Если остались вопросы, задайте их в комментариях после инструкции.
"Загружаем инструкцию", означает, что нужно подождать пока файл загрузится и можно будет его читать онлайн. Некоторые инструкции очень большие и время их появления зависит от вашей скорости интернета.

34
Инструкция по эксплуатации
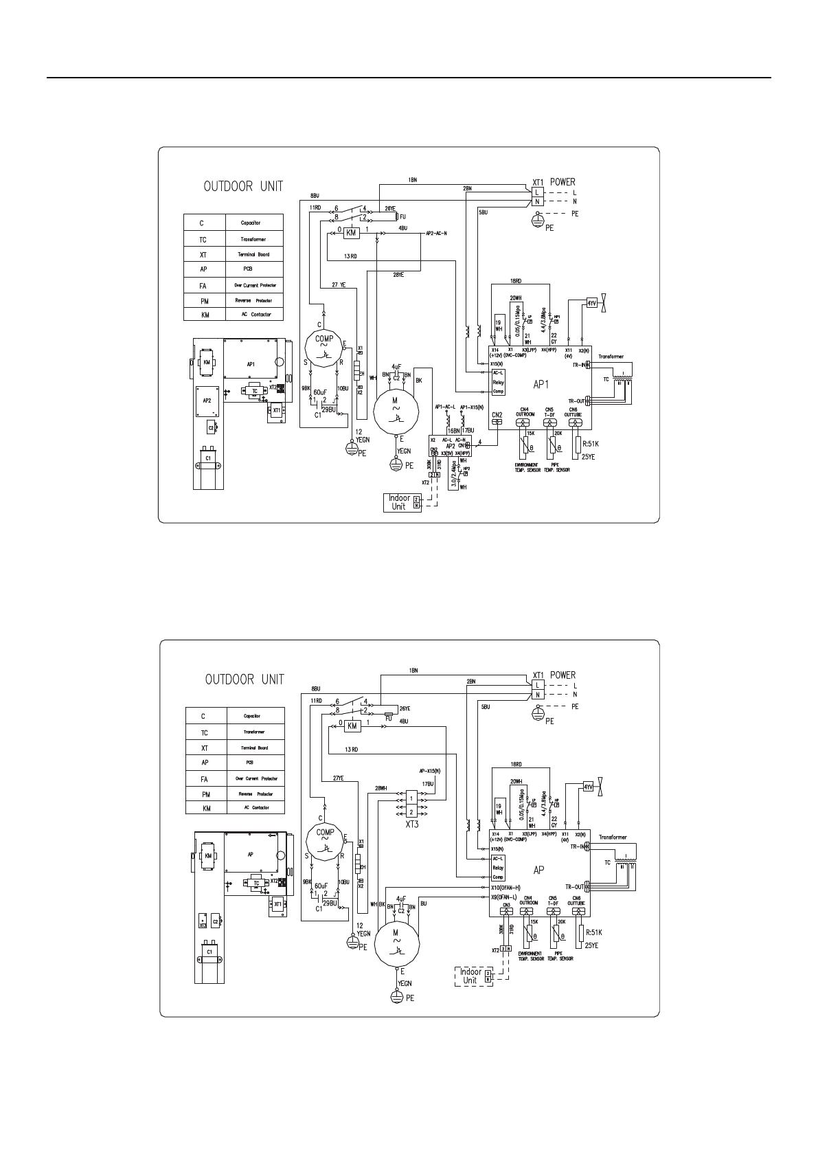
11.3 Схема электрическая общая наружного блока GUHN24NK3AO с установленным
низкотемпературным комплектом
11.3.1 Схема электрическая общая наружного блока GUHN24NK3AO без низкотемпе-
ратурного комплекта
Содержание
- 3 Установленный срок службы 7 лет.; Содержание
- 4 Требования электробезопасности
- 5 Типы блоков и обозначение; Условное обозначение блоков
- 7 Технические характеристики; Технические параметры наружных блоков
- 9 параметрах температуры воздуха:
- 10 Условия эксплуатации
- 11 Тset + 1 °С, включается средняя скорость
- 12 Управление кондиционером при помощи инфракрасного пульта ДУ
- 21 Кнопки и индикация
- 23 Техническое обслуживание
- 24 размещении; Габаритные и установочные размеры наружных блоков
- 25 Габаритные и установочные размеры блоков канального типа
- 27 Модель
- 28 0 Подключение к электросети
- 33 1 Схемы электрические; низкотемпературным комплектом

