Кондиционеры Gree FGR 30 BNa-M - инструкция пользователя по применению, эксплуатации и установке на русском языке. Мы надеемся, она поможет вам решить возникшие у вас вопросы при эксплуатации техники.
Если остались вопросы, задайте их в комментариях после инструкции.
"Загружаем инструкцию", означает, что нужно подождать пока файл загрузится и можно будет его читать онлайн. Некоторые инструкции очень большие и время их появления зависит от вашей скорости интернета.
Загружаем инструкцию

35
РУКОВОДСТВО ПО УСТАНОВКЕ И ЭКСПЛУАТАЦИИ
F G R 4 0 / B N a - M ( O )
Содержание
- 2 РУКОВОДСТВО ПО УСТАНОВКЕ
- 3 РУКОВОДСТВО ПО УСТАНОВКЕ И ЭКСПЛУАТАЦИИ; СОДЕРЖАНИЕ; Подключение кабелей электропитания и межблочных
- 4 НАЗНАЧЕНИЕ КОНДИЦИОНЕРА; Кондиционер осуществляет:; Общие указания; листами в соответствии с действующими нормативными правилами.; ТРЕБОВАНИЯ БЕЗОПАСНОСТИ
- 5 ТЕХНИЧЕСКИЕ ДАННЫЕ; Общие требования безопасности; не вставляйте пальцы и другие предметы в решетки.; причинению вреда жизни и здоровью.; ние технических характеристик и состава действующих моделей.
- 8 УСТРОЙСТВО И ПРИНЦИП РАБОТЫ КОНДИЦИОНЕРА; Состав кондиционера; в соответствии с рисунком 4.1
- 9 УПРАВЛЕНИЕ КОНДИЦИОНЕРОМ; Максимальная д лина провода может быть 20 м.
- 12 — Ох лаж дение COOLING
- 13 димое время вык лючения и нажать кнопк у TIMER д ля подтверж дения.
- 16 Save, то параметры температуры определяются режимом AUTO.; Save; одновременно и удерживайте в течение 5 сек. д ля вызова меню.
- 19 Центральный пульт управления с недельным таймером; К одному центральному пульту может
- 20 Схема подк лючения пульта централизованного управления
- 21 УКАЗАНИЯ ПО ЭКСПЛУАТАЦИИ
- 22 Установочные размеры вну тренних блоков; ГАБАРИТНЫЕ И УСТАНОВОЧНЫЕ РЗМЕРЫ БЛОКОВ; Модель блока
- 24 Регулировка ремня привода вентилятора; Дренажная труба должна быть установлена с уклоном по ходу слива.
- 25 Регулировка натяжения ремня привода
- 26 Диаметр малого
- 27 0 МОНТАЖ ФРЕОНОВЫХ ТРУБОК; Не допускается замятие трубки в сечении.
- 28 Монтажное отверстие в стене
- 29 трубка должны быть оберну ты монтажной липкой лентой; 1 Подключение кабелей электропитания
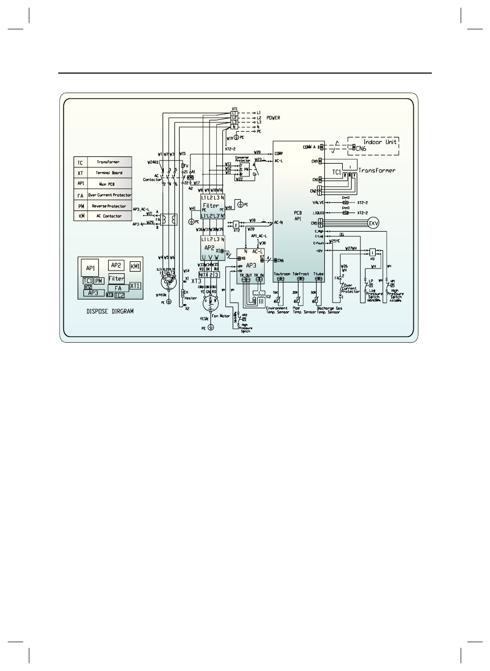
- 33 2 СХЕМЫ ЭЛЕКТРИЧЕСКИЕ БЛОКОВ

