Кондиционеры Energolux LAUSANNE áåëûé SAS18L4-A/SAU18L4-A - инструкция пользователя по применению, эксплуатации и установке на русском языке. Мы надеемся, она поможет вам решить возникшие у вас вопросы при эксплуатации техники.
Если остались вопросы, задайте их в комментариях после инструкции.
"Загружаем инструкцию", означает, что нужно подождать пока файл загрузится и можно будет его читать онлайн. Некоторые инструкции очень большие и время их появления зависит от вашей скорости интернета.
Загружаем инструкцию

5
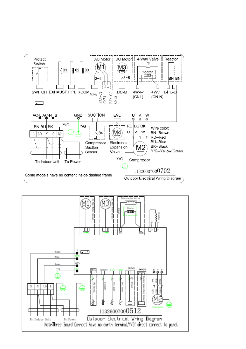
Электрическиесхемы
Внутренние блоки
SAS07L
4
-A, SAS09L
4
-A
, SAS12L4-A, SAS18L4-A
SAS
24
L
4
-A
Содержание
- 2 Используемые обозначения; ПРИ МЕ ЧА НИЕ; Содержание
- 4 Устройство кондиционера
- 8 Управление кондиционером; • Для включения кондиционера кратковре; Примечание
- 9 Управлениекондиционером; Кнопка СОН – установка ночного режима.
- 11 Панель индикации на внутреннем блоке; внутренниеблокисерииLK
- 12 »или; ЖАЛЮЗИ; Основные функции управления
- 13 HEALTH; Android
- 15 Меры предосторожности
- 16 Уход и обслуживание; Чистка передней панели
- 17 Технические характеристики; Техническиехарактеристики
- 18 Устранение неисправностей; Эффекты, не связанные с нарушением
- 19 Срок эксплуатации
- 20 Условия эксплуатации; Чрезмерный шум; Предварительный нагрев.; Комплектация; Утилизация прибора; Дата изготовления
- 21 Сертификация продукции; Товар соответствует требованиям:; Технического регламента Таможенного союза; Импортер в РФ и уполномоченная
- 22 ФИО монтажника /подпись/
- 24 ГАРАНТИЙНЫЙ ТАЛОН; ТИП; Поздравляем Вас с приобретением техники отлич-
- 28 сохраняется у клиента; УНИВЕРСАЛЬНЫЙ ОТРЫВНОЙ ТАЛОН; УНИВЕРСАЛЬНЫЙ ОТРЫВНОЙ ТАЛОН