Кондиционеры Dantex RK-36BHG3N 36BG3003 - инструкция пользователя по применению, эксплуатации и установке на русском языке. Мы надеемся, она поможет вам решить возникшие у вас вопросы при эксплуатации техники.
Если остались вопросы, задайте их в комментариях после инструкции.
"Загружаем инструкцию", означает, что нужно подождать пока файл загрузится и можно будет его читать онлайн. Некоторые инструкции очень большие и время их появления зависит от вашей скорости интернета.

3
4
ПРЕДУПРЕЖДЕНИЕ
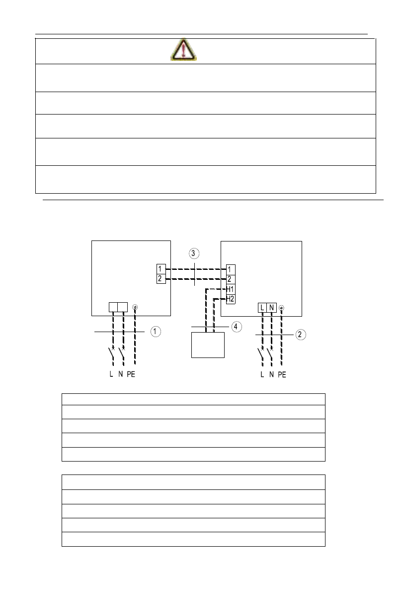
①
. Перед началом работы отключите внутренний и наружный блоки от сети
электропитания.
②
. Соотнесите номера на клемме и цвета соединительных слаботочных
проводов с контактами на внутреннем блоке.
③
. Некорректное подключение электропроводки может привести к выходу из
строя платы управления блока.
④
. Подключите слаботочный кабель к клемме и надежно зафиксируйте его
положение. Некорректное подключение может стать причиной возгорания.
⑤
. Всегда фиксируйте кабели с помощью хомута. (Ненадежно
зафиксированный кабель может привести к утечке электрического тока).
(4) Электрические подключения между внутренним и наружным блоками
RK-18
B
HG3N + RK-18HG3NE-W
RK-24
B
HG3N + RK-24HG3NE-W
L N
RK-18
B
HG3N + RK-18HG3NE-W
①
Силовой кабель 3×1,5 мм
2
②
Силовой кабель 3×1,5 мм
2
③
Кабель связи 2×0,75 мм
2
④
Кабель связи 2×0,75 мм
2
RK-24
B
HG3N + RK-24HG3NE-W
①
Силовой кабель 3×2,5 мм
2
②
Силовой кабель 3×1,0 мм
2
③
Кабель связи 2×0,75 мм
2
④
Кабель связи 2×0,75 мм
2
Электропитание: 380-415 В 3N ~ 50 Гц
Электропитание: 220-240 – 50 Гц
Наружный блок
Внутренний блок
Проводной пульт
управления
Защитный
автомат
Защитный
автомат