Кондиционеры Dantex RK-24SSI2 64938248 - инструкция пользователя по применению, эксплуатации и установке на русском языке. Мы надеемся, она поможет вам решить возникшие у вас вопросы при эксплуатации техники.
Если остались вопросы, задайте их в комментариях после инструкции.
"Загружаем инструкцию", означает, что нужно подождать пока файл загрузится и можно будет его читать онлайн. Некоторые инструкции очень большие и время их появления зависит от вашей скорости интернета.

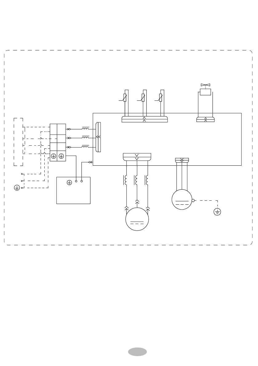
ПЛАТА УПРАВЛЕНИЯ
МАГНИТНОЕ
КОЛЬЦО
ЗАЗЕМЛЕНИЕ
3(
КОМПРЕССОР
ЭЛЕКТРОПИТАНИЕ
ДВИГАТЕЛЬ
ВЕНТИЛЯТОРА
ВНУТРЕННИ
Й
БЛОК
Электрические схемы
внутренних и наружных
блоков
53
RK-
09
SSI
2
E
, RK-12SSI2E
97
97
:$<
<9
76(1
.
.
.
57
57
57
3(
3(
0
<(*1
2)$1
&203
%8 <( 5'
<( 5'
8
9
:
%8
(
0$*1(7,&
5,1*
/ / /
&1
&1
%8
%.
%1
1
/
1
/
/
%8
%.
%1
;7
/
1
<(*1
%8
%1%.
<(*1
<(*1
3(
/
<(*1
ДАТЧИК
ТЕМПЕРАТУРЫ
КОНДЕНСАТОРА
ДАТЧИК
УЛИЧНОЙ
ТЕМПЕРАТУРЫ
ДАТЧИК
ТЕМПЕРАТУРЫ
НАГНЕТАНИЯ
4-Х ХОДОВОЙ
КЛАПАН
КЛЕММА
БЛОК
УПРАВЛЕНИЯ