Кондиционеры Dantex RK-24SMI 64874803 - инструкция пользователя по применению, эксплуатации и установке на русском языке. Мы надеемся, она поможет вам решить возникшие у вас вопросы при эксплуатации техники.
Если остались вопросы, задайте их в комментариях после инструкции.
"Загружаем инструкцию", означает, что нужно подождать пока файл загрузится и можно будет его читать онлайн. Некоторые инструкции очень большие и время их появления зависит от вашей скорости интернета.
Загружаем инструкцию
 
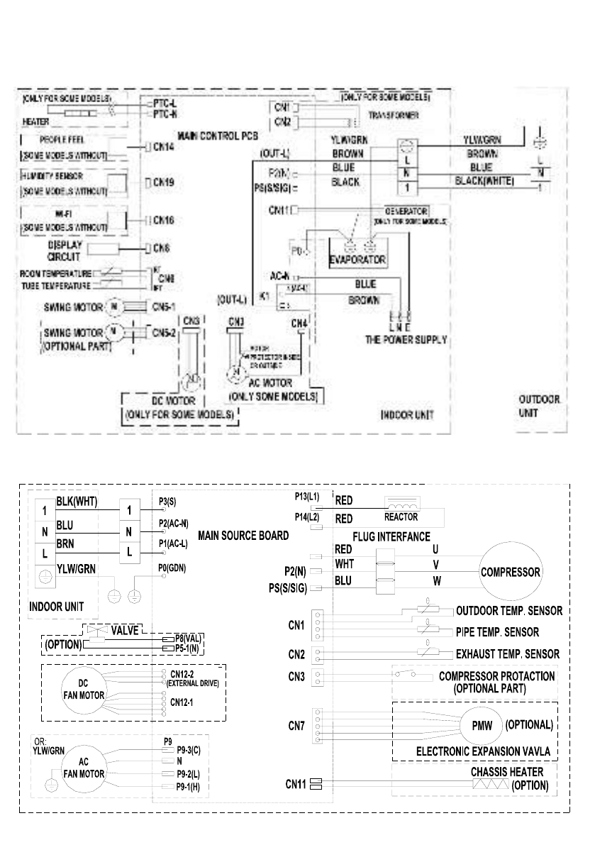
Электрическая схема внутренних и наружных блоков
Внешние блоки
30
Внутренние блоки
RK-09-18SMI/RK-09-18SMIE
Содержание
- 3 ПРАВИЛА ТЕХНИКИ БЕЗОПАСНОСТИ И РЕКОМЕНДАЦИИ ПО УСТАНОВКЕ
- 4 ПРАВИЛА ТЕХНИКИ БЕЗОПАСНОСТИ И РЕКОМЕНДАЦИИ ДЛЯ ПОЛЬЗОВАТЕЛЕЙ
- 5 ПРАВИЛА БЕЗОПАСНОСТИ И ЗАПРЕТНЫЕ ДЕЙСТВИЯ
- 6 НАИМЕНОВАНИЕ ЧАСТЕЙ
- 8 ФУНКЦИЯ АВАРИЙНОГО И АВТОМАТИЧЕСКОГО ПЕРЕЗАПУСКА; Форма и положение переключателей и индикаторов
- 11 Предварительные инструкции
- 15 РЕЖИМ ВЕНТИЛЯЦИИ; РЕЖИМ ОСУШЕНИЯ
- 23 трехходовой вентиль
- 26 мм
- 27 ТЕХНИЧЕСКОЕ ОБСЛУЖИВАНИЕ; ВНУТРЕННИЙ БЛОК
- 28 УСТРАНЕНИЕ НЕИСПРАВНОСТЕЙ; НЕИСПРАВНОСТЬ
- 29 Размеры внутренних и наружных блоков; SMI; Модель; Единица
- 34 ДАННЫЕ ПО ЭНЕРГОЭФФЕКТИВНОСТИ

 
  
  
  
  
  
  
  
  
  
  
  
  
  
  
  
  
  
  
  
  
  
  
  
  
  
  
  
  
  
  
  
  
  
  
 











