Кондиционеры Dantex RK-24SATI/RK-24SATIE êîìïëåêò 64942753 - инструкция пользователя по применению, эксплуатации и установке на русском языке. Мы надеемся, она поможет вам решить возникшие у вас вопросы при эксплуатации техники.
Если остались вопросы, задайте их в комментариях после инструкции.
"Загружаем инструкцию", означает, что нужно подождать пока файл загрузится и можно будет его читать онлайн. Некоторые инструкции очень большие и время их появления зависит от вашей скорости интернета.

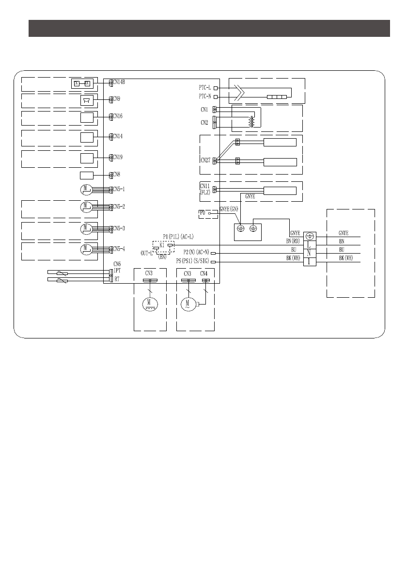
ЭЛЕКТРИЧЕСКИЕ СХЕМЫ
Внутренние блоки RK-07SATI ~ RK-24SATI
ПЛАТА УПРАВЛЕНИЯ
Наружный
блок
41
Трансформатор
УФ лампа
(опция)
Датчик температуры испарителя
Датчик температуры в помещении
Дисплей
Двигатель жалюзи
(опция)
Нагреватель картера
(опция)
Испаритель
Генератор
(опция)
Генератор
(опция)
Двигатель жалюзи
(опция)
Двигатель жалюзи
(опция)
Двигатель жалюзи
(опция)
WiFi (опция)
DC двигатель
вентилятора
(опция)
AC двигатель
вентилятора
(опция)
Аудио (опция)
People feel
(опция)
Датчик влажности
(опция)
ИК датчик (опция)