Кондиционеры Dantex RK-12SSI 64874805 - инструкция пользователя по применению, эксплуатации и установке на русском языке. Мы надеемся, она поможет вам решить возникшие у вас вопросы при эксплуатации техники.
Если остались вопросы, задайте их в комментариях после инструкции.
"Загружаем инструкцию", означает, что нужно подождать пока файл загрузится и можно будет его читать онлайн. Некоторые инструкции очень большие и время их появления зависит от вашей скорости интернета.

42
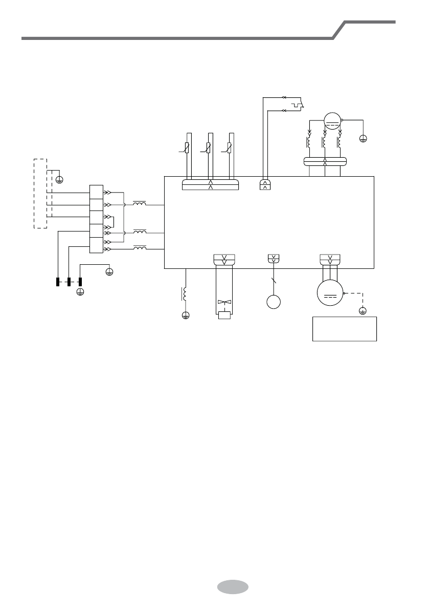
Электрические схемы
внутренних
и наружных блоков
RK-24SSIE
$&B/
1
&20B,11(5
%.
:+
%8 <(
;
&203
6$7
:+
:+
29&B&203
5'
57
57
57
3(
3(
%8 <( 5'
8%8 9<( :5'
<(*1
ТОКОВАЯ ЗАЩИТА
/
5,1*
/
/
3(
<(*1
3(
(.9
0
3(
<9
97
97
)$
2)$1
:$<
<(*1
3(
$3
8
9
:
/
7B6(1625
%1%.
/
/
3(
<(*1
%8
%1
%8
%1
%.
/
;7
%8
%.
%1
1
/
1
3(
%8
<(*1
/ 1
.
.
.
КЛЕММА
ПЛАТА УПРАВЛЕНИЯ
РЕАКТОР
4-Х ХОДОВОЙ
МАГНИТНОЕ
КОЛЬЦО
КЛАПАН
КОМПРЕССОР
ЭЛЕКТРОПИТАНИЕ
ДВИГАТЕЛЬ
ВЕНТИЛЯТОРА
ВНУТРЕННИЙ БЛОК
ДАТЧИК
ТЕМПЕРАТУРЫ
КОНДЕНСАТОРА
ДАТЧИК УЛИЧНОЙ
ТЕМПЕРАТУРЫ
ДАТЧИК
ТЕМПЕРАТУРЫ
НАГНЕТАНИЯ
ЭЛЕКТРОННЫЙ
РАСШИРИТЕЛЬНЫЙ
ВЕНТИЛЬ

 
  
  
  
  
  
  
  
  
  
  
  
  
  
  
  
  
  
  
  
  
  
  
  
  
  
  
  
  
  
  
  
  
  
  
  
  
  
  
  
  
  
  
  
  
  
  
  
 











