Кондиционеры Dantex RK-12ENT4/ RK-12ENT4E êîìïëåêò 64942654 - инструкция пользователя по применению, эксплуатации и установке на русском языке. Мы надеемся, она поможет вам решить возникшие у вас вопросы при эксплуатации техники.
Если остались вопросы, задайте их в комментариях после инструкции.
"Загружаем инструкцию", означает, что нужно подождать пока файл загрузится и можно будет его читать онлайн. Некоторые инструкции очень большие и время их появления зависит от вашей скорости интернета.

Внутренние блоки
RK-09ENT4E ~ RK-24ENT4E
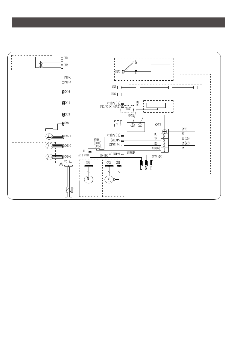
ЭЛЕКТРИЧЕСКИЕ СХЕМЫ
Электропитание 220 В, 1Ф
Трансформатор
Наружный
блок
Внутренний
блок
ПЛАТА УПРАВЛЕНИЯ
Дисплей
Датчик
температуры
испарителя
Испаритель
(Опция)
Двигатель жалюзи
(Опция)
(Опция)
Генератор
(опция)
Двигатель
многоскор
.
(опция)
Двигатель
вентилятора
типа PG
(опция)
Генератор
(опция)
УФ
лампа
(опция)
Датчик
температуры
в помещени
34