Кондиционеры Dantex RK-09ENT3 64935737 - инструкция пользователя по применению, эксплуатации и установке на русском языке. Мы надеемся, она поможет вам решить возникшие у вас вопросы при эксплуатации техники.
Если остались вопросы, задайте их в комментариях после инструкции.
"Загружаем инструкцию", означает, что нужно подождать пока файл загрузится и можно будет его читать онлайн. Некоторые инструкции очень большие и время их появления зависит от вашей скорости интернета.

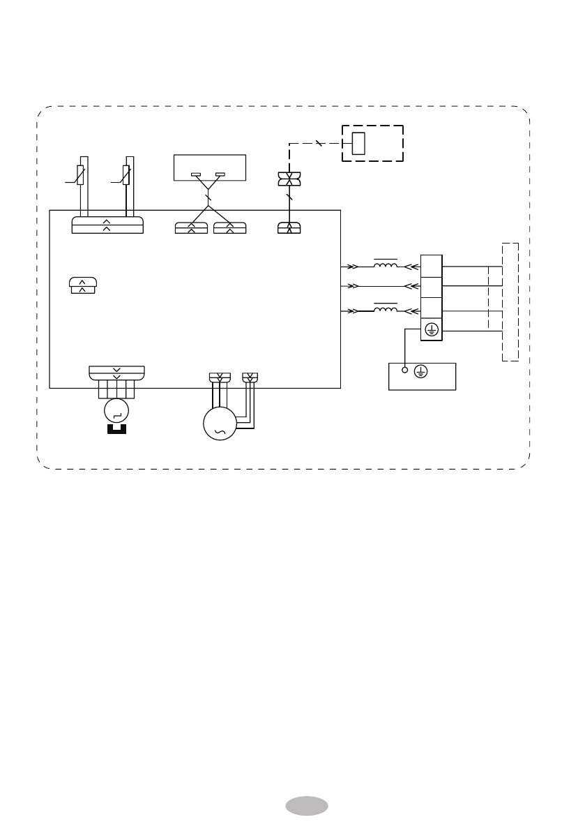
Электрические схемы
внутренних и наружных
блоков
КЛЕММА
НАРУЖНЫЙ БЛОК
МАГНИТНОЕ
КОЛЬЦО
ДАТЧИК
ТЕМПЕРАТУРЫ
ИСПАРИТЕЛЯ
$3
ДИСПЛЕЙ
ДВИГАТЕЛЬ ВЕНТИЛЯТОРА
ШАГОВЫЙ
ДВИГАТЕЛЬ
$3
ПЛАТА УПРАВЛЕНИЯ
ДАТЧИК
ТЕМПЕРАТУРЫ В
ПОМЕЩЕНИИ
52
76(1625
57
ДИСПЛЕЙ
ПРИЕМНИК И ПЛАТА
ДИСПЛЕЯ
СВЯЗИ
КАБЕЛЬ
6:,1*8'
-803
&$3
%8
%.
<(*1
ИСПАРИТЕЛЬ
3(
;7
1
0
$3
3*
0
3*)
',63 ',63
%1
<(*1
57
1
&20287
%8
%.
%1
/
/
:,),
МОДУЛЬ (ОПЦИЯ)
$3
&200$18$/
:,),
/$&/
RK-09SSI2, RK-12SSI
2













