Кондиционеры Dantex RK-07ENT4/ RK-07ENT4E êîìïëåêò 64942656 - инструкция пользователя по применению, эксплуатации и установке на русском языке. Мы надеемся, она поможет вам решить возникшие у вас вопросы при эксплуатации техники.
Если остались вопросы, задайте их в комментариях после инструкции.
"Загружаем инструкцию", означает, что нужно подождать пока файл загрузится и можно будет его читать онлайн. Некоторые инструкции очень большие и время их появления зависит от вашей скорости интернета.

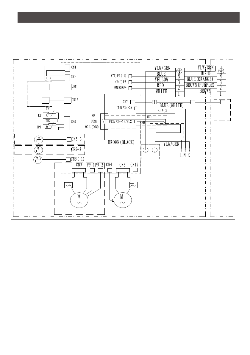
ЭЛЕКТРИЧЕСКИЕ СХЕМЫ
Внут ренние блоки RK-07ENT4
Электропитание 220 В, 1Ф
33
Трансформатор
Генератор
(опция)
Наружный
блок
Внутренний
блок
ПЛАТА УПРАВЛЕНИЯ
Двигатель жалюзи
(Опция)
(Опция)
Дисплей
WiFi
модуль
(Опция)
Датчик
температуры
испарителя
Датчик
температуры
в
помещении
(Опция)
Двигатель вентилятора типа PG
Двигатель многоскоростной
Защита внутри
или снаружи
Защита внутри
или снаружи
Испаритель













