Кондиционеры Daikin JEHSCU-CM3 - инструкция пользователя по применению, эксплуатации и установке на русском языке. Мы надеемся, она поможет вам решить возникшие у вас вопросы при эксплуатации техники.
Если остались вопросы, задайте их в комментариях после инструкции.
"Загружаем инструкцию", означает, что нужно подождать пока файл загрузится и можно будет его читать онлайн. Некоторые инструкции очень большие и время их появления зависит от вашей скорости интернета.

O-CU06-DEC14-1
All specifications are subjected to change by the manufacturer without prior notice.
The English text is the
original instruction. Other languages are the translations of the original instructions.
16
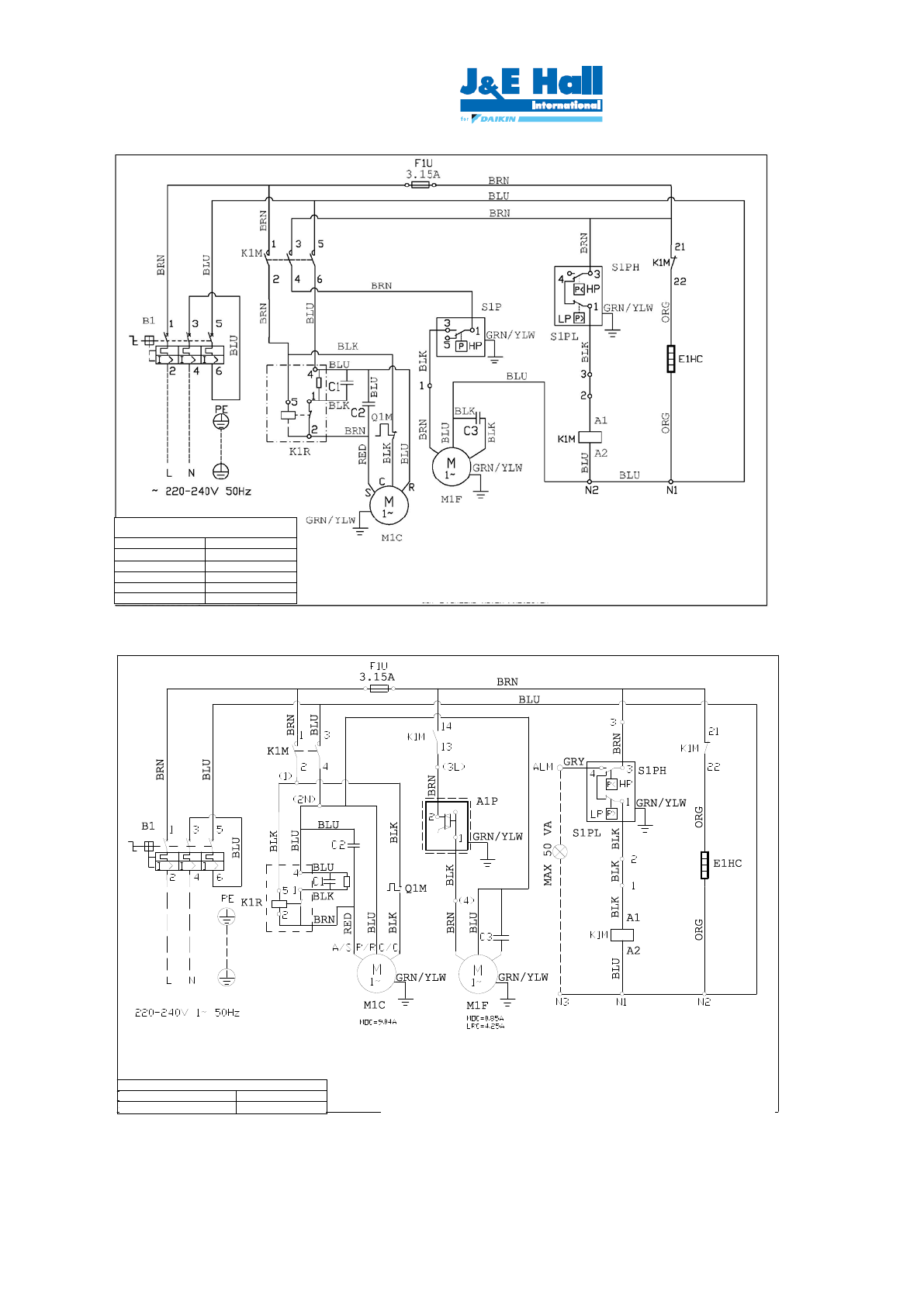
JEHCCU0067CM1; JEHCCU0095CM1; JEHCCU0100CM1; JEHCCU0113CM1; JEHCCU0115CL1
JEHCCU0140CM1
NOTE:
REMOVE LINKS 2 TO 1 BEFORE CONNECTING TO CONTROLLER
C3: FAN CAPACITOR
-- IS THE FIELD W IRING
M1C: CO MPRESSOR
< > : TERMINAL IN CO MPRESSOR ELECTRICAL BOX
M1F CONDENSER FAN
B1: MOTOR CIRCUIT BREAKER
A1P: FAN SPEED CONTROLER
K1M: CONTACTOR
S1PH: HIGH PRESSURE SW ITCH
F1U: FUSE
S1PL: LOW PRESSURE SW ITCH
K1R: START RELAY
E1HC: CRANKCASE HEATER
C1: START CAPACITOR
Q1M: EXTERAL O VERLOAD PROTECTOR
C2: RUN CAPACITOR
SETTING, B1
MODEL
VALUE <A>
JEHR/JEHCCU0140B<C>M1
10,0
REMOVE LINK 2 TO 3 BEFORE CONNECTING TO INDOOR CONTROLLER
NOTE:
B1: MOTOR CIRCUIT BREAKER
S1PH: HIGH PRESSURE SW ITCH
K1M: CONTACTOR
S1P: PRESSURE SW ITCH
K1R: START RELAY
S1PL: LOW PRESSURE SW ITCH
F1U: FUSE
E1HC: CRANKCASE HEATER
C1: CO MPRESSOR START CAPACITOR
C2: CO MPRESSOR RUN CAPACITOR
C3: FAN CAPACITOR
M1C: CO MPRESSOR
M1F CONDENSER FAN
Q1M: O VERLOAD MOTOR PROTECTOR
SETTING, B1
MODEL
VALUE <A>
JEHCCU0067CM1
6.5
JEHCCU0100CM1
7.5
JEHCCU0113CM1
9.5
JEHCCU0095CM1
8.0
JEHCCU0115CL1
6.0












