Кондиционеры Daikin JEHCCU-CM1 - инструкция пользователя по применению, эксплуатации и установке на русском языке. Мы надеемся, она поможет вам решить возникшие у вас вопросы при эксплуатации техники.
Если остались вопросы, задайте их в комментариях после инструкции.
"Загружаем инструкцию", означает, что нужно подождать пока файл загрузится и можно будет его читать онлайн. Некоторые инструкции очень большие и время их появления зависит от вашей скорости интернета.

O-CU06-DEC14-1
All specifications are subjected to change by the manufacturer without prior notice.
The English text is the
original instruction. Other languages are the translations of the original instructions.
20
JEHSCU0750CL3
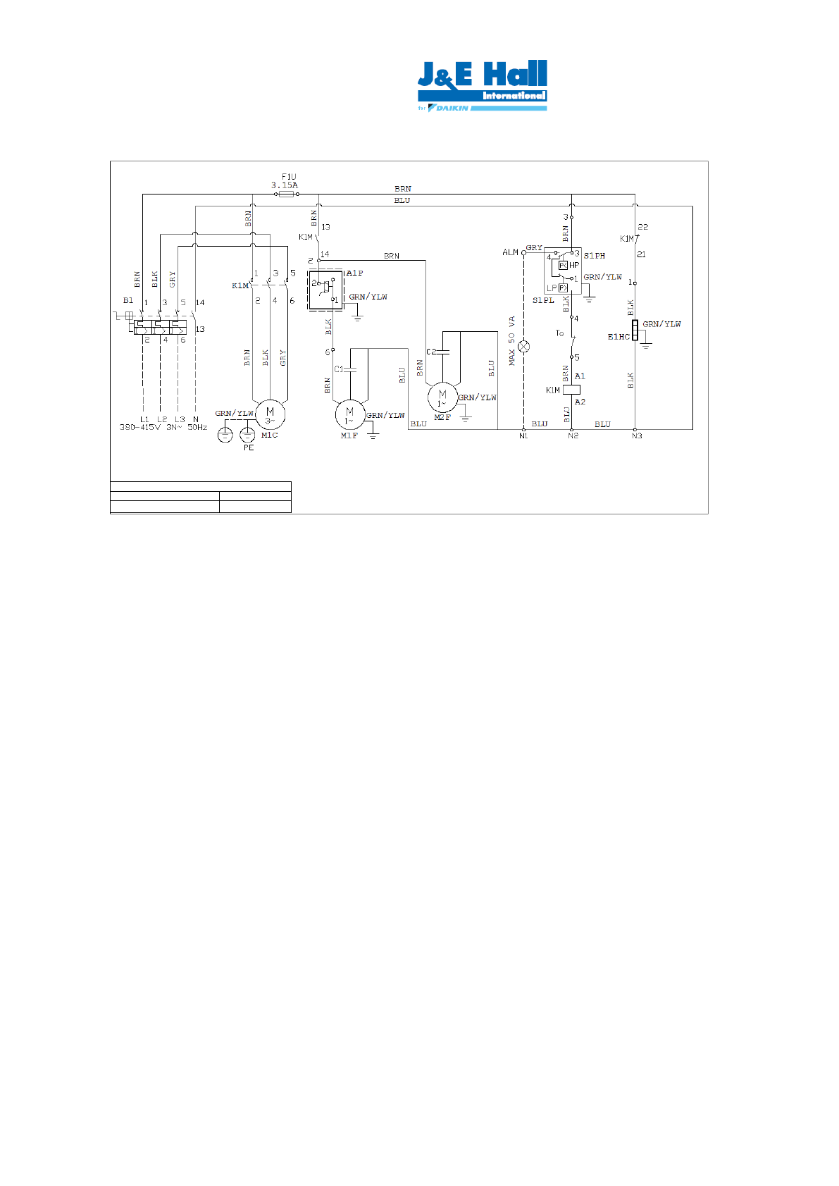
NOTE:
REMOVE LINK 17 TO 18 BEFORE CONNECTING TO CONTROLLER
- - - IS THE FIELD W IRING
A1P: FAN SPEED CONTROLLER
M1F CONDENSER FAN BOTTOM
B1: MOTOR CIRCUIT BREAKER
M2F CONDENSER FAN TOP
C1: FAN CAPACITOR BOTTOM
M1C: CO MPRESSOR
C2: FAN CAPACITOR TOP
S1PH: HIGH PRESSURE SW ITCH
E1HC: CRANKCASE HEATER
S1PL: LOW PRESSURE SW ITCH
F1U: FUSE
To: DISCHARGE THERMO STAT
K1M: CONTACTOR
SETTING, B1
MODEL
VALUE <A>
JEHS&SCU-0750-B4(C)-M-3
16,5A