Кондиционеры Daikin EWWD-G-SS - инструкция пользователя по применению, эксплуатации и установке на русском языке. Мы надеемся, она поможет вам решить возникшие у вас вопросы при эксплуатации техники.
Если остались вопросы, задайте их в комментариях после инструкции.
"Загружаем инструкцию", означает, что нужно подождать пока файл загрузится и можно будет его читать онлайн. Некоторые инструкции очень большие и время их появления зависит от вашей скорости интернета.

D - EIMWC00203-13RU - 44/62
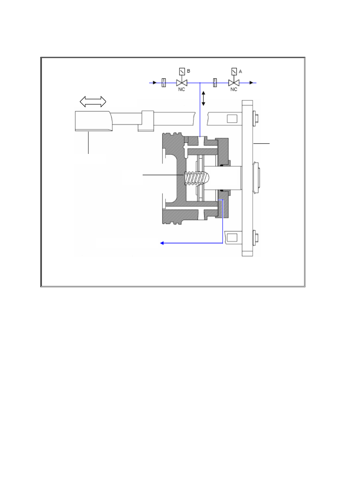
Компрессор FR3200
Рис. 16. Механизм регулировки холодопроизводительности
компрессора Fr3200
Нагруз
ка
Подача масла
Отвод масла
Золотник
Пружи
на
Неперекрываемый
канал к линии
всасывания
Порше
нь
Пластин
а
Разгрузк
а
Содержание
- 2 Описание этикеток на электрической панели
- 4 Содержание
- 6 Общие сведения; ВАЖНО; Предупреждения для оператора
- 8 СТРУКТУРА УСЛОВНОГО ОБОЗНАЧЕНИЯ
- 9 Технические характеристики; Технические характеристики EWWD170~600G-SS
- 11 Технические характеристики EWWD190~650G-XS
- 13 Технические характеристики EWLD160~550G-SS
- 15 XS для различных расстояний
- 16 Эксплуатационные ограничения
- 17 Монтажные работы; Доставка; ПРЕДУПРЕЖДЕНИЕ
- 18 Перемещение и подъем; Установка и монтаж
- 23 Падение давления в испарителе; ressu
- 24 Падение давления в конденсаторе; Па; Pressure
- 25 дение давления в блоке частичной теплоутилизации; rd
- 26 Указания по удаленной конденсаторной установки; Рис. 7. Конденсатор расположен на одном уровне с чиллером
- 29 Подбор размеров линии нагнетания (горячего газа); Заряд масла
- 30 Монтаж электрической системы; Общие характеристики
- 34 Электрические нагреватели
- 35 Ограничения агрегата – электропроводка (дополнительно)
- 37 Работа; Обязанности оператора; Описание цикла циркуляции хладагента
- 42 Процесс сжатия
- 44 Рис. 16. Механизм регулировки холодопроизводительности
- 45 Рис. 17. Механизм управления производительностью
- 46 Предпусковые проверки; Общие положения
- 47 Агрегаты с внешним водяным насосом; Электропитание; Небаланс напряжения питания
- 49 Порядок запуска; Включение агрегата
- 50 Сезонное отключение
- 51 Техническое обслуживание системы
- 54 Порядок замены патрона фильтра-осушителя
- 55 Замена масляного фильтра; Порядок замены масляного фильтра
- 56 Заряд хладагента; Процедура пополнения хладагента
- 57 Стандартные проверки
- 58 Карта проверок; Измерения на стороне воды; Электрические измерения
- 59 Гарантия на обслуживание и ограниченная гарантия
- 60 Утилизация












