Кондиционеры Daikin EWLD-G-SS - инструкция пользователя по применению, эксплуатации и установке на русском языке. Мы надеемся, она поможет вам решить возникшие у вас вопросы при эксплуатации техники.
Если остались вопросы, задайте их в комментариях после инструкции.
"Загружаем инструкцию", означает, что нужно подождать пока файл загрузится и можно будет его читать онлайн. Некоторые инструкции очень большие и время их появления зависит от вашей скорости интернета.

D-EIMWC00204-14RU - 45/62
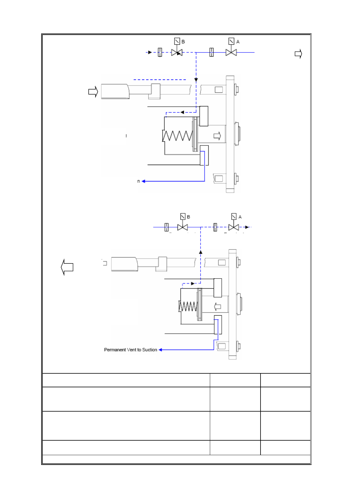
Давление масла + усилие пружины
перепада давления всасывания/нагнетания = золотник и поршень движутся в
направлении разгрузки
Перепад давления всасывания/нагнетания > усилия пружины = золотник движется в направлении нагрузки
Д
ЕЙСТВИЕ СИСТЕМЫ УПРАВЛЕНИЯ ПРОИЗВОДИТЕЛЬНОСТЬЮ
Э
ЛЕКТРОМАГНИТНЫЙ
КЛАПАН
A
1
Э
ЛЕКТРОМАГНИТНЫЙ
КЛАПАН
B
Нагрузка компрессора
Масло отводится из цилиндра управления производительностью. Воздействие
перепада давления всасывания/нагнетания на узел золотника и поршня
преодолевает усилие разгрузочной пружины и перемещает золотниковый клапан
в направлении положения максимальной нагрузки.
Под напряжением
(открыт)
Обесточен (закрыт)
Разгрузка компрессора
Маслу под высоким давлением открывается доступ в цилиндр управления
производительностью. Объединенного усилия пружины и давления масла
достаточно, чтобы преодолеть воздействие перепада давления между сторонами
всасывания и нагнетания и переместить золотниковый клапан в направлении
положения минимальной нагрузки.
Обесточен (закрыт)
Под напряжением
(открыт)
Удержание золотникового клапана в фиксированном положении
Золотниковый клапан гидравлически блокируется в положении желаемой
нагрузки.
Обесточен (закрыт)
Обесточен (закрыт)
Рис. 17. Механизм управления производительностью
Компрессор
разгружается
Обесточен
(закрыт)
Под
напряжение
м (открыт)
Отвод масла
Подача масла
Неперекрываемый
канал к линии
всасывания
Разгрузк
а
Нагрузка компрессора
Нагрузка
Отвод масла
Подача масла
Под
напряжением
(открыт)
Обесточен
(закрыт)
Неперекрываемый
канал к линии
всасывания
Компрессор
нагружается
Содержание
- 2 Описание этикеток на электрической панели
- 4 Содержание
- 6 Общие сведения; ВАЖНО; Предупреждения для оператора
- 8 СТРУКТУРА УСЛОВНОГО ОБОЗНАЧЕНИЯ
- 9 Технические характеристики; Технические характеристики EWWD170~600G-SS
- 11 Технические характеристики EWWD190~650G-XS
- 13 Технические характеристики EWLD160~550G-SS
- 15 XS для различных расстояний
- 16 Эксплуатационные ограничения
- 17 Монтажные работы; Доставка; ПРЕДУПРЕЖДЕНИЕ
- 18 Перемещение и подъем; Установка и монтаж
- 23 Падение давления в испарителе; ressu
- 24 Падение давления в конденсаторе; Па; Pressure
- 25 дение давления в блоке частичной теплоутилизации; rd
- 26 Указания по удаленной конденсаторной установки; Рис. 7. Конденсатор расположен на одном уровне с чиллером
- 29 Подбор размеров линии нагнетания (горячего газа); Заряд масла
- 30 Монтаж электрической системы; Общие характеристики
- 34 Электрические нагреватели
- 35 Ограничения агрегата – электропроводка (дополнительно)
- 37 Работа; Обязанности оператора; Описание цикла циркуляции хладагента
- 42 Процесс сжатия
- 44 Рис. 16. Механизм регулировки холодопроизводительности
- 45 Рис. 17. Механизм управления производительностью
- 46 Предпусковые проверки; Общие положения
- 47 Агрегаты с внешним водяным насосом; Электропитание; Небаланс напряжения питания
- 49 Порядок запуска; Включение агрегата
- 50 Сезонное отключение
- 51 Техническое обслуживание системы
- 54 Порядок замены патрона фильтра-осушителя
- 55 Замена масляного фильтра; Порядок замены масляного фильтра
- 56 Заряд хладагента; Процедура пополнения хладагента
- 57 Стандартные проверки
- 58 Карта проверок; Измерения на стороне воды; Электрические измерения
- 59 Гарантия на обслуживание и ограниченная гарантия
- 60 Утилизация












