Кондиционеры Daikin EWAD-D-SL - инструкция пользователя по применению, эксплуатации и установке на русском языке. Мы надеемся, она поможет вам решить возникшие у вас вопросы при эксплуатации техники.
Если остались вопросы, задайте их в комментариях после инструкции.
"Загружаем инструкцию", означает, что нужно подождать пока файл загрузится и можно будет его читать онлайн. Некоторые инструкции очень большие и время их появления зависит от вашей скорости интернета.

D–EIMAC00204-14EU - 65/152
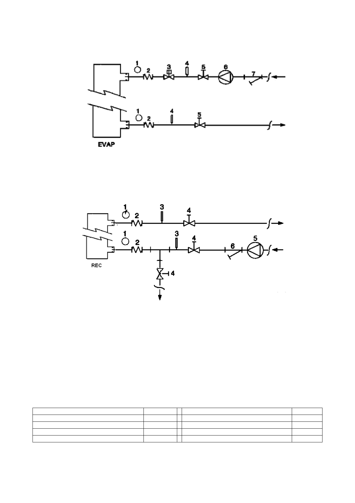
Figuras 5 – Conexão dos tubos de água para o evaporador
1. Manómetro
2. Conector flexível
3. Fluxóstato
4. Sonda de temperatura
5. Válvula de isolamento
6. Bomba
7. Filtro
Figura 6 - Conexão dos tubos de água para os permutadores de recuperação de calor
1. Manómetro
2. Conector flexível
3. Sonda de temperatura
4. Válvula de isolamento
5. Bomba
6. Filtro
Tratamento da água
Antes de acionar a unidade, limpar o circuito da água. A
sujeira, calcário, detritos de corrosão e outro material podem
acumular-se no interior do permutador de calor e reduzir a sua
capacidade de permuta térmica. Pode aumentar também a
queda de pressão, reduzindo, deste modo, o fluxo da água.
Um tratamento adequado da água pode reduzir o risco de
corrosão, erosão, formação de calcário, etc. O tratamento da
água mais apropriado deve ser estabelecido no local de
acordo com o tipo de sistema e características da água.
O fabricante não é responsável por eventuais danos ou mau
funcionamento da aparelhagem causado por ausência ou
inadequado tratamento da água.
Tabela 1 – Limites aceitáveis da qualidade da água
pH (25°C)
6,8
÷
8,0
Dureza total (mg CaCO
3
/ l)
<
200
Condutividade elétrica
µ
S/cm (25°C)
<
800
Ferro (mg Fe / l)
<
1,0
Ião cloreto (mg Cl
-
/ l)
<
200
Ião sulfeto (mg S
2 -
/ l)
Nenhum
Ião sulfeto (mg SO
2
4
-
/ l)
<
200
Ião amónio (mg NH
4
+
/ l)
<
1,0
Alcalinidade (mg CaCO
3
/ l)
<
100
Dióxido de silício (mg SiO
2
/ l)
<
50












