Компрессоры Ranger 330/50 R 8 - инструкция пользователя по применению, эксплуатации и установке на русском языке. Мы надеемся, она поможет вам решить возникшие у вас вопросы при эксплуатации техники.
Если остались вопросы, задайте их в комментариях после инструкции.
"Загружаем инструкцию", означает, что нужно подождать пока файл загрузится и можно будет его читать онлайн. Некоторые инструкции очень большие и время их появления зависит от вашей скорости интернета.

Для смазки узла компрессора рекомендуется использовать только специальные
марки компрессорных масел, рекомендованных производителем и приведенных в
Таблице 1.
Таблица 1
Марка масла
Режим работы
Pneumatic Oil Motion
Каждые 500 часов работы
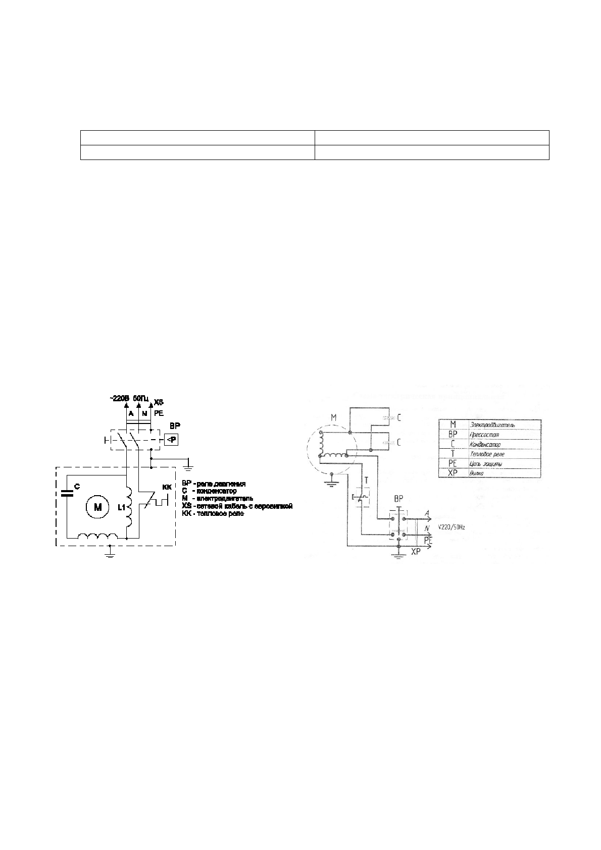
Рис. 1 Схема электрическая принципиальная