Компрессоры PATRIOT REMEZA СБ 4/Ф-500 LT 100 520306375 - инструкция пользователя по применению, эксплуатации и установке на русском языке. Мы надеемся, она поможет вам решить возникшие у вас вопросы при эксплуатации техники.
Если остались вопросы, задайте их в комментариях после инструкции.
"Загружаем инструкцию", означает, что нужно подождать пока файл загрузится и можно будет его читать онлайн. Некоторые инструкции очень большие и время их появления зависит от вашей скорости интернета.

27
Приложение А
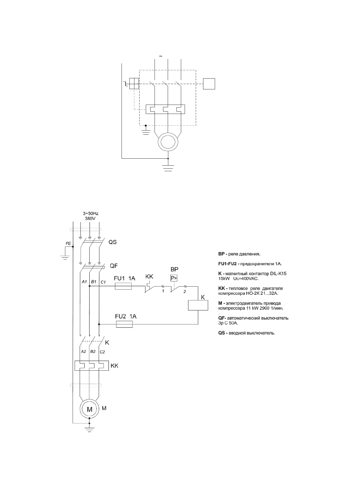
Схема электрическая
Рисунок А.1
-
Схема электрическая принципиальная
компрессоров
СБ4/Ф
-500.LT100
, СБ4/Ф
-500.LT100/16-7.5
Рисунок А.
2 -
Схема электрическая принципиальная
компрессоров
СБ4/Ф
-500.LT100/16
, СБ4/Ф
-500.LT100-11,0
М
<P
3 50 Гц, 380В (400 В)
ВР
РЕ
А,В,С-провода подключения
питающей сети
РЕ-провод защиты
ВР-прессостат
М-электродвигатель
А В С
Содержание
- 4 Указание мер безопасности
- 9 Амортизатор
- 11 Первый пуск
- 13 Общий вид компрессоров; Общий вид компрессора СБ4/Ф
- 17 ПРЕДУПРЕЖДЕНИЕ! КОМПРЕССОРНОЕ МАСЛО МОЖЕТ БЫТЬ ОЧЕНЬ
- 18 Kompres; блока
- 19 Проверка всасывающего воздушного фильтра (фильтрующего
- 22 Возможные неисправности и способы их устранения; Таблица; Наименование
- 23 Гарантии изготовителя
- 27 Схема электрическая принципиальная
- 28 Журнал учета проведения обслуживания
- 29 Гарантийный талон; ремонт компрессорного оборудования; Уважаемый покупатель!; При осуществлении акта купли-продажи руководствоваться общими