Компрессоры Cross Air CA5.5-10RA 00-00000935 - инструкция пользователя по применению, эксплуатации и установке на русском языке. Мы надеемся, она поможет вам решить возникшие у вас вопросы при эксплуатации техники.
Если остались вопросы, задайте их в комментариях после инструкции.
"Загружаем инструкцию", означает, что нужно подождать пока файл загрузится и можно будет его читать онлайн. Некоторые инструкции очень большие и время их появления зависит от вашей скорости интернета.
Загружаем инструкцию

CROSS AIR COMPRESSOR
43
Содержание
- 3 Гл ава; DD
- 4 Глава
- 5 Устройство и принцип действия.; CA; Сжатие и перемещение.
- 7 Электрические присоединения и безопасность.
- 8 Требования по технике безопасности во время работы компрессора:; возникновения аварийной ситуации работу
- 9 Важный компонент системы. Он управляет; Воздушно; Выполняет две функции. 1 –
- 10 давления; PLC; не меняйте настройки самостоятельно!
- 12 Предохранительный клапан; LCD; ON
- 13 RT; . Состояние и действия
- 14 . Данные пользователя
- 15 ). Параметры управления для Пользователя
- 16 выключение
- 17 Параметры
- 18 Технические характеристики.
- 19 Ir; Время срабатывания
- 22 Устранение общей ошибки.; Running
- 23 Stop
- 24 SHELL
- 26 VII
- 30 Modbus; Заводские парам; BAR
- 31 Установочные парам; Разделы подменю; Параметры использования:
- 32 Русский; Заводские настройки; Пароль
- 33 ПРИЛОЖЕНИЕ 2: Фотографии основных элементов компрессоров.
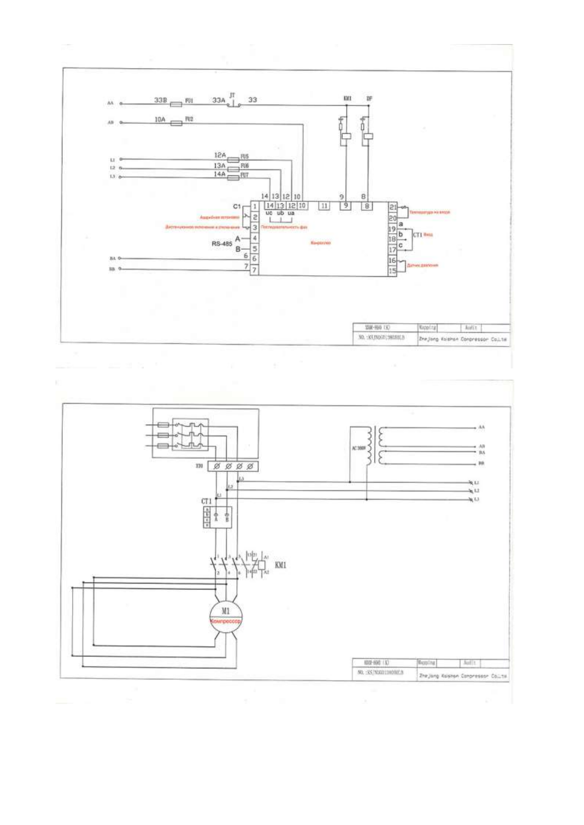
- 36 Распределительные; Трансформатор напряжения.; ПРИЛОЖЕНИЕ; КОНТРОЛЬ УСЛОВИЙ УСТАНОВКИ И ЭКСПЛУАТАЦИИ КОМПРЕССОРА.
- 37 III
- 38 Наименование предприятия; Предприятие
- 39 ГАРАНТИЙНЫЙ ТАЛОН
- 40 Гарантия не распространяется на быстро изнашивающиеся и сменно