Компрессоры COMPRAG FR-0710-500 11410207 - инструкция пользователя по применению, эксплуатации и установке на русском языке. Мы надеемся, она поможет вам решить возникшие у вас вопросы при эксплуатации техники.
Если остались вопросы, задайте их в комментариях после инструкции.
"Загружаем инструкцию", означает, что нужно подождать пока файл загрузится и можно будет его читать онлайн. Некоторые инструкции очень большие и время их появления зависит от вашей скорости интернета.

48
Version 1.4
4
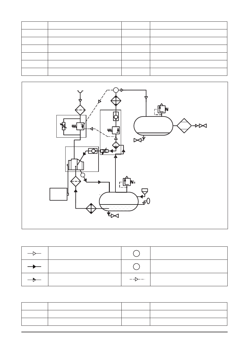
Luftfilter
14
Wärmeaustauscher Ölabschnitt
5
Einlassventil
16
Ölfilter
6
Luft-/Ölabscheidetank
17
Ablassventil
7
Sicherheitsventil
18
Ölfilter Stopfen
8
Luft-/Ölabscheider
19
Sichtglas
9
Drosselventil
20
Ablassventil
10
Rückschlagventil
Bild 2.3.2 Ablaufdiagramm FR05..-FR22.., FRD05..-FRD22..
Т
Р
Luftfluß
Т
Р
Temperaturfühler
Т
Р
Ölfluß
Т
Р
Drucksensor
Т
Р
Luft/Öl Gemisch
Т
Р
Pneumatische Steuerleitung
Hauptkomponenten
1
Elektromotor
12
Rückschlagventil
2
Riementrieb
13
Wärmeaustauscher Luftabschnitt
3
Schraubenblock
14
Wärmeaustauscher Ölabschnitt
M
1
2
3
6
7
8
11
12
9
10
13
20
4
5
18
14
16
17
19
P
T
7
17
22
21
слив конденсата
к потребителю
zum Anwender
Kondensatablass
Содержание
- 75 COMPRAG Компрессор воздушный винтовой F-Серия; Содержание
- 76 Правила техники безопасности; Общие правила безопасности
- 77 Меры безопасности при вводе в эксплуатацию
- 78 Меры безопасности при эксплуатации
- 79 Меры безопасности при обслуживании и ремонте
- 81 Технические данные
- 85 Система регулировки
- 86 Схема электрическая принципиальная
- 87 Ввод в эксплуатацию; Такелажные работы
- 88 Габаритные размеры
- 90 Подготовка помещения
- 91 Подсоединение к линии сжатого воздуха
- 92 Подключение к электропитанию
- 93 Панель управления
- 102 Выключение компрессора; Настройка и сервисное обслуживание; График технического обслуживания
- 103 Проверка уровня масла; Проверка приводных ремней
- 104 Замена масла и масляного фильтра
- 105 Замена воздушного фильтра
- 107 Очистка радиатора; Проверка всасывающего клапана
- 108 Устранение неисправностей; Возможные неисправности; Хранение и утилизация













