Компрессоры COMARO MD 37-13 - инструкция пользователя по применению, эксплуатации и установке на русском языке. Мы надеемся, она поможет вам решить возникшие у вас вопросы при эксплуатации техники.
Если остались вопросы, задайте их в комментариях после инструкции.
"Загружаем инструкцию", означает, что нужно подождать пока файл загрузится и можно будет его читать онлайн. Некоторые инструкции очень большие и время их появления зависит от вашей скорости интернета.
Загружаем инструкцию

15
рукоВодстВо по эксплуатации
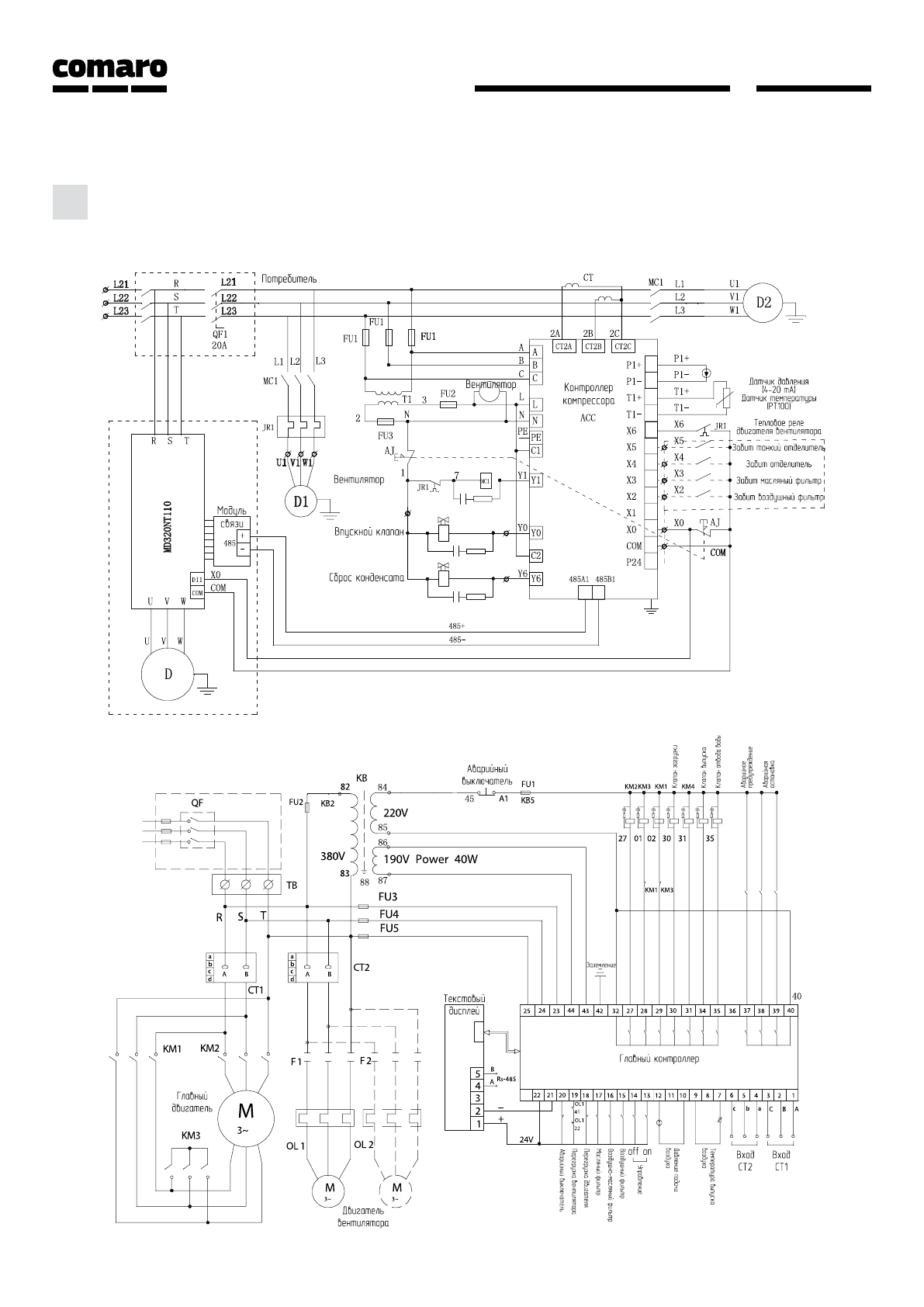
описание микроконтроллера
5.4
схема подключения
Содержание
- 2 Предупреждения; Пожалуйста, внимательно прочтите настоящие инструкции перед на-
- 3 Осмотр; Для обеспечения прав покупателя, пожалуйста, внимательно прочти-
- 4 проверка аксессуаров; транспортировки; любые предметы на охладитель.; метод передачи
- 5 Установка
- 6 требования; предупреждение
- 7 рекомендуемый
- 8 рекомендации; меры безопасности
- 9 меры предосторожности; Главный двигатель
- 10 Вентиляторный двигатель; цепь
- 11 Знакомство с системой; система в сборе; система смазки
- 13 Описание; описание кнопок; На дисплее максимально может
- 17 эксплуатация; останов
- 18 список аварий
- 20 ненты системы; Воздушный фильтр; Воздухомасляный ресивер
- 22 живание и ремонт
- 24 клапан терморегулирования; предохранительный клапан; электромагнитный; охладитель
- 25 электрическая изоляция
- 26 Защитное ограждение; Высокая
- 29 Спецификация винтового воздушного компрессора
- 30 График технического обслуживания
- 31 Технические характеристики
- 33 Коды заказа