Компрессоры Бежецк АСО К-25М 53851 - инструкция пользователя по применению, эксплуатации и установке на русском языке. Мы надеемся, она поможет вам решить возникшие у вас вопросы при эксплуатации техники.
Если остались вопросы, задайте их в комментариях после инструкции.
"Загружаем инструкцию", означает, что нужно подождать пока файл загрузится и можно будет его читать онлайн. Некоторые инструкции очень большие и время их появления зависит от вашей скорости интернета.

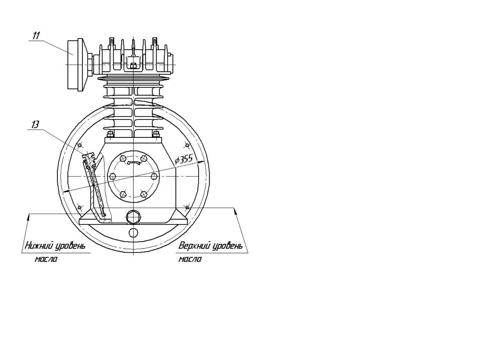
29
Рис
.3
б
.
Головка
компрессорная
28
Нагар
необходимо
смочить
керосином
и
очистить
медной
или
другой
мягкой
пластиной
.
При
очистке
стенок
цилиндров
и
поршней
ЗАПРЕЩАЕТСЯ
исполь
-
зование
твердых
предметов
.
При
очистке
клапанного
блока
необходимо
разобрать
его
и
произве
-
сти
следующие
работы
:
-
очистить
от
нагара
каждую
деталь
клапанного
блока
;
-
промыть
детали
клапанного
блока
в
керосине
и
просушить
;
-
смазать
тонким
слоем
компрессорного
масла
и
собрать
.
При
сборке
клапанного
блока
клапанные
пластины
должны
плотно
прилегать
к
седлу
.
Установка
клапанных
пластин
с
отклонениями
от
плос
-
кости
не
допускается
.
8.6.2.
Очистить
поверхности
охлаждения
установки
от
пыли
,
грязи
,
масляного
нагара
.
Для
этого
используют
синтетические
моющие
средства
при
струйной
очистке
,
либо
очистке
методом
погружения
с
последующим
удалением
размягченного
нагара
металлическими
щетками
,
либо
струёй
растворителя
с
паром
.
Возможно
также
применение
для
отдельных
деталей
механического
способа
удаления
нагара
.
8.6.3.
После
очистки
наружных
поверхностей
трубопроводов
от
пыли
,
грязи
,
масляного
нагара
необходимо
промыть
их
водой
и
продуть
сжатым
воздухом
;
ресивер
продуть
сжатым
воздухом
.
8.6.4.
Заменить
прокладки
,
обеспечивающие
герметичность
соедине
-
ний
.
8.6.5.
Заменить
отдельные
детали
из
комплекта
запасных
частей
.
9.
КРАТКИЕ
УКАЗАНИЯ
ПО
РЕМОНТУ
9.1.
Кроме
технического
обслуживания
установки
предусмотрены
сле
-
дующие
три
категории
планово
-
предупредительного
ремонта
:
текущий
ремонт
(
Т
),
средний
ремонт
(
С
)
и
капитальный
ремонт
(
К
).
9.2.
Текущий
ремонт
производится
(
ориентировочно
)
после
2500
часов
наработки
установки
.
9.2.1.
При
текущем
ремонте
кроме
работ
,
предусмотренных
при
ТО
-1
и
ТО
-2,
производится
частичная
разборка
компрессорной
головки
для
опре
-
деления
:
-
состояния
деталей
шатунно
-
поршневой
группы
с
последующей
заме
-
ной
при
необходимости
поршневых
колец
;
-
состояния
клапанного
блока
с
последующей
заменой
при
необходимо
-
сти
клапанных
пластин
;
-
состояния
подшипников
;
-
состояния
электродвигателя
:
надежность
и
исправность
крепежных
и
контактных
соединений
,
надежность
заземления
,
легкость
вращения
рото
-
ра
двигателя
от
руки
;
13










