Компрессоры Aurora Bora 25 - инструкция пользователя по применению, эксплуатации и установке на русском языке. Мы надеемся, она поможет вам решить возникшие у вас вопросы при эксплуатации техники.
Если остались вопросы, задайте их в комментариях после инструкции.
"Загружаем инструкцию", означает, что нужно подождать пока файл загрузится и можно будет его читать онлайн. Некоторые инструкции очень большие и время их появления зависит от вашей скорости интернета.
Загружаем инструкцию

____________________________________________________________________________________
25
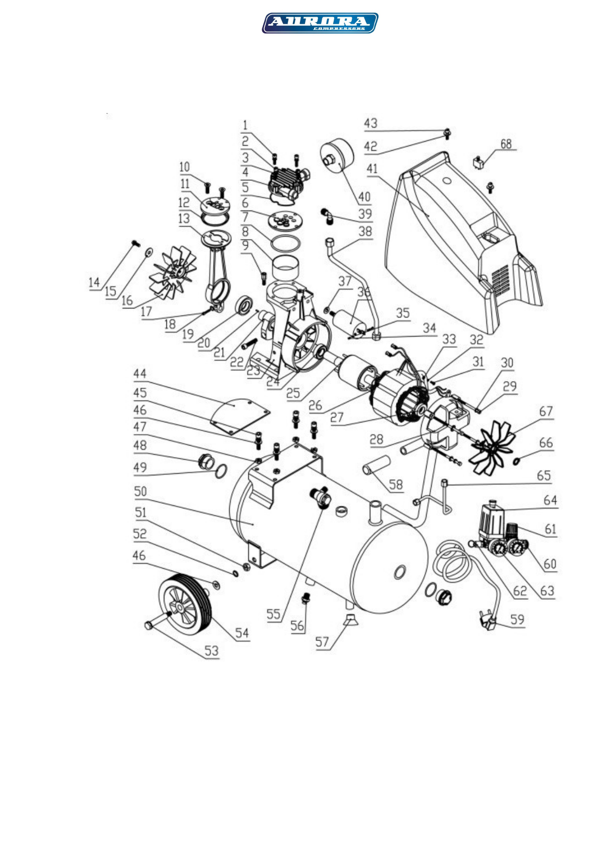
ДЕТАЛИРОВКА
BORA 25
Содержание
- 3 СОДЕРЖАНИЕ; BO
- 5 ВВЕДЕНИЕ
- 6 ПРАВИЛА БЕЗОПАСНОСТИ
- 7 КАТЕГОРИЧЕСКИ ЗАПРЯЩАЕТСЯ!
- 8 ОБЩИЙ ВИД И ОСНОВНЫЕ КОМПОНЕНТЫ; Модель BORA
- 10 являются
- 11 ТЕХНИЧЕСКИЕ ХАРАКТЕРИСТИКИ; Модель
- 13 КОМПЛЕКТАЦИЯ; список
- 15 ЭКСПЛУАТАЦИЯ; Реле давления
- 16 Обслуживание ресивера
- 18 Пневмоинструмент; Рекомендации по воздушной магистрали.
- 20 Транспортировка и хранение
- 21 НЕПОЛАДКИ И ИХ УСТРАНЕНИЕ
- 22 ГАРАНТИИ ПРОИЗВОДИТЕЛЯ
- 24 Расшифровка деталировки BORA
- 28 Расшифровка деталировки модели BORA
- 30 Расшифровка деталировки модели BORA 50
- 31 ДЛЯ ЗАМЕТОК
Характеристики
Остались вопросы?Не нашли свой ответ в руководстве или возникли другие проблемы? Задайте свой вопрос в форме ниже с подробным описанием вашей ситуации, чтобы другие люди и специалисты смогли дать на него ответ. Если вы знаете как решить проблему другого человека, пожалуйста, подскажите ему :)
Часто задаваемые вопросы
Как посмотреть инструкцию к Aurora Bora 25?
Необходимо подождать полной загрузки инструкции в сером окне на данной странице
Руководство на русском языке?
Все наши руководства представлены на русском языке или схематично, поэтому вы без труда сможете разобраться с вашей моделью
Как скопировать текст из PDF?
Чтобы скопировать текст со страницы инструкции воспользуйтесь вкладкой "HTML"