Компрессоры ABAC MICRON 1513-500 - инструкция пользователя по применению, эксплуатации и установке на русском языке. Мы надеемся, она поможет вам решить возникшие у вас вопросы при эксплуатации техники.
Если остались вопросы, задайте их в комментариях после инструкции.
"Загружаем инструкцию", означает, что нужно подождать пока файл загрузится и можно будет его читать онлайн. Некоторые инструкции очень большие и время их появления зависит от вашей скорости интернета.

.
Код
. 2200780040 00 -
Издание
08/2011 - 35
27.0
КАЛИБРОВКА
ОСУШИТЕЛЯ
ПЕРЕПУСКНОЙ
КЛАПАН
ДЛЯ
ГОРЯЧЕГО
ГАЗА
ВНИМАНИЕ
!
ВНИМАНИЕ
:
Данные
клапаны
уже
откалиброваны
и
не
требуют
настройки
.
Значение
точки
росы
,
которое
отличается
от
указанного
в
технических
характеристиках
,
как
правило
,
вызвано
причинами
,
не
связанными
с
их
работой
.
1)
Крышка
2)
Регулировочный
винт
РАБОЧЕЕ
ДАВЛЕНИЕ
И
ТЕМПЕРАТУРА
ХЛАДАГЕНТА
R134a
СТОРОНА
НИЗКОГО
ДАВЛЕНИЯ
КОМПРЕССОРА
ХЛАДАГЕНТА
Температура
испарения
°C
Давление
в
испарителе
,
бар
НОМИНАЛЬНЫЕ
ЗНАЧЕНИЯ
(
Температура
20
°C)
1 ÷ 2
R134A
2,1 ÷ 2,3
27.1
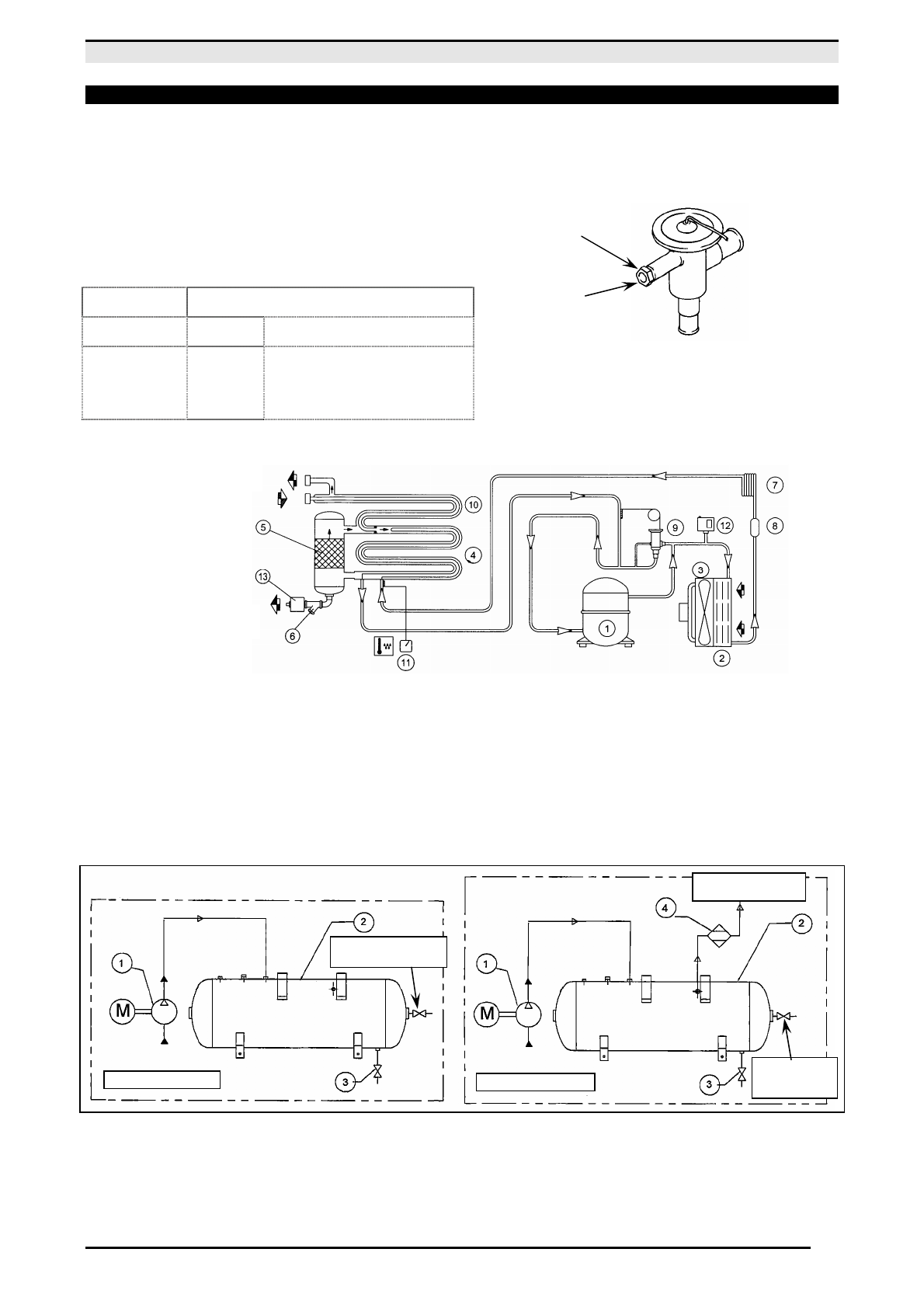
ПРИНЦИПИАЛЬНАЯ
СХЕМА
ОСУШИТЕЛЯ
1
КОМПРЕССОР
ХЛАДАГЕНТА
8
ФИЛЬТР
ОХЛАЖДАЮЩЕЙ
ЖИДКОСТИ
2
КОНДЕНСАТОР
ХЛАДАГЕНТА
9
ПЕРЕПУСКНОЙ
КЛАПАН
ГОРЯЧЕГО
ГАЗА
3
ДВИГАТЕЛЬ
ВЕНТИЛЯТОРА
10
ВОЗДУХО
-
ВОЗДУШНЫЙ
ТЕПЛООБМЕННИК
4
ИСПАРИТЕЛЬ
11
ТЕРМОМЕТР
ТОЧКИ
РОСЫ
5
ВЛАГОУЛОВИТЕЛЬ
,
ОТДЕЛИТЕЛЬ
КОНДЕНСАТА
12
ДАТЧИК
ДАВЛЕНИЯ
,
ИСПОЛЬЗУЮЩИЙСЯ
ДЛЯ
УПРАВЛЕНИЯ
ВЕНТИЛЯТОРОМ
6
ОТДЕЛИТЕЛЬ
ПРИМЕСЕЙ
13
ЭЛЕКТРОМАГНИТНЫЙ
КЛАПАН
СБРОСА
КОНДЕНСАТА
7
РАСШИРИТЕЛЬНАЯ
КАПИЛЛЯРНАЯ
ТРУБКА
27.2
ПРИНЦИПИАЛЬНАЯ
СХЕМА
ВИНТОВОЙ
КОМПРЕССОР
1
ВИНТОВОЙ
КОМПРЕССОР
3
КЛАПАН
СБРОСА
КОНДЕНСАТА
2
ВОЗДУШНЫЙ
РЕСИВЕР
4
ОСУШИТЕЛЕМ
2
1
ОТВЕРСТИЕ
ДЛЯ
ПОДАЧИ
ОТВЕРСТИЕ
ДЛЯ
ВЫПУСКА
СЛИВ
КОНДЕНСАТА
СТАНДАРТНАЯ
ПРОИЗВОДИТЕЛЬНОСТЬ
БЕЗ
ОСУШИТЕЛЯ
СТАНДАРТНАЯ
ПРОИЗВОДИТЕЛЬ
НОСТЬ
СТАНДАРТНАЯ
ПРОИЗВОДИТЕЛЬНОСТЬ
С
ОСУШИТЕЛЕМ