Кофеварка Polaris PCM 1540АE Adore Crema - инструкция пользователя по применению, эксплуатации и установке на русском языке. Мы надеемся, она поможет вам решить возникшие у вас вопросы при эксплуатации техники.
Если остались вопросы, задайте их в комментариях после инструкции.
"Загружаем инструкцию", означает, что нужно подождать пока файл загрузится и можно будет его читать онлайн. Некоторые инструкции очень большие и время их появления зависит от вашей скорости интернета.

47
ауыз су қысымы арқылы өту жолымен алдын ала ұнтақталған дәндерден кофе әзірлеуге арналған.
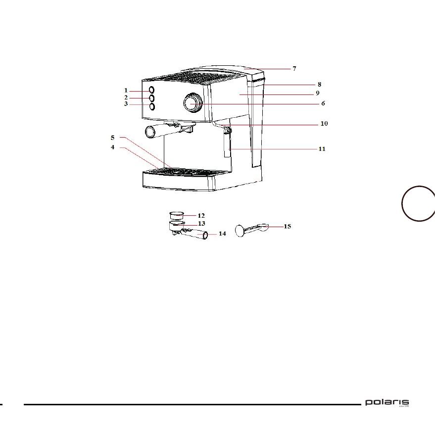
1.
Кофені қайнату режимін қосу/сөндіру
батырмасы
2.
Кофені құю үдерісін қосу/сөндіру батырмасы
3.
Буды
жіберу
режимін
қосу/сөндіру
батырмасы
4.
Сусын тамшыларын жинауға арналған
түпқоймасы (сусын тамшыларын жинауға
арналған тордың асты жағында орналасқан)
5.
Сусын тамшыларын жинауға арналған
алынбалы тор
6.
Буды жіберуге арналған реттегіш тетігі
7.
Суға арналған сауыттың қақпағы
8.
Суға арналған сауыт
9.
Құралдың сыртқы корпусы
10. Бу шығаратын тұтіктің шүмегі (сопло)
11. Алмалы-салмалы
арналған
саптама
капучино
12. Ұнтақталған кофеге арналған алынбалы
сүзгі (бұдан әрі – сүзгі)
13. Кофе нығыздауышы мен өлшеуіш қасық
14. Сүзгінің ұстағышы (ішіне алынбалы сүзгі
орнатылады)
15. Сүзгіні ұстауға арналған тұтқа
Содержание
- 7 О ГЛ А В Л Е Н И Е
- 8 эксплуатации электроустановок потребителей».
- 9 быть проверен квалифицированным специалистом.; что прибор рассчитан на напряжение, используемое в сети.
- 12 При этом не следует прилагать значительных усилий!
- 13 П Р Е Д В А Р И Т Е Л Ь Н Ы Й Н А Г Р Е В; кофеварки на заваривание кофе.; Подготовка к работе и использование; кнопку . Подождите пока кофеварка прогреется.; П Р И ГОТО В Л Е Н И Е КО Ф Е Э С П Р Е ССО; Вставьте вилку сетевого шнура в розетку.
- 15 Ч И С Т КА И У Х ОД; попадала на электрические соединения.
- 17 образом, Вы поможете сохранить окружающую среду.; Н Е И С П РА В Н О С Т И И И Х УС Т РА Н Е Н И Е
- 18 Т Е Х Н И Ч Е С К И Е Х А РА КТ Е Р И С Т И К И; Ёмкость резервуара для воды – 1,5 л; И Н Ф О Р М А Ц И Я О С Е Р Т И Ф И КА Ц И И
- 19 технических средств».; Расчетный срок службы изделия:; года; Дата изготовления указана на изделии.; Изготовитель: Поларис Корпорейшн Лимитед,; Уполномоченный представитель в РФ и Белоруссии
- 20 промышленных или профессиональных целей.
- 35 Таким чином Ви допоможете зберегти довкілля.; Н Е С П РА В Н О С Т І ТА Ї Х УСУ Н Е Н Н Я












