Кофемашина Nuova Simonelli Appia Life 2gr V 220V - инструкция пользователя по применению, эксплуатации и установке на русском языке. Мы надеемся, она поможет вам решить возникшие у вас вопросы при эксплуатации техники.
Если остались вопросы, задайте их в комментариях после инструкции.
"Загружаем инструкцию", означает, что нужно подождать пока файл загрузится и можно будет его читать онлайн. Некоторые инструкции очень большие и время их появления зависит от вашей скорости интернета.
Загружаем инструкцию

55
Содержание
- 4 старых шлангов не допускается.
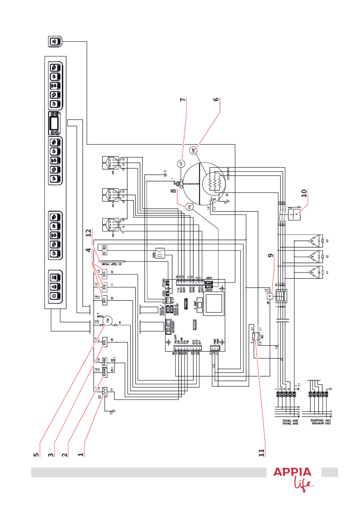
- 10 ОБЩИЕ СВЕДЕНИЯ; МОДЕЛЬ КОФЕМАШИНЫ; ТЕХНИЧЕСКИЕ ДАННЫЕ
- 14 ИСПОЛЬЗОВАНИЕ ПО НАЗНАЧЕНИЮ
- 15 УСТАНОВКА; РАЗМЕЩЕНИЕ; Установите кофемашину по уровню, отрегулировав ножки.
- 17 ХАРАКТЕРИСТИКИ ИСТОЧНИКА ПИТАНИЯ
- 18 квалифицированный персонал.; РЕГУЛИРОВКА ЭКОНОМАЙЗЕРА ГОРЯЧЕЙ ВОДЫ; Работы выполняются на включенной кофемашине.; ЗАПОЛНЕНИЕ БОЙЛЕРА В АВТОМАТИЧЕСКОМ РЕЖИМЕ; минимум, три раза полностью поменять воду в бойлере.
- 19 ПРЕССОСТАТ / РЕГУЛИРОВКА НАСОСА; Снимите верхнюю крышку.; ЗАМЕНА КНОПОЧНОЙ ПАНЕЛИ
- 20 ЭКСПЛУАТАЦИЯ; ВКЛЮЧЕНИЕ И ВЫКЛЮЧЕНИЕ КОФЕМАШИНЫ
- 23 ) и убедитесь, что индикатор клавиши горит. Сопло будет подавать пар; НАСТРОЙКА ДОЗИРОВКИ; Клавиши приготовления кофе начнут мигать.
- 24 НАСТРОЙКА ПОРЦИОННОСТИ КОФЕ; выполняется следующим образом:
- 25 НАСТРОЙКА ГОРЯЧЕЙ ВОДЫ; Нажмите селекторную клавишу горячей воды (; Клавиша; минуты
- 26 НАСТРОЙКА ПОДОГРЕВАТЕЛЯ ЧАШКИ (в дополнительной комплектации); Нажмите селекторную клавишу подогревателя чашки (; НАСТРОЙКА СТАНДАРТНЫХ ПОРЦИЙ; Для этого необходимо нажать клавишу (
- 28 НАСТРОЙКА РАБОЧИХ ПАРАМЕТРОВ; ВКЛЮЧЕНИЕ НАСОСА ПРИ ЗАПОЛНЕНИИ ДО ЗАДАННОГО УРОВНЯ
- 30 ЦИКЛ АВТОМАТИЧЕСКОЙ ОЧИСТКИ ГРУППЫ
- 31 ДОЗИРОВКА; Предоставляется доступ к следующим функциям:
- 32 Налив кофе в объеме требуемой порции, остановите раздачу.
- 33 ПЕРЕНОС ПОРЦИЙ; Выберите группу для переноса порций с помощью клавиш (
- 35 ПОДОГРЕВАТЕЛЬ ЧАШКИ; Включение подогревателя чашки
- 36 ОЧИСТКА РАЗДАТОЧНЫХ ГРУПП
- 37 ДИСПЛЕЙ И КНОПКИ
- 38 ЕДИНИЦЫ ИЗМЕРЕНИЯ; ) для получения доступа к единицам измерения, выводимым на дисплей
- 39 ЯРКОСТЬ КЛАВИШ; Вверх
- 40 ВРЕМЯ ВЫХОДА ДИСПЛЕЯ ИЗ АКТИВНОГО РЕЖИМА
- 41 ВРЕМЯ РАЗДАЧИ; дисплей перед переключением в режим ожидания, клавишами (
- 47 ОЧИСТКА; Очистка наружных панелей
- 48 Используйте вместо обычного фильтра глухой фильтр.; ОЧИСТКА ФИЛЬТРОВ; Обильно прополощите в проточной воде.; ВОССТАНОВЛЕНИЕ СМОЛЫ В УМЯГЧИТЕЛЕ
- 49 ТЕХНИЧЕСКОЕ ОБСЛУЖИВАНИЕ
- 50 СООБЩЕНИЯ О СОСТОЯНИИ КОФЕМАШИНЫ APPIA LIFE; Дисплей и индикаторы
- 59 МАТРИАЛ
- 61 Модель и марка; : смотрите бирку на корпусе кофемашины; Чертеж No; Управляющий директор:
Характеристики
Остались вопросы?Не нашли свой ответ в руководстве или возникли другие проблемы? Задайте свой вопрос в форме ниже с подробным описанием вашей ситуации, чтобы другие люди и специалисты смогли дать на него ответ. Если вы знаете как решить проблему другого человека, пожалуйста, подскажите ему :)
Часто задаваемые вопросы
Как посмотреть инструкцию к Nuova Simonelli Appia Life 2gr V 220V?
Необходимо подождать полной загрузки инструкции в сером окне на данной странице
Руководство на русском языке?
Все наши руководства представлены на русском языке или схематично, поэтому вы без труда сможете разобраться с вашей моделью
Как скопировать текст из PDF?
Чтобы скопировать текст со страницы инструкции воспользуйтесь вкладкой "HTML"
Как заменить питающий провод