Karcher NT 70/3 - Инструкция по эксплуатации

Karcher NT 70/3

Пылесос Karcher NT 70/3 - инструкция пользователя по применению, эксплуатации и установке на русском языке. Мы надеемся, она поможет вам решить возникшие у вас вопросы при эксплуатации техники.

Если остались дополнительные вопросы — свяжитесь с нами через контактную форму.

1 Страница 1
2 Страница 2
3 Страница 3
4 Страница 4
5 Страница 5
6 Страница 6
7 Страница 7
8 Страница 8
9 Страница 9
10 Страница 10
11 Страница 11
12 Страница 12
13 Страница 13
Страница: / 13

Содержание:

  • Страница 5 – ОПАСНОСТЬ
  • Страница 6 – Элементы
  • Страница 7 – Управление
  • Страница 11 – II
Загрузка инструкции

NT 70/1

NT 70/2

NT 70/2 Me

NT 70/3

001

59659460

09/15

Deutsch

5

English

11

Français

17

Italiano

23

Nederlands

29

Español

35

Português

41

Dansk

47

Norsk

53

Svenska

59

Suomi

65

Ελληνικά

71

Türkçe

77

Русский

83

Magyar

90

Čeština

96

Slovenščina

102

Polski

108

Româneşte

114

Slovenčina

120

Hrvatski

126

Srpski

132

Български

138

Eesti

144

Latviešu

150

Lietuviškai

156

Українська

162

"Загрузка инструкции" означает, что нужно подождать пока файл загрузится и можно будет его читать онлайн. Некоторые инструкции очень большие и время их появления зависит от вашей скорости интернета.

Краткое содержание

Страница 5 - ОПАСНОСТЬ

– 1 Перед первым применением вашего прибора прочитайте эту оригинальную инструкцию по эксплу - атации , после этого действуйте соответ - ственно и сохраните ее для дальнейше - го пользования или для следующего владельца . – Перед первым вводом в эксплуата - цию обязательно прочтите указания по техни...

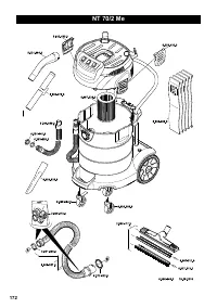
Страница 6 - Элементы

– 2 – Данный прибор предназначен для промышленного использования , на - пример , в мастерских , промышлен - ных предприятиях , школах и гостини - цах . – Температура в помещении должна быть не выше 40 °C. – C помощью прибора можно взвеши - вать дополнительный груз весом не более 100 кг . 1 Винт со з...

Страница 7 - Управление

– 3 – При сборе влажной пыли необходи - мо снимать бумажный фильтроваль - ный пакет или мембранный фильтр ( специальные принадлежности ). – Рекомендуется использование спе - циального фильтровального мешка ( влажной чистки ) ( см . раздел " Филь - тровальные системы "). ВНИМАНИЕ Опасность по...

Характеристики

Другие модели - Пылесосы Karcher

Все пылесосы Karcher