Karcher IVC 60/30 Ap - Инструкция по эксплуатации

Karcher IVC 60/30 Ap

Пылесос Karcher IVC 60/30 Ap - инструкция пользователя по применению, эксплуатации и установке на русском языке. Мы надеемся, она поможет вам решить возникшие у вас вопросы при эксплуатации техники.

Если остались дополнительные вопросы — свяжитесь с нами через контактную форму.

1 Страница 1
2 Страница 2
3 Страница 3
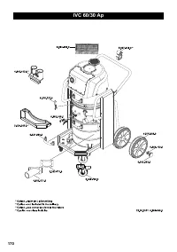
4 Страница 4
5 Страница 5
6 Страница 6
7 Страница 7
8 Страница 8
9 Страница 9
10 Страница 10
11 Страница 11
Страница: / 11

Содержание:

  • Страница 4 – Опасность
  • Страница 5 – Указание; Внимание; Подключение
  • Страница 10 – Hz
Загрузка инструкции

Register and win!

www

.kaercher

.com

IVC 60/30 Ap

59640560

07/11

Deutsch

6

English

12

Français

18

Italiano

24

Nederlands

30

Español

36

Português

42

Dansk

48

Norsk

54

Svenska

60

Suomi

66

Ελληνικά

72

Türkçe

78

Русский

84

Magyar

91

Čeština

97

Slovenščina

103

Polski

109

Româneşte

115

Slovenčina

121

Hrvatski

127

Srpski

133

Български

139

Eesti

145

Latviešu

151

Lietuviškai

157

Українська

163

"Загрузка инструкции" означает, что нужно подождать пока файл загрузится и можно будет его читать онлайн. Некоторые инструкции очень большие и время их появления зависит от вашей скорости интернета.

Краткое содержание

Страница 4 - Опасность

– 1 Перед первым применением вашего прибора прочитайте эту оригинальную инструкцию по эксплу - атации , после этого действуйте соот - ветственно и сохраните ее для дальнейшего пользования или для сле дующего владельца . – Перед первым вводом в эксплуата - цию обязательно прочтите указания по технике...

Страница 5 - Указание; Внимание; Подключение

– 2 몇 Предупреждение Прибор не предназначен для сбора вредной для здоровья пыли . – Данный пылесос предназначен для проведения влажной и сухой чистки поверхностей полов и стен , либо для использования в качестве вытяжного устройства на производственных участках . – Прибор предназначен для примене - ...

Страница 10 - Hz

– 7 Технические данные IVC 60/30 Ap Напряжение сети V 400 Частота Hz 3~ 50 Номинальная мощность W 3000 Емкость бака l 60 Количество воздуха ( макс .) l/s 68 Нижнее давление ( макс .) kPa (mbar) 28,6 (286) Тип защиты -- IP X4 Класс защиты -- I Гнездо для подключения шланга (C-DN/C-ID) DN 72 Номинальн...

Характеристики

Другие модели - Пылесосы Karcher

Все пылесосы Karcher