Камины Piazzetta MA 271 SL трехсторонняя с подъемом P04129010 - инструкция пользователя по применению, эксплуатации и установке на русском языке. Мы надеемся, она поможет вам решить возникшие у вас вопросы при эксплуатации техники.
Если остались вопросы, задайте их в комментариях после инструкции.
"Загружаем инструкцию", означает, что нужно подождать пока файл загрузится и можно будет его читать онлайн. Некоторые инструкции очень большие и время их появления зависит от вашей скорости интернета.

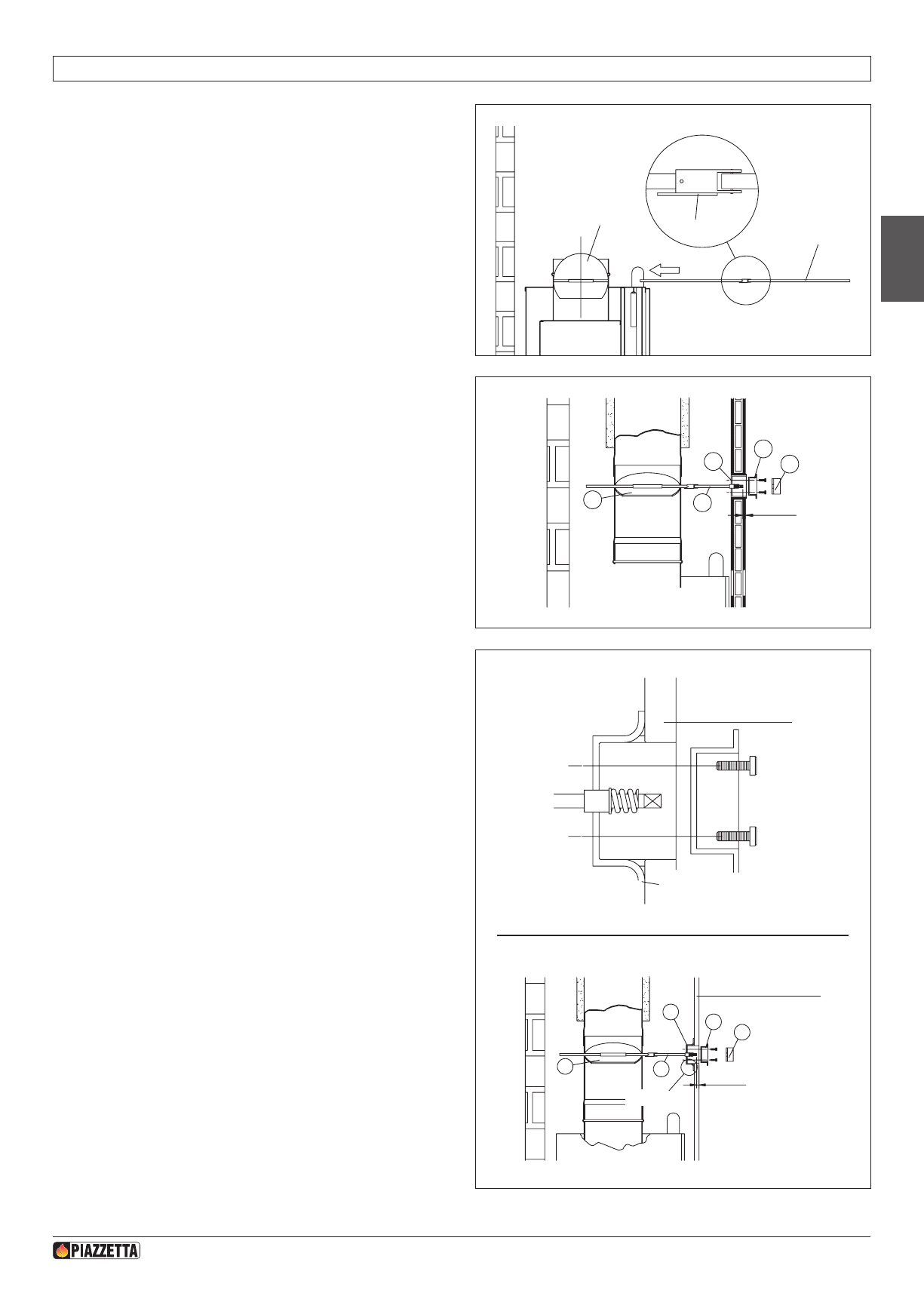
Топка оборудована датчиком дыма с шарнирной тягой,
выполняющей функцию следования углу наклона, под
которым установлена вытяжка. Установка выполняется
следующим образом:
- Установите датчик (2) в гнезде и держите его в вертикаль-
ном положении.
- Вставьте тягу (1) в датчик (2) полностью. При этом язычок
(3) остается направленным вниз.
- Переходите к установке выпускной трубы дымохода и ее
соединения с дымоходом, как указано в разделе с соответст-
вующим названием.
- Выполните или подготовьте футеровку фасадной стены.
- Вставьте входящий в комплект деревянный дюбель в
коробку (4) и навинтите его на тягу (1).
-
Затем определите точное расположение коробки, которое
должно соответствовать углу наклона фасадной стены. При
движении коробки вместе с дюбелем тяговый стержень (1)
действует как направляющий элемент, и это позволяет
определять идеальное расположение коробки, тяги и стены.
- Обрежьте стержень (1) на 1см внутри внешней поверхности
стены.
- Далее следует нанизать пластину (5) и прикрутить ее к
коробке (4).
- Закрепите ручку (6), убедившись, что расположение датчика
соответствует расположению пластины.
a
Если фасадная стена выполнена из гипсокартона (рис. 37),
коробка (4) прикрепляется к стене с помощью завинчи-
вания винтов, на пластине (5), перед этим необходимо
загнуть вверх ее боковые края.
4.0
УСТАНОВКА ДАТЧИКА ДЫМА
2
3
1
Рис.
35
2
1
6
5
4
1 CM
2
1
6
5
4
1 CM
СТЕНА ИЗ
ГИПСОКАРТОНА
ДЕТАЛЬ "A"
ДЕТАЛЬ "A"
СТЕНА ИЗ
ГИПСОКАРТОНА
ПОДЪЕМЫ
Рис
.
36
Рис
.
37
H07028510 / DT2000997 – 05
25
Русский
DT2010328-00
DT2030520-00
DT2030521-00
DT2030522-00