Калибр ТВ 18/18 Россия 00000069728 - Инструкция по эксплуатации

Калибр ТВ 18/18 Россия 00000069728

Обогреватель Калибр ТВ 18/18 Россия 00000069728 - инструкция пользователя по применению, эксплуатации и установке на русском языке. Мы надеемся, она поможет вам решить возникшие у вас вопросы при эксплуатации техники.

Если остались дополнительные вопросы — свяжитесь с нами через контактную форму.

1 Страница 1
2 Страница 2
3 Страница 3
4 Страница 4
5 Страница 5
6 Страница 6
7 Страница 7
8 Страница 8
9 Страница 9
10 Страница 10
11 Страница 11
12 Страница 12
13 Страница 13
14 Страница 14
15 Страница 15
16 Страница 16
Страница: / 16

Содержание:

  • Страница 2 – СОДЕРЖАНИЕ; УСТРОЙСТВО И ПРИНЦИП РАБОТЫ; ТЕПЛОВЕНТИЛЯТОР
  • Страница 3 – Уважаемый покупатель!
  • Страница 4 – После транспортирования при отрицательных температурах
  • Страница 7 – ТЕХНИЧЕСКИЕ ХАРАКТЕРИСТИКИ; Технические характеристики указаны в табл. 1
  • Страница 9 – ПОДГОТОВКА К РАБОТЕ
  • Страница 11 – ТЕХНИЧЕСКОЕ ОБСЛУЖИВАНИЕ
  • Страница 12 – ТРАНСПОРТИРОВАНИЕ И ХРАНЕНИЕ
  • Страница 13 – ВОЗМОЖНЫЕ НЕИСПРАВНОСТИ И МЕТОДЫ ИХ УСТРАНЕНИЯ; Перечень возможных неисправностей приведен в таблице 3.
  • Страница 14 – Электротепловентилятор Т; СВИДЕТЕЛЬСТВО О ПРИЕМКЕ
Загрузка инструкции

Руководство по эксплуатации

ТВ-12/18
ТВ-15/18
ТВ-18/18

Тепловентилят

ор

"Загрузка инструкции" означает, что нужно подождать пока файл загрузится и можно будет его читать онлайн. Некоторые инструкции очень большие и время их появления зависит от вашей скорости интернета.

Краткое содержание

Страница 2 - СОДЕРЖАНИЕ; УСТРОЙСТВО И ПРИНЦИП РАБОТЫ; ТЕПЛОВЕНТИЛЯТОР

Калибр Руководство по эксплуатации 2 EAC ТР ТС kalibrcompany.ru Уважаемый покупатель! При покупке тепловентилятора электрического Калибр моделей ТВ-12/18, ТВ-15/18 и ТВ-18/18, требуйте проверки его работоспособности пробным включением. Убедитесь, что в талоне на гарантийный ремонт поставлены штамп м...

Страница 3 - Уважаемый покупатель!

Калибр Руководство по эксплуатации 3 EAC ТР ТС kalibrcompany.ru Внимание! После транспортировки при отрицательных температурах необходимо выдержать тепловентилятор в помещении, где предполага- ется его эксплуатация, без включения в сеть не менее двух часов. 1.6 Габаритные размеры и вес представлены ...

Страница 4 - После транспортирования при отрицательных температурах

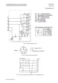
Калибр Руководство по эксплуатации 4 EAC ТР ТС kalibrcompany.ru 4. Общий вид* Общий вид тепловентилятора представлен на рис.1 5. Требования безопасности 5.1 При эксплуатации тепловентилятора соблюдайте общие правила безо- пасности при работе с электроприборами. Используйте тепловентилятор только так...

Характеристики

Другие модели - Обогреватели Калибр

Все обогреватели Калибр