Kalashnikov KVF-E9-32 - Инструкция по эксплуатации

Kalashnikov KVF-E9-32

Обогреватель Kalashnikov KVF-E9-32 - инструкция пользователя по применению, эксплуатации и установке на русском языке. Мы надеемся, она поможет вам решить возникшие у вас вопросы при эксплуатации техники.

Если остались дополнительные вопросы — свяжитесь с нами через контактную форму.

1 Страница 1
2 Страница 2
3 Страница 3
4 Страница 4
5 Страница 5
6 Страница 6
7 Страница 7
8 Страница 8
9 Страница 9
10 Страница 10
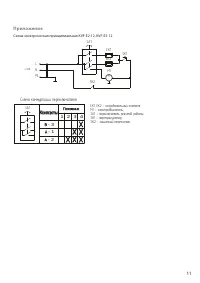
11 Страница 11
12 Страница 12
13 Страница 13
14 Страница 14
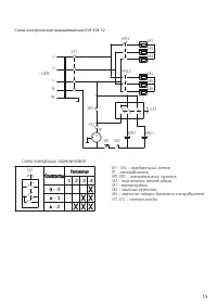
15 Страница 15
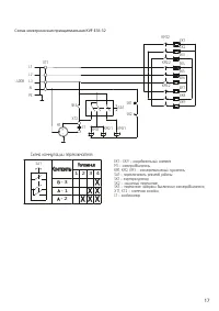
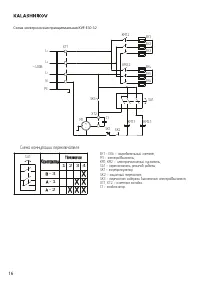
16 Страница 16
17 Страница 17
18 Страница 18
19 Страница 19
20 Страница 20
21 Страница 21
22 Страница 22
23 Страница 23
Страница: / 23
Загрузка инструкции

Тепловентилятор электрический
(тепловая пушка)

KVF-E2-12
KVF-E3-12
KVF-E5-12
KVF-E9-32
KVF-E15-32
KVF-E24-32
KVF-E30-32
KVF-E36-32

РУКОВОДСТВО ПО ЭКСПЛУАТАЦИИ

ГАРАНТИЙНЫЙ ТАЛОН

Перед началом эксплуатации прибора изучите внимательно

данное руководство и храните его в доступном месте

"Загрузка инструкции" означает, что нужно подождать пока файл загрузится и можно будет его читать онлайн. Некоторые инструкции очень большие и время их появления зависит от вашей скорости интернета.

Характеристики

Другие модели - Обогреватели Kalashnikov

Все обогреватели Kalashnikov