Измерительные приборы Cem DT-9120 - инструкция пользователя по применению, эксплуатации и установке на русском языке. Мы надеемся, она поможет вам решить возникшие у вас вопросы при эксплуатации техники.
Если остались вопросы, задайте их в комментариях после инструкции.
"Загружаем инструкцию", означает, что нужно подождать пока файл загрузится и можно будет его читать онлайн. Некоторые инструкции очень большие и время их появления зависит от вашей скорости интернета.

5
постоянный ток, 690В
постоянный ток < 5с
Температурный диапазон
-10°С до +55°С
Относительная влажность
Не более 85%
Категория перенапряжений
Кат. III – 690В
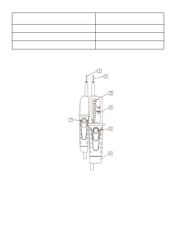
Внешний вид указателя напряжения
1.
Выносной измерительный щуп – (L1)
2.
Измерительный щуп прибора + (L2)
3.
СИД, индикация напряжения
4.
СИД, тест низких сопротивлений
5.
Выключатель тестирования в режиме низких сопротивлений (L2)
6.
Батарейный отсек
7.
Выключатель тестирования в режиме низких сопротивлений (L1)



