Измерительные приборы Cem DT-8802 - инструкция пользователя по применению, эксплуатации и установке на русском языке. Мы надеемся, она поможет вам решить возникшие у вас вопросы при эксплуатации техники.
Если остались вопросы, задайте их в комментариях после инструкции.
"Загружаем инструкцию", означает, что нужно подождать пока файл загрузится и можно будет его читать онлайн. Некоторые инструкции очень большие и время их появления зависит от вашей скорости интернета.

5
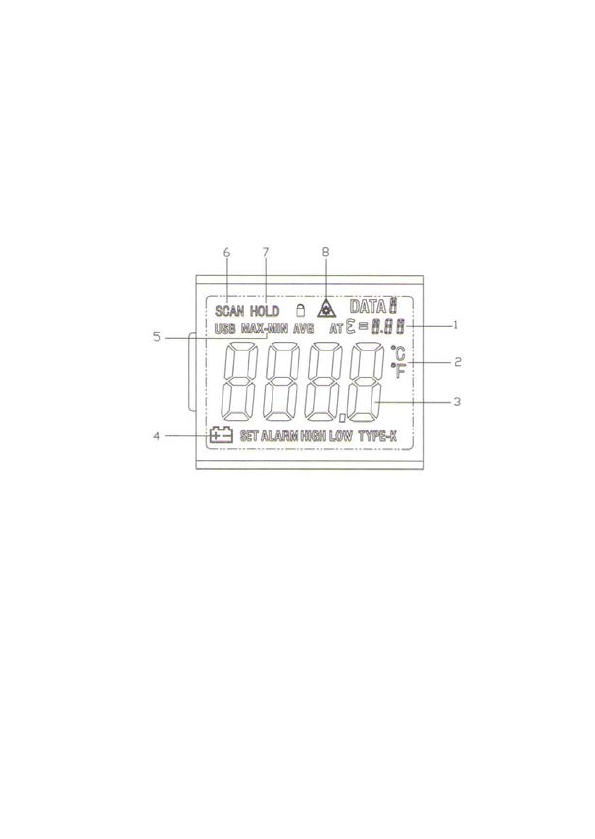
4. ИНДИКАЦИЯ
ПРИБОРА
①
Индикатор
фиксированного коэффициента излучения
(0,95)
② Индикатор шкалы температуры
°C
(Цельсий)/°
F
(Фаренгейт)
③ Цифровые показания
④ Индикатор низкого заряда батареи
⑤ Индикатор отображения показаний
MAX
/
MIN
⑥ Индикатор процесса измерения
⑦ Индикатор режима
сохранения
данных «
Data Hold»
⑧ Индикатор включения лазерного
указателя
5. ПРОЦЕСС ИЗМЕРЕНИЯ
1)
Удерживая прибор за рукоятку, навести
его на измеряемую
поверхность.
2)
Нажать и удерживать
кнопку спускового механизма, чтобы включить
прибор и выполнить
измерение. Если батарея
исправна, включается
индикация прибора
.
В противном случае, требуется заменить
батарею.
3)
При измерении в верхнем левом углу жидкокристаллического экрана
включится индикатор
«SCAN» (
измерение).
4)
При
нажатии кнопки спускового механизма:
a.
Нажать кнопку
Laser (6)
, чтобы включить лазерный указатель. При
этом на ЖК
-
экране
над значком температуры включится индикатор



