Источники бесперебойного питания UPS Powercom VGD-15K31 Vanguard - инструкция пользователя по применению, эксплуатации и установке на русском языке. Мы надеемся, она поможет вам решить возникшие у вас вопросы при эксплуатации техники.
Если остались вопросы, задайте их в комментариях после инструкции.
"Загружаем инструкцию", означает, что нужно подождать пока файл загрузится и можно будет его читать онлайн. Некоторые инструкции очень большие и время их появления зависит от вашей скорости интернета.

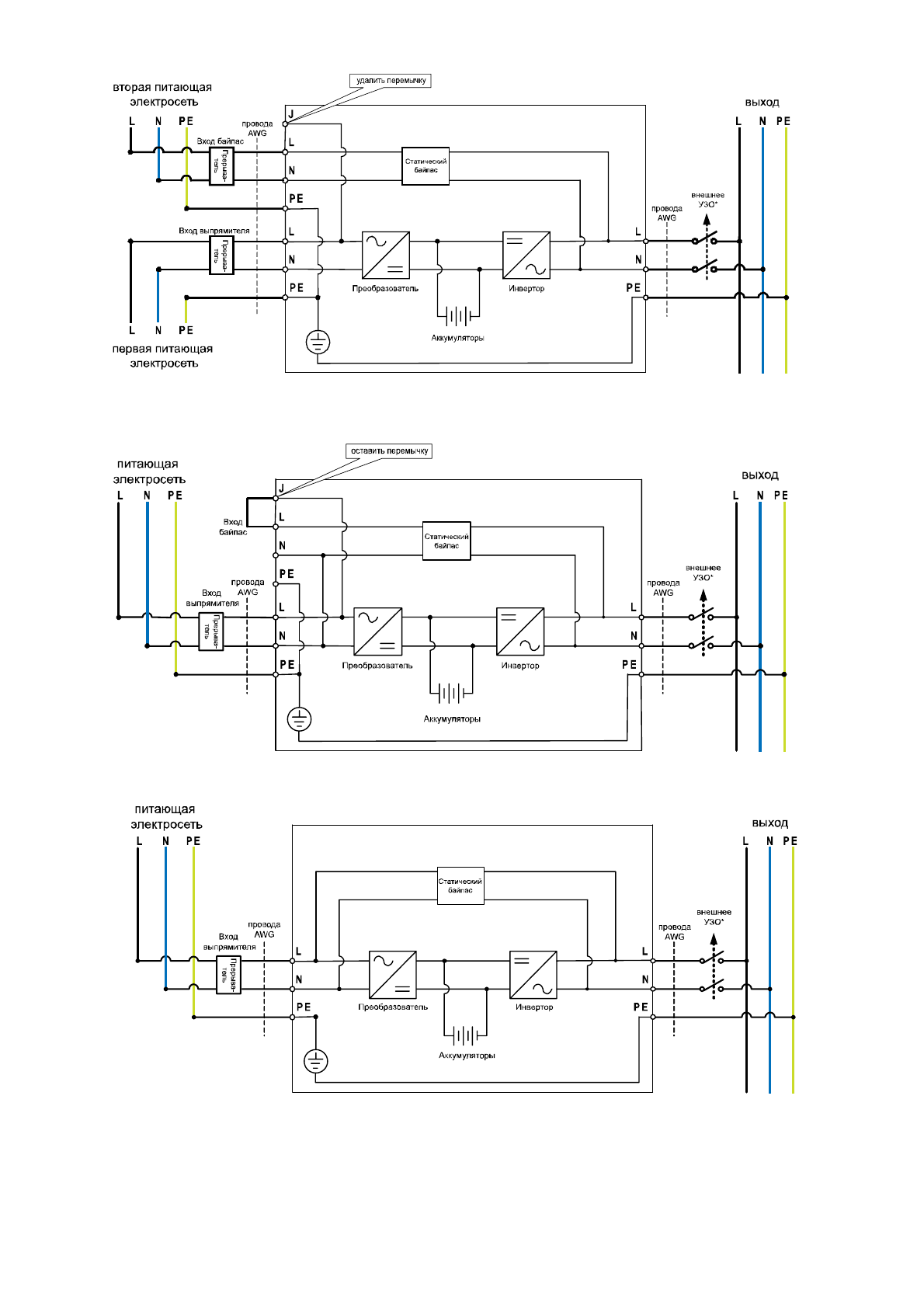
Рис
. 2
Схема
подключения
ИБП
с
двумя
входами
на
две
электросети
Рис
. 3
Схема
подключения
ИБП
с
двумя
входами
на
одну
электросеть
Рис
. 4
Схема
подключения
ИБП
с
одним
входом
к
электросети
*
Внешнее
УЗО
используется
в
зависимости
от
локальных
требований
к
уровню
безопасности
.
Copyright ©POWERCOM CO., Ltd
21