Источники бесперебойного питания UPS Powercom MRT-10K Macan - инструкция пользователя по применению, эксплуатации и установке на русском языке. Мы надеемся, она поможет вам решить возникшие у вас вопросы при эксплуатации техники.
Если остались вопросы, задайте их в комментариях после инструкции.
"Загружаем инструкцию", означает, что нужно подождать пока файл загрузится и можно будет его читать онлайн. Некоторые инструкции очень большие и время их появления зависит от вашей скорости интернета.

CopвrТРСt ©POАERCOM CO., Ltd
12
5.4.
одкл е е лект о ет
е о о о о удо
ол ко к л
о
е пе
л т о ут пол т у т о ку то о о о удо
.
тел о леду те е
т ук
по у т о ке те
ке е оп
о т , п от
о лу е те, кто пол ет у т о ку,
о ут по т д т , т к е о ут т по е де
л подкл е
у к .
окое п
е е ток
, о ут т
о т л у т пе о л по ед т о о удо
е.
у т о ке
тел о лед те о
л
токо ет .
т о к е
т е
локо
е ед у т о ко е
т е
локо откл
те
от ет
у к .
пол у те к ел , п л е
к е е у т е о у локу, дл подкл е
е е о т е о о лок к
.
одкл
те то о т е
к к пе о у по о
п л е о о к ел , е л ео од о у т о т олее од о о.
пол о
е
т е
локо у т
те п
ет
е е е кол е т кку ул то
т е .
т о к
ед те , то е те у т о к е лект
е к е оед е
пол е п
л о. К о е то о, о
т те к
у к
по , то п о е т
е п едо
тел к ел .
ол у те
т те
то
к от по то о о кл е
. О
од
од
то т е к
кл
тел
поло е
д дол
т поло е
« ЫКЛ».
одкл
те
оот ет т
о
.
-4
.
у т о ке д о
к еле ео од о
т пе е
ку * , к к пок
о
у к – .
е п едо
теле к еле ук
у к –
4.
л е о о о оп едел т , то е т л
е ле , л де т
к
о то
е т л ете о о п т
е де
, дл
у т о к ео од о допол тел ое д у пол
ое
ед
тел ое у т о т о.
е! е т е т е о
е оп
о т о ут пот е о т отдел о о е е о
о о откл е
п т
, кото ое
к ет
од е то т е к е кл
тел , , е л то т к, пол у те
у к – дл п
л о у т о к .
л пол у т ко п те
е л
е оед е
, пол у те оед е
оот ет т
л о уко од т
.
т о к
е е .
. .
5.5.
одкл е е е
т е
локо
одкл е е е
т е
локо еко е дует пол т то
о
о у е
о у пе о лу.
ед те , то
от оед ё от лект о ет
у к откл е . од оед
те е
т е
лок
п по о
к ел , ду е о ко плекте т е
локо . л ео од о подкл
т то о т е
лок, то е о ео од о
подкл
т к пе о у т е о у локу п по о к ел , ду е о ко плекте.
е еко е дует подкл
т к
ол е д у е
т е
локо .
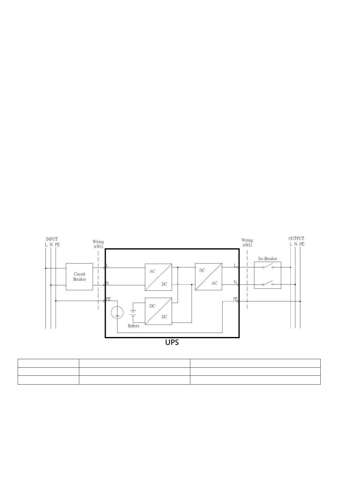
кл
тел
AWG л
2
6000VA
50A/240Vac
8 AWG
л
8
2
10000VA
70A/240Vac
6 AWG
л
14
2