Страница 3 - ВВЕДЕНИЕ
ВВЕДЕНИЕ 1 Благодарим вас за выбор водяного насоса Husqvarna! Это руководство поможет вам добиться оптимальных результатов от вашего нового насоса и обеспечить его безопасную эксплуатацию . Прочтите его внимательно . В тексте руководства вам встретится информация , отмеченная знаком ПРИМЕЧАНИЕ , кот...
Страница 5 - СОДЕРЖАНИЕ; РАСПОЛОЖЕНИЕ КОМПОНЕНТОВ И ОРГАНОВ
СОДЕРЖАНИЕ 3 БЕЗОПАСНАЯ ЭКСПЛУАТАЦИЯ НАСОСА ...................................... 5 ВАЖНАЯ ИНФОРМАЦИЯ ПО ТЕХНИКЕ БЕЗОПАСНОСТИ ........... 5 ПРЕДУПРЕЖДАЮЩИЕ ТАБЛИЧКИ ................................................ 7 УПРАВЛЕНИЕ И ФУНКЦИИ .................................................................
Страница 7 - БЕЗОПАСНАЯ ЭКСПЛУАТАЦИЯ НАСОСА
БЕЗОПАСНАЯ ЭКСПЛУАТАЦИЯ НАСОСА 5 ВАЖНАЯ ИНФОРМАЦИЯ ПО ТЕХНИКЕ БЕЗОПАСНОСТИ Насосы Husqvarna W 50 и W 80P разработаны для прокачки только пресной воды, не предназначенной для потребления человеком; применение насоса для других целей может привести к травме оператора или повреждению насоса и порче дру...
Страница 8 - Горячие выхлопные газы
БЕЗОПАСНАЯ ЭКСПЛУАТАЦИЯ НАСОСА 6 Горячие выхлопные газы Глушитель сильно нагревается в ходе работы и остается нагретым в течение некоторого времени после остановки двигателя. Не прикасайтесь к глушителю, пока он не остыл. Перед транспортировкой насоса или помещением его на хранение дождитесь, пока д...
Страница 9 - ПРЕДУПРЕЖДАЮЩИЕ ТАБЛИЧКИ
БЕЗОПАСНАЯ ЭКСПЛУАТАЦИЯ НАСОСА 7 ПРЕДУПРЕЖДАЮЩИЕ ТАБЛИЧКИ Показанные здесь предупреждающие таблички содержат важную информацию по технике безопасности. Внимательно изучите их. ВНИМАНИЕ Перед запуском насоса залейте достаточное количество воды. Оставшаяся в насосе горячая вода представляет опасность....
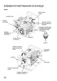
Страница 10 - УПРАВЛЕНИЕ И ФУНКЦИИ
УПРАВЛЕНИЕ И ФУНКЦИИ 8 РАМА КРЫШКА ГОРЛОВИНЫ ФИЛЬТР ГРУБОЙ ОЧИСТКИ W 50P РЫЧАГ ДРОССЕЛЯ РЫЧАГ УПРАВЛЕНИЯ ЗАСЛОНКОЙ РЫЧАГ ТОПЛИВНОГО КЛАПАНА ЗАХВАТ СТАРТЕРА ВЫКЛЮЧАТЕЛЬ КРЫШКА МАСЛОНАЛИВНОЙ ГОРЛОВИНЫ/ЩУП КРЫШКА ЗАЛИВНОЙ ГОРЛОВИНЫ ДЛЯ ТОПЛИВА ВЫПУСКНОЕ ОТВЕРСТИЕ ВПУСКНОЕ ОТВЕРСТИЕ КРЫШКА СЛИВА НАСОСА ...
Страница 12 - ПАСПОРТНАЯ
УПРАВЛЕНИЕ И ФУНКЦИИ 10 ПАСПОРТНАЯ ТАБЛИЧКА Husqvarna Год произв . 0000 Серийный номер 000000000 Артикул № XXX XX XX-XX Модель W50P Размер впускного / выпускного отверстия 50 мм Высота нагнетания 28 м Впуск 7 м Модель двигателя 168FB Макс. производительность насоса ( м / ч ) 32 Макс. мощность 5, 7 л...
Страница 13 - ДО НАЧАЛА РАБОТЫ; ГОТОВНОСТЬ К РАБОТЕ
ДО НАЧАЛА РАБОТЫ 11 ГОТОВНОСТЬ К РАБОТЕ Вы сами отвечаете за собственную безопасность. Уделив немного времени подготовке, вы значительно снижаете риск травм. Знания Внимательно изучите данное руководство. Вы должны знать, для чего служат органы управления насоса и как они работают. Ознакомьтесь с ко...
Страница 14 - ПОДГОТОВКА НАСОСА; Проверка общего состояния насоса
ДО НАЧАЛА РАБОТЫ 12 ПОДГОТОВКА НАСОСА Для вашей безопасности и для обеспечения максимального срока службы оборудования очень важно до включения насоса выполнять быструю проверку состояния. Исправьте все обнаруженные недочеты или свяжитесь с сервисным центром для их устранения до начала работы. ПРЕДУ...
Страница 15 - Проверка шланга всасывания и выпускного шланга; Убедитесь, что соединители и хомуты шлангов надежно закреплены.; Проверка двигателя; двигателем на признаки утечек масла или бензина.
ДО НАЧАЛА РАБОТЫ 13 Проверка шланга всасывания и выпускного шланга • Проверьте общее состояние шлангов. Убедитесь, что шланги находятся в рабочем состоянии, прежде чем подсоединять их к насосу. Помните: шланг всасывания должен иметь усиленную конструкцию во избежание деформации под давлением. • Пров...
Страница 16 - ЭКСПЛУАТАЦИЯ; МЕРЫ ПРЕДОСТОРОЖНОСТИ ДЛЯ БЕЗОПАСНОЙ ЭКСПЛУАТАЦИИ
ЭКСПЛУАТАЦИЯ 14 МЕРЫ ПРЕДОСТОРОЖНОСТИ ДЛЯ БЕЗОПАСНОЙ ЭКСПЛУАТАЦИИ Чтобы безопасно использовать все возможности данного насоса, необходимо хорошо понимать, как он работает, и обладать определенным опытом работы с его органами управления. Перед включением насоса в первый раз изучите раздел "ВАЖНАЯ...
Страница 17 - РАЗМЕЩЕНИЕ НАСОСА
ЭКСПЛУАТАЦИЯ 15 РАЗМЕЩЕНИЕ НАСОСА Для обеспечения максимальной производительности размещайте насос на твердой ровной поверхности близко к уровню воды и не используйте шланги сверх установленной длины. При таких условиях насос сможет работать с максимальной выходной мощностью при минимальной длительн...
Страница 18 - УСТАНОВКА ШЛАНГА ВСАСЫВАНИЯ
ЭКСПЛУАТАЦИЯ 16 УСТАНОВКА ШЛАНГА ВСАСЫВАНИЯ Используйте любой из доступных в продаже шлангов и шланговый соединитель с хомутом, поставляемый вместе с насосом (при необходимости). Большинство шлангов продаются с уже установленными соединителями. Шланг всасывания должен иметь усиленную конструкцию со ...
Страница 19 - УСТАНОВКА ВЫПУСКНОГО ШЛАНГА; мощность насоса будет ниже.
ЭКСПЛУАТАЦИЯ 17 УСТАНОВКА ВЫПУСКНОГО ШЛАНГА Используйте любой из доступных в продаже шлангов и шланговый соединитель с хомутом, поставляемый вместе с насосом (при необходимости). Лучше всего использовать короткий шланг большого диаметра, поскольку в таком шланге трение жидкости будет ниже, а выходна...
Страница 20 - ЗАЛИВКА НАСОСА
ЭКСПЛУАТАЦИЯ 18 ЗАЛИВКА НАСОСА Перед запуском двигателя снимите крышку заливной горловины камеры насоса. Заполните камеру насоса водой до нижней поверхности выпускного отверстия. Установите крышку заливной горловины на место и надежно затяните. ПРИМЕЧАНИЕ При сухом запуске насоса уплотнение насоса б...
Страница 21 - ЗАПУСК ДВИГАТЕЛЯ
ЭКСПЛУАТАЦИЯ 19 ЗАПУСК ДВИГАТЕЛЯ 1. Выполните заливку насоса (см. стр. 20). 2. Переведите рычаг топливного клапана в положение ON (ВКЛ). 3. Для запуска холодного двигателя переведите рычаг управления заслонкой в положение CLOSED (ЗАКРЫТО). Для повторного запуска прогретого двигателя переведите рычаг...
Страница 22 - затем потяните быстро.
ЭКСПЛУАТАЦИЯ 20 5. Переведите переключатель зажигания в положение ON (ВКЛ). 6. Слегка потяните за захват стартера, пока не почувствуете сопротивление, затем потяните быстро. Не допускайте резкого возврата шнура стартера к двигателю. Осторожно верните захват на место, чтобы не повредить стартер. ПЕРЕ...
Страница 23 - НАСТРОЙКА ЧАСТОТЫ ВРАЩЕНИЯ ДВИГАТЕЛЯ
ЭКСПЛУАТАЦИЯ 21 7. Если рычаг управления заслонкой перемещен в положение CLOSED (ЗАКРЫТО) для запуска двигателя, постепенно переведите его в положение OPEN (ОТКРЫТО) по мере прогрева двигателя. НАСТРОЙКА ЧАСТОТЫ ВРАЩЕНИЯ ДВИГАТЕЛЯ После запуска двигателя переведите рычаг дросселя в положение FAST (Б...
Страница 24 - ОСТАНОВКА ДВИГАТЕЛЯ
ЭКСПЛУАТАЦИЯ 22 ОСТАНОВКА ДВИГАТЕЛЯ Для остановки двигателя в аварийной ситуации просто переведите переключатель зажигания в положение OFF (ВЫКЛ). В нормальных условиях работы действуйте по инструкции ниже. 1. Переведите рычаг дросселя в положение SLOW (МЕДЛЕННО). 2. Переведите переключатель зажиган...
Страница 26 - ТЕХНИЧЕСКОЕ ОБСЛУЖИВАНИЕ; ВАЖНОСТЬ ТЕХНИЧЕСКОГО ОБСЛУЖИВАНИЯ
ТЕХНИЧЕСКОЕ ОБСЛУЖИВАНИЕ 24 ВАЖНОСТЬ ТЕХНИЧЕСКОГО ОБСЛУЖИВАНИЯ Соблюдение правил технического обслуживания крайне важно для безопасной и экономичной эксплуатации без сбоев и поломок. Кроме того, это позволит снизить загрязнение воздуха. ПРЕДУПРЕЖДЕНИЕ Нарушая режим технического обслуживания или оста...
Страница 27 - ТЕХНИКА БЕЗОПАСНОСТИ ПРИ ТЕХОБСЛУЖИВАНИИ; Меры предосторожности
ТЕХНИЧЕСКОЕ ОБСЛУЖИВАНИЕ 25 ТЕХНИКА БЕЗОПАСНОСТИ ПРИ ТЕХОБСЛУЖИВАНИИ Ниже приведены наиболее важные меры предосторожности. Тем не менее, мы не можем предупредить вас обо всех возможных опасностях, потенциально связанных с выполнением технического обслуживания. Только вы сами можете решить, следует л...
Страница 28 - ГРАФИК ТЕХНИЧЕСКОГО ОБСЛУЖИВАНИЯ
ТЕХНИЧЕСКОЕ ОБСЛУЖИВАНИЕ 26 ГРАФИК ТЕХНИЧЕСКОГО ОБСЛУЖИВАНИЯ РЕГУЛЯРНОЕ ТЕХНИЧЕСКОЕ ОБСЛУЖИВАНИЕ При каждом использо- вании Первый месяц или 20 ч работы. Каждые 3 мес. или 50 ч работы. Каждые 6 мес. или 100 ч работы. Каждый год или 300 ч работы. ПОЗИЦИЯ Моторное масло Проверка уровня o Замена o o Во...
Страница 29 - ЗАПРАВКА ТОПЛИВОМ
ТЕХНИЧЕСКОЕ ОБСЛУЖИВАНИЕ 27 1 дюйм (25 мм) ЗАПРАВКА ТОПЛИВОМ Остановите двигатель, установите его на ровной поверхности, снимите крышку топливного бака и проверьте уровень топлива. Если уровень низкий, долейте топливо в бак. ПРЕДУПРЕЖДЕНИЕ Бензин — очень горючая и взрывоопасная жидкость. При работе ...
Страница 30 - РЕКОМЕНДАЦИИ ПО ВЫБОРУ ТОПЛИВА
ТЕХНИЧЕСКОЕ ОБСЛУЖИВАНИЕ 28 Никогда не выполняйте заправку двигателя в здании, где пары бензина могут распространиться до места присутствия пламени или искр. Не работайте с бензином вблизи водяных колонок с горящим фитилем, мангалов, электрического оборудования, электроинструментов и т.д. Разлитое т...
Страница 31 - ПРОВЕРКА УРОВНЯ МОТОРНОГО МАСЛА; Снимите крышку маслоналивной горловины/щуп и вытрите начисто.; Запуск двигателя при низком уровне масла может привести к его
ТЕХНИЧЕСКОЕ ОБСЛУЖИВАНИЕ 29 ПРОВЕРКА УРОВНЯ МОТОРНОГО МАСЛА Выполняйте проверку уровня моторного масла на остановленном двигателе, размещенном на ровной поверхности. 1. Снимите крышку маслоналивной горловины/щуп и вытрите начисто. 2. Вставьте и извлеките щуп, не заворачивая его в маслоналивную горло...
Страница 32 - ЗАМЕНА МОТОРНОГО МАСЛА; сливается быстрее и без остатка.
ТЕХНИЧЕСКОЕ ОБСЛУЖИВАНИЕ 30 ЗАМЕНА МОТОРНОГО МАСЛА Сливайте использованное масло, пока двигатель теплый. Теплое масло сливается быстрее и без остатка. 1. Установите под двигателем подходящую емкость для сбора использованного масла, затем снимите крышку маслоналивной горловины/щуп, сливную пробку и у...
Страница 33 - РЕКОМЕНДАЦИИ ПО ВЫБОРУ МОТОРНОГО МАСЛА; вашем регионе находится в пределах рекомендованного диапазона.
ТЕХНИЧЕСКОЕ ОБСЛУЖИВАНИЕ 31 РЕКОМЕНДАЦИИ ПО ВЫБОРУ МОТОРНОГО МАСЛА Масло — один из основных компонентов, влияющих на производительность и срок службы. Используйте моющее масло для 4-тактных автомобильных двигателей. Общая рекомендация — SAE 10W-30. Разрешается использовать масла другой вязкости, ука...
Страница 35 - ОЧИСТКА ВОЗДУШНОГО ФИЛЬТРА
ТЕХНИЧЕСКОЕ ОБСЛУЖИВАНИЕ 33 ОЧИСТКА ВОЗДУШНОГО ФИЛЬТРА Загрязнение воздушного фильтра приводит к ограничению потока воздуха в карбюратор, из-за чего производительность двигателя снижается. Если насос эксплуатируется на очень запыленных участках, выполняйте очистку воздушного фильтра чаще, чем указан...
Страница 36 - ХРАНЕНИЕ; ПОДГОТОВКА К ХРАНЕНИЮ; Выполните влажную очистку двигателя и насоса.; Протрите все доступные поверхности насухо.
ХРАНЕНИЕ 34 ПОДГОТОВКА К ХРАНЕНИЮ Соблюдение правил подготовки к хранению очень важно для бесперебойной работы насоса и поддержания его опрятного внешнего вида. Выполнение приведенных ниже инструкций позволит защитить насос от ржавчины и коррозии, которые негативно влияют на эксплуатационную пригодн...
Страница 37 - могут наступать всего через 30 дней и могут вызывать повреждения
ХРАНЕНИЕ 35 4. Остановите двигатель и дайте ему остыть. 5. Извлеките сливную пробку насоса и промойте насос чистой пресной водой. Подождите, пока вода сольется из камеры насоса, а затем установите сливную пробку на место. 6. После очистки и просушки насоса обновите участки повреждения лакокрасочного...
Страница 38 - Добавление топливного стабилизатора для продления
ХРАНЕНИЕ 36 Добавление топливного стабилизатора для продления срока хранения топлива Краткосрочное хранение (30-90 дней) Если оборудование не предполагается использовать в течение 30-90 дней, мы рекомендуем сделать следующее, чтобы избежать проблем, связанных с топливом: 1. Добавьте топливный стабил...
Страница 40 - После слива всего топлива в емкость надежно затяните болт слива; Моторное масло; Замените моторное масло.; Цилиндр двигателя; Снимите свечу зажигания.
ХРАНЕНИЕ 38 4. После слива всего топлива в емкость надежно затяните болт слива карбюратора. 5. Установите новое уплотнительное кольцо и отстойник. 6. Переведите рычаг топливного клапана в положение OFF (ВЫКЛ). Моторное масло Замените моторное масло. Цилиндр двигателя 1. Снимите свечу зажигания. 2. З...
Страница 41 - МЕРЫ ПРЕДОСТОРОЖНОСТИ ПРИ ХРАНЕНИИ; к утечке топлива или масла.; СНЯТИЕ С ХРАНЕНИЯ
ХРАНЕНИЕ 39 МЕРЫ ПРЕДОСТОРОЖНОСТИ ПРИ ХРАНЕНИИ Если предполагается поместить насос на хранение без слива бензина из топливного бака и карбюратора, важно снизить опасность возгорания паров бензина. Для хранения выберите хорошо проветриваемый участок вдали от оборудования, работающего от пламени, тако...
Страница 42 - ТРАНСПОРТИРОВКА
ТРАНСПОРТИРОВКА 40 Если насос работал, до погрузки на транспортное средство подождите не менее 15 минут, пока двигатель остынет. Горячий двигатель и система выброса выхлопных газов могут создавать опасность ожога и возгорания некоторых материалов. При транспортировке насос должен стоять ровно, чтобы...
Страница 43 - ПОИСК И УСТРАНЕНИЕ НЕИСПРАВНОСТЕЙ; Недостаточная мощность двигателя
ПОИСК И УСТРАНЕНИЕ НЕИСПРАВНОСТЕЙ 41 Двигатель не запускается Возможная проблема Решение Топливный клапан в положении OFF (ВЫКЛ). Переведите рычаг топливного клапана в положение ON (ВКЛ). Открыта заслонка. Переведите рычаг управления заслонкой в положение CLOSED (ЗАКРЫТО), если двигатель не нагрет. ...
Страница 44 - Нет выходной мощности насоса
ПОИСК И УСТРАНЕНИЕ НЕИСПРАВНОСТЕЙ 42 Нет выходной мощности насоса Возможная проблема Решение Насос установлен в неподходящем месте. Разместите насос на твердой ровной поверхности. Не выполнена заливка насоса. Выполните заливку насоса. Деформация, разрез или прокол шланга. Замените шланг всасывания. ...
Страница 45 - Технические
ТЕХНИЧЕСКАЯ ИНФОРМАЦИЯ 43 Модель W 50P Размер впускного / выпускного отверстия 50 мм Высота нагнетания 28 м Впуск 7 м Модель двигателя 168FB Макс . производительность насоса (м / ч ) 32 Макс . мощность 5 , 7 л . с. Емкость топливного бака 3,6 л ВЕС НЕТТО / БРУТТО ( кг ) 25/27 W 50P Модель W 80P Разм...