Холодильник Smeg SBS8004PO - инструкция пользователя по применению, эксплуатации и установке на русском языке. Мы надеемся, она поможет вам решить возникшие у вас вопросы при эксплуатации техники.
Если остались вопросы, задайте их в комментариях после инструкции.
"Загружаем инструкцию", означает, что нужно подождать пока файл загрузится и можно будет его читать онлайн. Некоторые инструкции очень большие и время их появления зависит от вашей скорости интернета.

18
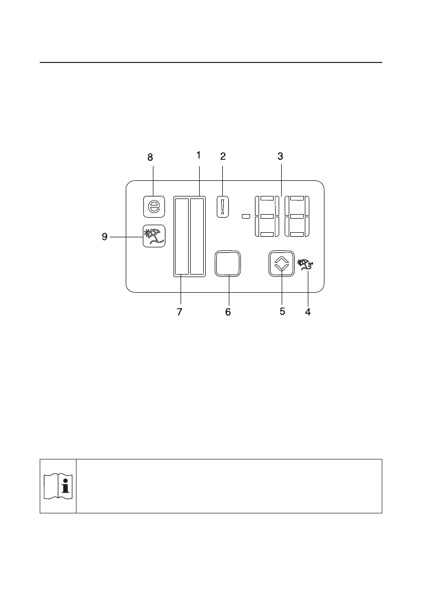
5.1 Панель индикаторов
В зависимости от модели Вашего холодильника панель индикаторов может
иметь некоторые отличия.
Визуальные и акустические функции панели индикации помогут Вам в эксплу-
атации холодильника.
1.
индикатор холодильного отделения
2.
индикатор неисправности
3.
индикатор температуры
4.
кнопка функции «каникулы»
5.
кнопка настройки температуры
6.
кнопка выбора отделения
7.
индикатор контейнеров морозильного отделения
8.
индикатор режима Eco
9.
индикатор функции «каникулы»
*опционально
Опционально:
иллюстрации в данном руководстве по эксплу-
атации содержат упрощенные изображения, которые могут
не вполне соответствовать вашему прибору. если в приоб-
ретенном Вами холодильнике нет каких-либо из показанных
компонентов, значит, они используются в других моделях.
5 Эксплуатация прибора













